製品概要
製品概要
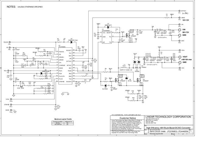
Demonstration circuit 1046A is a non-isolated, high efficiency buck-boost DC/DC supply featuring LTC3780EG and LTC4440ES6. The LTC3780 is a high performance 4-switch synchronous buck boost regulator and the LTC4440 is a 100V-rated FET driver. The input voltage of the demo board is designed for 36V to 72V. The output voltage is 48V. At 25C° room temperature, the maximum output current is 5A without a cooling fan and 6A with 150LFM air flow for cooling. An optional 12V bias flyback supply using the LTC3803 is stuffed on the board to power the LTC3780 and LTC4440.
対象となる製品
関連資料
-
DC1046A - Schematic2009/09/24PDF54K
-
DC1046A - Demo Manual2009/09/24PDF721K
-
DC1046A - Design File2009/09/24ZIP1M
-
電源設計のレイアウト1: ホット・ループ2013/05/01
