Design Note 365: ThinSOT Switching Regulator Controls Inrush Current
Introduction
Inrush current can be troublesome, especially when regulators are operated from batteries or a current-limited source. In such cases, excessive inrush current can cause the input source to collapse and prevent the converter from ever starting up. Inrush current can also trip input line fuses or cause the output to overshoot. There are many ways to deal with this problem, but most of them are difficult to implement or have undesirable side effects, often making the cure worse than the cause.

Figure 1. 10VIN-16VIN to 12V at 300mA SEPIC Converter.

Figure 2. Input Current and Output Voltage at Turn-On Without CSS Capacitor for Figure 1 Circuit.

Figure 3. Input Current and Output Voltage at Turn-On with CSS Capacitor for Figure 1 Circuit.
A Simple Solution
Figure 1 shows a solution to this problem using the LT3467 in a 10V-16V input to 12V/300mA output SEPIC converter. The LT3467 ThinSOT™ switching regulator integrates a soft-start function with a built-in 42V, 1.1A switch. Figures 2 and 3 illustrate the effect that the LT3467’s soft-start feature has on inrush currents. Figure 2 shows the start-up waveforms for the Figure 1 circuit with the SS feature disabled (by removing CSS from the SS pin). The inrush current in this case is limited only by the maximum duty cycle or maximum switch current of the LT3467. The top trace shows input current and the bottom trace shows output voltage. It takes only about 100μs for the output to go from 0V to 12V, requiring an input current of about 0.85A peak, thus exceeding the nominal steady-state level.
Figure 3 shows the same waveforms with a 0.1μFcapacitor connected to the SS pin. Now, both input current and output voltage rampup in a controlled fashion and settle comfortably into their respective steady-state levels. By using only one small capacitor between the SS pin and ground, inrush current has been eliminated. Figure 4 shows an efficiency curve for the SEPIC converter of Figure 1.
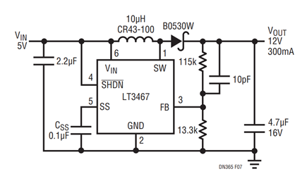
Figure 5 shows a boost converter that provides 12V at 300mA from a 5V input source. Figures 6 and 7 show the input and output currents, with and without the soft-start feature enabled. Figure 6 shows that without soft-start, even though the output voltage follows the input by conducting through the inductor and diode, there is an inrush of current which exceeds 2A at the point where the converter begins to switch. Figure 7 shows the improved start-up results with soft-start enabled. Figure 8 shows the efficiency of the circuit.

Figure 4. SEPIC Converter Efficiency for Figure 1 Circuit.

Figure 5. 5VIN to 12V at 300mA BOOST Converter.

Figure 6. Input Current and Output Voltage at Turn-On Without CSS Capacitor for Figure 5 Circuit.

Figure 7. Input Current and Output Voltage at Turn-On with CSS Capacitor for Figure 5 Circuit.

Figure 8. BOOST Converter Efficiency for Figure 5 Circuit.
Conclusion
Countless hours can be spent looking for ways to control inrush current or just getting the output to come up. The LT3467 provides a simple solution. The addition of a single, tiny, low cost capacitor can make the difference between a smooth design cycle or a laborious one.