IC Temperature Sensors Find the Hot Spots

要約

This application note discusses the operating concepts behind temperature sensor ICs and introduces the MAX1617, the first temperature sensor IC to measure the temperature of a remote thermal diode which allows accurate monitoring of the die temperature of another IC or discrete transistor.

Real-time temperature measurements ensure that today's smaller and faster systems operate in the safe thermal zone. The newest IC temperature sensors monitor external- and internal-component hot spots with pinpoint accuracy.

IC temperature sensors have come of age. Driven by PC and automotive applications, designers have embedded these ubiquitous heat sniffers in almost every electronic system larger than a pager. Cellular phones usually include one or more sensors in the battery pack, and notebook computers might have four or more sensors for checking temperatures in the CPU, battery, AC adapter, and PCMCIA card cage. Consequently, the design and manufacture of IC temperature sensors has become a $300 million/year industry.

These applications do not cover the enormous number of thermal-shutdown and -protection circuits that designers build into all sorts of ICs as a final defense against short circuits and over-clocking (exceeding the IC's specified clock speed). They cannot always replace the traditional temperature sensors—resistance temperature detectors, thermistors, and thermocouples—but IC temperature sensors offer many advantages. They require no linearization or cold-junction compensation, for instance. Indeed, they often provide cold-junction compensation for thermocouples. They generally provide better noise immunity through higher-level output signals, and some provide logic outputs that can interface directly to digital systems.

Rube Goldberg Contraptions

A discussion of IC temperature sensors has become timely and important, because electronic systems are increasingly dense, power-hungry, and hot. Temperature sensors also have a lot of gadget appeal. Many ICs perform highly abstract functions. (Look! It's a quadrature-amplitude modulator!) But temperature sensors relate directly to the real world that clicks, whirs, and hums. Put your finger on a temperature sensor, and it responds by actuating a fan or a buzzer. The more complex sensors often resemble a Rube Goldberg contraption with a digital interface—having autonomous operation and perhaps an ability to broadcast warning messages with an identifying return-address code that pinpoints the originator.

In the early days of ICs, IC temperature sensors were simple DIP devices that measured their own package temperature and generated a proportional output-voltage signal. Applications were easy: You simply ran the analog output signal into a voltage comparator or an A/D converter. Today, a proliferation of new devices provides remote sensing, airflow sensing, and other interesting features. This article surveys the IC temperature sensors available by type and provides guidelines for matching them to applications and making a trade-off among their specifications and features.

A Temp Sensor in Every Bandgap

The ΔVBE bandgap reference is the heart of nearly all IC temperature sensors. First, the term "bandgap" is something of a misnomer: It refers to the bandgap voltage of silicon, which is 1.12V at room temperature. By sheer coincidence, this value nearly equals the magic voltage at which a negative-temperature-coefficient (TC) VBE, summed with a positive-TC-canceling voltage, results in a stable, zero-TC reference.

The forward voltage of a silicon pn junction is

VBE = VG0(1-T/T0)+VBE0(T/T0)+(nKT/q)ln(T0/T)+(KT/q)ln(IC/IC0),

where T is the temperature in degrees Kelvin, VG0 is the semiconductor bandgap extrapolated to absolute zero, VBE0 equals VBE at temperature T0 and corresponding current IC0, K is Boltzmann's constant, q is the charge of an electron, and n is a constant related to the device structure. Evaluating this equation at two current densities gives a simplified expression for the resulting ΔVBE:

ΔVBE = (KT/q)ln(IC1/IC2).

Thus, the difference in forward voltage is directly proportional to temperature. With accurate forcing of the two current levels, you can calculate temperature from a measured ΔVBE almost without regard to the initial forward voltage, physical size of the junction, leakage, or other junction characteristics. This principle underlies one of the most widely used IC cells in history, the Brokaw bandgap reference (Figure 1). You find this design or its close relative as part of the bias-current generator in the startup circuit of nearly every IC ever made—digital or analog.

Figure 1. All bandgap circuitry includes an electronic thermometer. In a MAX675 precision reference, the thermometer is accessible via a package pin. In other devices, it connects to a comparator, forming an emergency thermal-shutdown circuit.

Figure 1. All bandgap circuitry includes an electronic thermometer. In a MAX675 precision reference, the thermometer is accessible via a package pin. In other devices, it connects to a comparator, forming an emergency thermal-shutdown circuit.

The technique calls for forcing different current densities through the two transistors that form the heart of the reference. Though a discrete-component version, the bandgap circuit is similar to monolithic-IC versions. The two transistors operate with a current-density ratio of precisely 16 to 1. As the feedback from precision op-amp IC1 balances the circuit, the resulting VBE voltage is impressed across R1.

As current in R1 flows to ground through R2, the voltage generated at the emitter of Q2 has a positive TC of 2.2mV/°C. Summed with Q2's VBE, this voltage produces a zero-TC voltage at the VREF output terminal. IC2 buffers and scales the positive-TC voltage (VTC) to provide a precise output of 10mV/°C. Thus, most ICs contain a thermometer, but it is often of dubious accuracy and IC designers rarely make it available for external use.

The excessive leakage currents characteristic of silicon pn junctions limits the temperature for IC-based sensors to about 200°C. As a rule of thumb, these currents double with every 10°C rise in temperature. Excessive leakage current causes malfunctions in bandgap references and signal-conditioning circuitry.

Major Classes of IC Temp Sensor

Vendors classify IC temperature sensors according to the input source and output-signaling method. The temperature source to be measured is usually the IC's own package, but you can measure airflow with an on-chip heater that raises the package temperature above ambient, and you can measure remote temperature with a diode-connected transistor. On the output side, analog-output, thermostat-logic-output, and serial-digital-output signaling methods are in widespread use. Table 1 provides a sampling of temperature sensors.

The first IC temperature sensors were basic analog-output devices that generated a voltage or current proportional to temperature. They remain highly useful, especially in designing purely analog systems that can take advantage of the temperature indication's virtually infinite resolution.

Designers commonly use simple logic-output devices to control cooling fans and other thermostat applications. When the package temperature of the sensor crosses a preset threshold, the sensor's logic output changes state. These devices often have connections that let you adjust the threshold temperature and hysteresis band with external resistor dividers. Other devices internally fix the thresholds and hysteresis. These simple chips (for instance, Analog's MAX6501 family) recently became available in small, low-cost packages, such as SOT-23.

IC temperature sensors are most effective when you integrate them as part of an ASIC. Older NiCd battery packs usually have an onboard thermistor—quite cost-effective at less than 25 cents—rather than an IC temperature sensor. Newer lithium-ion battery packs typically integrate the temperature sensor with the pack's protection IC, which also performs overcurrent protection, cell balancing, fuel gauging, and other tasks.

More sophisticated temperature sensors include a serial interface, such as the I²C, SPI, or SMBus, which provides communication with embedded microcontrollers and other digital systems. In a similar trend, more microcontrollers have a built-in serial interface that negates the need to "bit-bang" the interface pins. Dedicated serial interfaces are migrating up the food chain as well. The latest PC chipsets from Intel, for example, have an I/O-controller chip containing a state machine that forms a two-wire SMBus interface.

Table 1. Representative Temperature Sensors.
Device Measures Output Interface Typical Package Comments
Analog Devices AD590 Package temperature Analog current SO-8 Very stable, immune to line-voltage drops in remote sensing, good noise immunity
Analog MAX675, REF-01, LM45, Analog Devices AD22103 Package temperature Analog voltage SO-8 or SOT-23 Often combined with a voltage reference or other building blocks, shunt and buffered-VOUT types available
TMP01, TC620, Analog MAX6502  Package temperature Thermostat logic output SOT-23 Built-in analog comparators, usually with adjustable hysteresis
Dallas Semiconductor DS1621, National Semiconductor, LM75 and LM78, Linear Technology LT1392 Package temperature Serial digital interface SO-8, SO-16 I²C, SPI, SMBus interfaces; sometimes built into large, multifunction A/D-converter ICs
Analog MAX1617 Remote diode junction Serial digital interface 16-pin QSOP SMBus interface; monitors CPU temperatures directly

Serial-Interface Digital Sensors

The applications for which a serial data interface is most useful include CPU clock throttling and fan control. Clock throttling (lowering the clock frequency) is a well-established technique for improving the battery life in a portable system. Lower clock frequency results in lower capacitive switching losses, thus reducing supply current and extending battery life. Designers also use clock throttling to control the heat buildup that occurs when you overwork a blazing-fast desktop or notebook computer.

The power-management system monitors CPU temperature and lowers the clock frequency (perhaps activating a fan as well) when the CPU temperature exceeds a safe limit. A digital interface for the temperature sensor lets you include intelligence in the temperature-control loop, which lets the system apply different combinations of fan speed and clock-throttling in response to overheating in a particular zone. Software control also allows an easy upgrade when you change the system hardware or thermal properties.

The latest—and hottest—CPU chips support clock throttling with an internal pn diode for temperature indication. On-chip diodes are light-years ahead of thermistors and other previous sensors, because diodes directly measure the critical point (the IC substrate) directly without the delay associated with thermal mass in the package and heatsink of an external sensor. Another benefit of this remote-sensing technique is that die-attachment problems or poor heatsinking do not corrupt the measurement.

Most important, temperature-sense diodes eliminate the inaccuracy and uncertainty that result from the sensor's physical location along the path of thermal resistance from CPU to ambient. Designers can increase clock speed and standard benchmark performance right up to the thermal limit without using heavy, overengineered heatsinks or the overly conservative, worst-case performance boundaries necessary to accommodate ambient temperatures found only in the Sahara Desert.

The thermal diodes in new CPUs provide a raw indication of die temperature according to the diode-temperature coefficient of 2.2mV/°C. An A/D converter must process this signal for interpretation by the power-management system. One approach is to bias the diode with a constant current, measure its forward voltage, and compute temperature from the basic 2.2mV/°C TC. But this method carries a disadvantage: Because the initial forward voltage varies with process and device features, you may have to recharacterize the diode for every change in the CPU process or chip design, or even calibrate the diodes individually. The ΔVBE technique is a better method.

Remote ΔVBE CPU Sensor

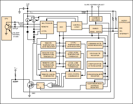
Implementing the ΔVBE method with a remote diode requires an integrating A/D converter, some logic for the math conversion, and a precise current source that switches between two levels with a ratio of perhaps 10 to 1. A monolithic IC, the MAX1617, includes these functions and converts the ΔVBE signal to two-wire serial data (Figure 2). The MAX1617 is useful for CPU temperature measurements, because it senses two temperatures: that of its own package and that of a remote junction, such as the CPU's thermal diode. When you mount it near a critical heat-generating subsystem, such as the cache memory or the AC adapter, the IC simultaneously measures its local temperature and that of the remote CPU.

Figure 2. A serial-interface temperature-sensor IC readily measures remote CPU temperatures via a thermal diode in the CPU. class=

Figure 2. A serial-interface temperature-sensor IC readily measures remote CPU temperatures via a thermal diode in the CPU.

Accurate, low-cost IC sensors permit designers to make multiple remote-package and on-chip temperature measurements to squeeze the maximum performance from their systems. Dynamic adjustment of heat-causing parameters, such as clock speed, allows system operation to continue, even in a hostile temperature environment.

A similar version of this article appeared in the July 2, 1998 issue of EDN.