DC/DCコンバータのコストとサイズを抑える高電圧対応のコントローラ「LTC3892」
はじめに
「LTC3892」は、多くの用途に適用可能なDC/DCコントローラICです。同IC(ならびにそのファミリ製品)は、車載分野や産業分野において広く使用されています。同ICが提供する主なメリットは2つあります。1つは、パワーMOSFETのゲート電圧を調整することによって、電力損失を低減できることです。もう1つは、シャットダウン時の静止電流が3.6µAと非常に少ないことです。入力電圧VINは4.5V~60V、出力電圧VOUTは0.8V~VIN×0.99という高い電圧に対応します。パッケージは32ピンのQFNです。このICを使用すれば、48Vの入力電圧レールを備えるアプリケーションにおいて、高価で大きなトランスから、安価でコンパクトな降圧レギュレータへの置き換えを図ることができます。このように、同ICは、産業分野における非常に魅力的な選択肢となります。また、同ICのような高電圧に対応するコントローラを使用すれば、過渡状態や過電圧に対する外部保護回路が不要になります。設計全体が簡素化されるため、12Vや24Vの入力電圧レールを備える車載アプリケーションにおいて、電子部品のコストを大きく削減できます。
回路の例と機能の概要
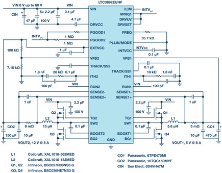
図1に示したのは、LTC3892を使用して構成したデュアル出力の降圧コンバータです。VOUT1の出力は5V/8Aで、VOUT2の出力は12V/5Aです。ILIMピンは電流の検出に使用する電圧値の選択に使用します。また、VPRG1ピンを使えば、出力電圧を3.3Vまたは5.0Vに設定可能です(外付けの抵抗分圧器は不要)。加えて、2つの出力には、それぞれに対応するパワー・グッド・ピンが用意されています。LTC3892は過電圧時に下側のMOSFETをオンにすることによって、両方のチャンネル出力に対する過電圧保護を行います。更に、同ICはフォールドバック電流制限機能も備えており、短絡状態からも保護されます。

図1. LTC3892を使用して構成したデュアル出力のDC/DCコンバータ。VOUT1は5V/8A出力、VOUT2は12V/5A出力です。
1つ目のチャンネルの出力部は、MOSFETのQ1とQ4、インダクタのL1、CO1をベースとする出力フィルタで構成されます。2つ目のチャンネルの出力部は、MOSFETのQ2とQ3、インダクタのL2、CO2をベースとする出力フィルタで構成されます。MOSFETは、一般的なロジック・レベルで制御されるわけではありません。DRVUVとDRVSETの各ピンは、INTVCCに接続されており、10Vのゲート駆動電圧を供給します。VPRG1ピンがINTVCCに接続されていることから、1つ目のチャンネルは5Vを出力します。図2に、このDC/DCコンバータの効率を示しました。この評価結果は、LTC3892のデモ用ボード「DC1998A」を使用して取得しました。

図2. デュアル出力のDC/DCコンバータの効率
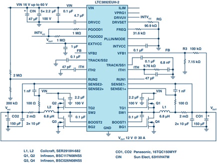
図3に、シングル出力、2フェーズの降圧コンバータの回路図を示しました。この回路では、LTC3892のファミリ製品で、32ピンのQFNパッケージで提供されるDC/DCコントローラ「LTC3892-2」を使用しています。LTC3892と似た機能を備えていますが、2つの保護回路は無効になっています。つまり、過電圧と短絡に対する保護は行われません。LTC3892-2は、保護機能が不要な高電圧対応のバッテリ・チャージャで使用できます。同ICのメリットの1つは、外部クロックと同期をとりながら、パルス・スキップ動作を実行できることです。これにより、負荷が軽い状態にあるときの効率が高まります。

図3. LTC3892-2を使用して構成したシングル出力のDC/DCコンバータ。VOUTは12V/30Aを出力します。
デュアル出力コンバータをシングル出力に変換するために、一方のチャンネルのITH、FB、RUNの各ピンが、もう一方のチャンネルの対応するピンに接続されています。ゲートにおける損失を最小限に抑えるために、抵抗RGをDRVSETピンに接続することにより、DRVCCのゲート電圧として9Vを選択しています。図4に、このシングル出力のDC/DCコンバータの効率を示しました。この特性評価には、LTC3892-2のデモ用ボード「DC2493A」を使用しました。

図4. シングル出力のDC/DCコンバータの効率
最後に、もう1つのファミリ製品「LTC3892-1」を紹介します。このチップはピン数が最も少なく、パッケージとしては28ピンのTSSOPを採用しています。パワー・グッド機能は備えておらず、電流の制限値も選択できませんが、過電流と過電圧に対する保護機能を備えています。
まとめ
LTC3892のファミリ製品は、入出力電圧が高いアプリケーションで効果的に使用することができます。LTC3892とLTC3892-1は、完全に機能するDC/DCコンバータの設計に必要なあらゆる保護機能を備えています。LTC3892-2は、大電力のチャージャ・アプリケーションに対する最適な選択肢となります。