製品概要
製品概要
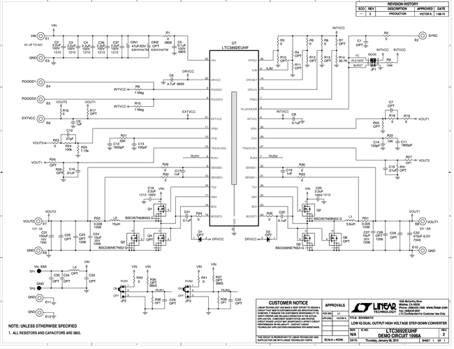
Demonstration circuit 1998A is a high input voltage, high efficiency synchronous dual output buck converter featuring the LTC3892. The DC1998A has a wide input voltage range of 6V to 60V. The output voltages are set to 5V and 12V, however, the output voltage can be set almost as high as the input voltage (≤99% • VIN), with certain modifications. This demo board is capable of delivering up to 8A from the 5V output and up to 5A from the 12V output.
対象となる製品
関連資料
-
DC1998A - Schematic2015/03/09PDF45K
-
DC1998A - Demo Manual2016/05/09PDF311K
-
DC1998A - Design Files2015/03/09ZIP0M
