資料ライブラリ
AN-2010: AD5770R の機能についての追加詳細情報、背景、および例
はじめに
AD5770Rは、6チャンネル、14ビット分解能、プログラマブル電流出力のD/Aコンバータ(DAC)で、フォトニクス制御や電流モード・バイアスなどのアプリケーションで使用されます。このアプリケーション・ノートでは、出力電流範囲、出力電流スケーリング、および温度モニタリングなど、AD5770Rに最も関連する機能について説明します。また、このアプリケーション・ノートでは、単電源構成、最小ヘッドルームと最小フットルーム、および誘導性負荷を駆動するバイポーラ電流構成についても説明します。
AD5770Rの詳細については、AD5770Rのデータシートを参照してください。AD5770Rを使用する場合は、このアプリケーション・ノートと共にデータシートを参照してください。
AD5770Rの主要な機能
単電源を使用した場合のAD5770Rへの給電方法
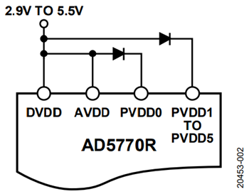
一般的な正側電源をAD5770RのAVDDピン、DVDDピン、およびPVDDxピンに使用すると、最も簡単な方法でこのデバイスに給電できます。このデバイスにおいて、仕様規定されている性能を満たすために必要な電源条件は、DVDDピン電圧(DVDD)とAVDDピン電圧(AVDD)を等しくすることだけです。PVDDxピン電圧(PVDDx)は、AVDD − 0.4V以下でなければなりません。これらの条件から、AVDDピンとDVDDピンを短絡することもできます。PVDDx ≤ AVDD − 0.4Vの条件を満たすためには、図1に示すように、AVDD電源とPVDDx電源の間にダイオードを配置します。この単電源構成では、電源電圧を2.9V~5.5Vの範囲にする必要があり、また、ダイオードのカソード電圧をPVDDxピンで0.8V以上にする必要があります。
ダイオードを選択した場合に考慮すべき主要な仕様は、以下のようになります。
- 順方向の電圧降下(VF)を0.4V以上にする。この仕様に設定し、PVDDx電源を必ずAVDD − 0.4V以下にしてください。
- 順方向電流定格をすべてのIDACx電流(IIDACx)の合計以上にする。ディレーティング係数を全動作温度範囲にわたり80%以下に設定し、余裕を持たせます。
- 動的抵抗を低くする。動的抵抗の低いダイオードを選択し、出力電流の変動に対してPVDDx電源が大きく変動しないようにします。
これらの仕様を考慮すると、順方向電流定格が1AであるDiodes, Inc.のダイオードS1MSWFが使用条件に適しています。S1MSWFのVF値は、順方向電流が非常に小さい場合や、周辺温度が高い場合でもこの条件を満たします。電源の値とダイオードを選択する場合、IIDACx、VF、およびそれらがヘッドルームに及ぼす影響の関連性も考慮する必要があります。IIDACxの設定値を増加させると、VF値が増加し、出力での有効なヘッドルームが減少します。
AD5770RのDC電源電圧変動除去比(PSRR)の性能が17μA/Vであるため、出力電流に対する電源変動の影響を確実に最小限に抑えられます。負荷電流と出力電流の動的な変動によるクロストークの影響を更に低減させるためには、図2に示すように、専用のダイオードを必要な数だけ使用して、それら個々のチャンネルのPVDDxピンを分離します。Diodes, Inc.,のダイオードBAV23Aは、1パッケージに2個のダイオードが内蔵されボード・スペースを節約できるため、更に使用条件に適しています。デカップリング・コンデンサはどの電源構成でも必要で、10μFのタンタル・コンデンサと0.1μFのセラミック・コンデンサを並列に配置することを推奨します。電源に存在する高周波ノイズが低インピーダンス・パスを通ってグラウンドに流れるように、これらのコンデンサをこのパッケージのできるだけ近くに配置する必要があります。不使用のDACチャンネルについては、PVDDxピン、CDAMP_IDACxピン、およびIDACxピンを開放のままにしてもかまいません。
AD5770Rの出力電流範囲、最小ヘッドルーム、および最小フットルーム
図3、図4、および図5にそれぞれ、各種の電流出力チャンネル(IDACx)における有効な出力電流範囲、最小ヘッドルーム、および最小フットルームを示します。
AD5770Rにおける最小ヘッドルームは、出力電流誤差がフルスケール・レンジ(FSR)に対して0.1%以内の場合に、PVDDxとこれに対応するIDACxピン電圧(VIDACx)の間の最小許容電圧差と定義されます。この条件により、所定のIIDACxの設定値に対する最大負荷抵抗が決まります。ダイオード負荷の場合、この条件により、精度を維持しながら直列にロードされるダイオードの最大数が決まります。効率が優先される場合、精度がわずかながら犠牲になりますが、出力電流の設定値を高くしてコンプライアンス電圧を増加させることができます。
最大負荷抵抗を算出するには、図6に示す式を使用します。図7に示す例を使用すると、IDAC0ピンによってソースされる最大電流が250mAの場合、IDAC0ピン(モード0x0)での最小ヘッドルームが450mVであるため、PVDDx = 5Vになります。IDAC0ピンでの最大全負荷抵抗(RLOAD)は、18.2Ω以下にする必要があります。
ダイオード負荷の場合、図8に示す式を使用して、同じVFを持つ同一のダイオードの総数を決定します。IDAC0ピン(モード0x0)を使用し、PVDDxを5Vにすると(図9を参照)、1個のダイオードまたは複数の直列接続されたダイオードによるVFの合計(VF_TOT)は4.55V以下になります。各ダイオードのVFが1.5Vの場合、負荷として同一のダイオードを3個まで使用できます。理想的なダイオードでは、ダイオードの総数(N)は電流に依存しません。使用するデバイスによって決まる実際のVF値に基づいて調整を行う必要があります。また、実際のVF値は、動作温度によって変動することに注意してください。ほとんどのダイオード・メーカーは、この特有のパラメータについての特性をデバイスのデータシートに記載しています。
最小ヘッドルームと最小フットルームは、所定チャンネルの実際の出力電流によって決まります(詳細については、AD5770Rのデータシートを参照)。大きな負荷インピーダンスを有するアプリケーションでは、一般に電源電圧をより高くする必要があります。このようなアプリケーションの場合、電源電圧が最大33Vまで可能なLTC2662を推奨します。
所定の出力電流が流れると、出力電流ドライバの内部抵抗が正の温度係数を持つため、最小ヘッドルームは温度によって増加します。抵抗が増加すると、ドライバ両端の電圧降下が増加し、VIDACxとPVDDxの間の余裕が小さくなります。例えば、25ºCでヘッドルームが約270mVであれば、このデバイスは最大250mAの出力電流をソースできます。グラウンドを基準とした目的の負荷抵抗を使用した場合、式1を使用すると、最小電源電圧を算出できます。IDAC0を電流シンク・モードにした場合、式2を使用すると、最大PVEExピン電圧(PVEEx)を算出できます。


AD5770Rの出力電流スケーリング
図3に示す各出力は、14ビットの単調増加性を維持しながら、最小で公称フルスケール電流範囲の0.5倍に縮小できます。ただし、出力電流スケーリングがサポートされていないIDAC0ピンのモード0x1とモード0x2を除きます。
出力電流スケーリングは、出力スケーリング・レジスタに必要な値をロードすることによって行います。新たに調整されるフルスケール電流範囲は、以下の式を使用して指定できます。

ここで、
IADJは、調整後のフルスケール出力電流、
INOMは、公称フルスケール出力電流、
xは、出力スケーリング・レジスタにロードされるコードで、0 ≤ xです。
式3のxの値を算出するには、以下の式を使用します。

IDAC0ピン(モード0x0)を使用した場合で、公称フルスケール出力電流が300mAである例を示すと、フルスケール出力電流を225mAに調整するために必要なコードは、x = 32になります。フルスケール出力電流を最低の150mA(公称値のちょうど2分の1)に調整するために必要なコードは、x = 64になります。
図10に示すように、xの値が増加すると、IADJは減少します。ゼロ・スケール出力電流は、すべての場合で常に0mAになります。
温度モニタリングと考慮事項
AD5770Rは、温度の代表としてMUX_OUTピンでの出力電圧を介して、デバイス内部のダイ温度をモニタリングします。内部ダイ温度をモニタリングするには、最初に内部マルチプレクサを設定し、次に内部ダイオードのバイアス電流を選択します。内部ダイオードは、温度センサーとして動作します。外部バイアス電流を使用する場合は、マルチプレクサ(MUX)バッファをバイパスさせてからバイアス電流源をイネーブルします。この機能におけるMUX_OUTピン設定の詳細については、AD5770Rのデータシートを参照してください。図11に、内部ダイ温度のモニタリングに注目したMUX_OUT部の簡略ブロック図を示します。
バイアス電流には、内部バイアス電流、100μAの外部バイアス電流、および200μAの外部バイアス電流という3つのオプションがあります。使用するバイアス電流に応じて、ºC単位の等価温度を以下のいずれかの式で表すことができます。

ここで、
Tは、内部バイアス電流を使用した場合のダイ温度、
VDは、ダイオードの電圧です。

ここでTは、100μAの外部バイアス電流を使用した場合のダイ温度です。

ここでTは、200μAの外部バイアス電流を使用した場合のダイ温度です。
内部ダイ温度が警告制限(120ºC)またはシャットダウン温度制限(145ºC)を超えた場合に、アプリケーション・システムに対してフラグを立てるために、AD5770Rは過熱警告と過熱シャットダウン・アラート機能を備えています。過熱アラート機能では、過熱からデバイスを保護するために出力電流段をシャットダウンするように設定することもできます。
AD5770Rの内部ジャンクション温度(TJ)は、周辺温度(TA)を用いて以下の式で概算できます。

ここで、
θJAは、ジャンクションから周辺への熱抵抗です。
PDISSは、消費電力です。
式8を変形すると、最大消費電力(式9を参照)または最大周辺温度(式10を参照)を概算できます。銅プレーンとビアを追加実装し、これらをデバイスと直接接続することによって最大動作周辺温度と消費電力を改善できます。ヒートシンクをケースの上部に実装することもできます。どちらの方法も表面積が増加するため、高速に放熱できます。


バイポーラ電流源と誘導性負荷
ローレンツ力で駆動されるマイクロマシン(MEMS)アクチュエータは、小さな電圧(3.3Vまたは5V)で大きな変位を得られるため、優位性があります。この合力(変位)は、磁界の磁束密度と、可動部を通過する電流量によって決まります。磁束密度が一定ならば、アクチュエータ電流を加減すると変位が変わります。図12に、電流と変位の関係を示します。
アクチュエータを両方向に移動できるようにするため、MEMSアクチュエータにはバイポーラ駆動電流が必要です。IDAC0ピンだけが電流をソースおよびシンクすることができます。図13に示す回路は、電流のソース機能だけを持つ他のチャンネルでも実装できます。この回路は標準的なHブリッジです。スイッチS1とスイッチS4が閉じられているとき、スイッチS2とスイッチS3を開くと、電流がMEMSアクチュエータの左から右に流れます。スイッチS2とスイッチS3が閉じられているとき、スイッチS1とスイッチS4を開くと、電流がMEMSアクチュエータの右から左に流れます。これら2つの組み合わせにより、バイポーラ電流がアクチュエータを通って流れます。MEMSアクチュエータが誘導性であるため、出力の安定性を確保するためにIDACxピンに補償コンデンサ(CCOMP)が必要になる場合があります。IDACxピンとAGNDピンの間に22nFのコンデンサを配置すると、10μHの負荷の安定性を確保できます。なお、この容量性部品を配置すると、出力のセトリング時間が長くなる可能性があることに注意してください。












