AN-1399: RS-485 の性能向上長距離フィールドバスケーブル向けに最適化したレシーバーのフェイルセーフ、ヒステリシス、コモンモード電圧範囲およびゲイン帯域幅
はじめに
産業オートメーション用プログラマブル・ロジック・コントローラ(PLC)の通信ポートは、通常、RS-485 インターフェースを使用しますが、場合によっては大きな同相ノイズ、接地電位差、誤配線欠陥、高電圧トランジェントなどが障害となることがあります。こうした障害は特に、複数のRS-485 のノードをつなぐ長距離のケーブル全体にわたってデータ通信を劣化させたり、RS-485 インターフェースに回復不可能な損傷を与える原因となる場合があります。
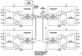
図 1 に、配線長 1000 m に及ぶフィールドバス通信を伴うRS-485 のロバストな通信ネットワークを示します。
ADM3095E を用いることで、バス電源への高電圧フォルトやIEC61000-4-5 規格のサージのような電磁両立性(EMC)トランジェントに対して、ロバストな保護が可能となります。
ADM3095E データシートおよびEVAL-ADM3095EEBZ 評価用ボードのユーザ・ガイドに、ADM3095E のEMC 特性についての概要を示します。
さらに、ADM3095E のコモンモード入力電圧範囲は±25 V に拡張されているので、2 素子以上のADM3095E のRS-485 グラウンド(GND)ピンの間での電位差を±25 V にすることができます。
±25 V のコモンモード入力電圧範囲でのRS-485の性能向上
RS-485 通信インターフェースの規格である米国電気通信工業会(TIA)/米国電子工業会(EIA)-485-A 規格では、-7 V から+12 V のコモンモード入力電圧範囲にわたりバスドライバの差動電圧が少なくとも+1.5 V となるようにトランシーバー動作を規定しています。
ADM3095E は、TIA/EIA-485-A 規格に準拠あるいはこれを上回る特性を保ちながら、+3 V から+5.5 V の範囲の電源電圧に対し±25 V に拡張したコモンモード入力電圧範囲を提供します。コモンモード入力電圧範囲を±25 V に拡張することで、ケーブル長が長くRS-485 トランシーバー間の接地電位が大きく異なるような場合において、システムのロバスト性が向上します。このアプリケーション・ノートは、±25 V に拡張したコモンモード入力電圧範囲でADM3095E のRS-485 特性を向上できることを示します。
また、ケーブルがシステムの通信特性に及ぼすAC およびDC的な影響について、商用ビル通信配線規格TIA/EIA-568-B.2 に合致するか否かを検証します。「データ・レートとケーブル長」の項では、ケーブルのDC特性が支配的となる低データ・レートかつ長距離ケーブル向けに最適化したADM3095E レシーバーについて説明します。特に、低データ・レートで±200 mV のレシーバー差動入力電圧で確実に動作できることがRS-485 アプリケーションでは一般に求められていることに重点を置き、ADM3095E のレシーバーのゲイン帯域幅について説明します。
「フェイルセーフとヒステリシス」の項では、ADM3095E レシーバーのフェイルセーフとヒステリシスの特徴について説明します。ADM3095E では、バス・アイドル・フェイルセーフとオープン回路フェイルセーフと短絡フェイルセーフが、フェイルセーフの特徴を構成する性能の3 要素です。フェイルセーフの特徴を成すこれらの要素は、長距離配線でのノイズ耐性を改善するために加えられたレシーバー・ヒステリシスを利用して、±25 V のコモンモード入力電圧範囲全体にわたって保証されています。
RS-485 通信ネットワーク
長距離のRS-485 バスケーブルの駆動
長距離ケーブルで RS-485 トランシーバーを使用する場合、ケーブルの品質、仕様、ケーブル長がRS-485 信号に及ぼす影響など、多くの要因が重要となります。
RS-485 フィールドバスで使用するデータ・レートが高い場合は、ケーブルのAC 効果が支配的であり、RS-485 フィールドバス・アプリケーションは通常100 m 以下の短いケーブル長に限定されます。ケーブルのDC 抵抗が支配的になる低データ・レートでは、ケーブル長を1200 m まで延ばすことが可能です。フィールドバスで使用するRS-485 トランシーバーのタイミング特性により、通信の信頼性を向上させることができます。ADM3095E レシーバーの動作特性は、低データ・レートかつ長距離ケーブル向けに最適化されています。
データ・レートとケーブル長
TIA/EIA-485-A 規格では、これに準拠するRS-485 ドライバは、最小でも1.5 V の差動電圧振幅VOD を発生させるよう規定しています。またTIA/EIA-485-A 規格では、これに準拠するRS-485レシーバーは、±200 mV の入力差動電圧VID で確実に動作するよう規定しています。
長距離ケーブルのアプリケーションでは、RS-485 のバス電圧はドライバ・ノードのVOD とレシーバー・ノードの VID との間でDC 的に1.3 V も減衰する場合があります。
これより短いケーブル長のアプリケーションでは、RS-485 レシーバーはRS-485 ドライバの発生した振幅の大部分を受信でき、この信号のDC 的な減衰はさほど問題となりません。
TIA/EIA-568-B.2 規格では、ケーブルからRS-485 の信号品質へのAC およびDC的な影響に関する背景知識が提供されています。要求されるRS-485 のトランシーバー特性およびRS-485 のレシーバー特性が、ケーブルによる影響に基づいて検討されています。
挿入損失と信号減衰
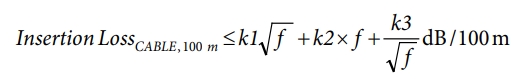
カテゴリ5e ケーブルの任意の周波数での挿入損失を計算するには次式を使用します。図2 では次式(TIA/EIA-568-B.2 規格に記載)とTIA/EIA-568-B.2 規格の表4 および表5 に示された数値を使用しています。

ここで
k1、k2、k3 はケーブルの挿入損失公式に用いる定数。f はカテゴリ 5e ケーブルのデータ伝送周波数。最大データ・レートをケーブル長の関数として決定するには、図2 を参照します。例えば、データ・レート20 MHz、ケーブル長100 m の場合、ケーブルの減衰量は-9 dB となります。
20 MHz で-9 dB の減衰をベースラインとするならば、1 MHz のデータ・レートでケーブルの減衰量は-2 dB となり、これは約450 m のケーブル長に対応します。
RS-485 データシートに示されている減衰パラメータは、データ・レートとケーブル長の関係を見積もる際にも使用することができます。例えば、PROFIBUS®アプリケーション向けのBelden 3079A ケーブルの最大減衰量の仕様は、表1 に示すとおりです。
| Frequency (MHz) | Attenuation (dB) per 100 m |
| 0.2 | 1.1 |
| 4.0 | 2.65 |
| 16.0 | 5.4 |
図 2 ではデータ伝送のための理想的なケーブル状態を仮定しています。しかし、クロストーク損失や他の現実的な損失もTIA/EIA-568-B.2 規格では詳細に検討されています。表2 では、理想的なケーブルのパラメータと、現実のケーブル特性がシステムの通信の完全性に及ぼす影響がまとめられています。
| Ideal Cable Conditions | Implications of Nonideal Cable Conditions on System Performance |
|
No External Noise Interference on the RS-485 Cable Network |
ノイズ源になり得るものが、システムの信頼性と実効的なデータ・レートの低下の原因となる場合がある。ADM3095E データシートには、IEC61000-4-2 静電気放電(ESD)、IEC 61000-4-4 電気的ファースト・トランジェント(EFT)、IEC 61000-4-5 サージのような一般的なシステムノイズ源や高電圧トランジェントに対する背景知識が記載されている。ADM3095E データシートおよびEVAL-ADM3095EEBZ 評価用ボードのユーザ・ガイドには、過酷なEMC 環境でのADM3095E の特性が記載され、その特徴が明示されている。 |
|
Little or No Timing Skew Introduced by Differences Between the Two Wires in a Twisted Pair Cable |
データ出力の過剰なスキューはシステムのデータ・エラーの原因となり得る。TIA/EIA-568-B.2 規格では、カテゴリ5e ケーブルの伝播遅延スキューはケーブル長100 m あたり45 ns を超えてはならないと規定されている。 |
|
Zero Crosstalk Between the Twisted Cable Pair |
クロストークはRS-485 トランスミッターとレシーバー間の不要な信号カップリングの尺度であり、ケーブルの近端と遠端で測定する。TIA/EIA-568-B.2 規格では、多くの経験的かつ統計的モデルを提供しており、これによりクロストークのシステムに及ぼす負の影響の度合いを予測できる。ケーブルにシールドを付加することで、クロストークを低減し、S/N 比(SNR)を改善できる。 |
| DC Balanced Data Transfer | 特に長距離ケーブルの場合、過剰な直流不平衡は信号の完全性に影響を与える。TIA/EIA-568-B.2 規格では、直流抵抗不平衡の最大値を、任意の一対の導体間で5 % という指針を与えている。 |
| Point to Point RS-485 Cable Links, with No Cable Stubs | ケーブル・スタブが長い場合、著しいインピーダンス・ミスマッチを引き起こし、信号の反射やデータ・エラーの原因となる。ポイントto ポイントリンクを採用することで、実効データ・レートを増加できる。 |
TIA/EIA-568-B.2 規格に記載されている障害に加えて、システム設計者は特定のケーブル長で可能なデータ・レートを決定する際に、タイミングおよびデータ・プロトコルの問題を考慮しなくてはなりません。RS-485 バス・シグナルで使用される符号化のスキームとデータ・パターン、例えば、疑似ランダム・ビット・シーケンス(PRBS)のランダム・データは、符号間干渉に影響を及ぼしデータ・エラーを引き起こす可能性があります。データ伝送時のアイドル・タイムのようなプロトコルの要求が、実効的な伝送データ・レートを低減させることもあり得ます。
システム試験を行って信頼性の高い伝送レートを決定する場合、伝送信号および受信信号においてシステムのジッタ、伝播遅延、スキューを考慮する必要があります。TIA/EIA-568-B.2 規格では最大許容伝播遅延および最大許容スキューを定めています。例えば、周波数1 MHz では、ケーブル伝播遅延の最大許容値はケーブル長100 m あたり570 ns、最大許容スキューはケーブル長100 m あたり45 ns です。
このような現実の諸問題を考慮して、図3 ではデータ・レートに対するケーブル長を短めに見積もった結果を示しています。
ケーブル長とDC 抵抗
長いケーブル長でポイントto ポイント・リンクを行う場合、ケーブルのDC 抵抗の影響と求められるRS-485 トランシーバー特性を検討する必要があります。
図 3 のグラフにおける平坦部は長距離、低データ・レート伝送の場合に対応するもので、ケーブルの抵抗損失に起因します。TIA/EIA-568-B.2 規格では、どの伝導体のDC 抵抗もASTMD4566 規格に従って測定し、温度20 ℃もしくはこれに換算した温度で、100 m(328 ft)につき、9.38 Ω を越えてはならないとされています。
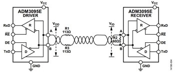
ADM3095E を1200 m という長いケーブル長で使用すると、最大113 Ω のDC 抵抗負荷をADM3095E のRS-485 ドライバ出力に与えることになります。1200 m のケーブルをポイントto ポイントのRS-485 ケーブル・リンクに使用する場合について、図4と表3 にADM3095E のドライバ・ノードでのドライバ差動電圧振幅VOD と ADM3095E のレシーバー・ノードでのレシーバー入力差動電圧VID に対する状況を 3 通り示します。R2 の60 Ω の終端抵抗は、長さ1200 m のケーブルの両端を120 Ω の抵抗で並列に終端することを簡略化して示したものです。
表 3 はRS-485 レシーバーが±300 mV という低い入力差動電圧レベルで確実に動作可能である必要があることを示しています。実際、RS-485 通信インターフェースに対するTIA/EIA-485-A 規格では、トランシーバーはさらに厳しい±200 mV というレシーバー入力電圧で動作するよう定めています。
| Pin A (V) at Driver | Pin B (V) Driver | Driver Output Differential Voltage (V), VOD | Receiver Input Differential Voltage (V), VID |
| 5.0 | 0 | 5.0 | ±1.05 |
| 2.1 | 0 | 2.1 | ±0.44 |
| 1.5 | 0 | 1.5 | ±0.31 |
レシーバーのゲイン帯域幅
図5 にVID が ±600 mV、データ・レートが2.5Mbps の場合について、+25 V のコモンモード入力電圧でのレシーバー特性の測定結果を示します。この測定の設定では、ADM3095E は図 3 に示した要求特性を十分に上回ります。実際の応用においては、2.5Mbps という高いデータ・レートで動作する場合に、バスの差動電圧が± 600 mV と小さいことはまずありません。
図 6 にADM3095E レシーバーのゲイン帯域幅を示します。これは、トランシーバー動作の際のデータ・レートとレシーバー入力差動電圧の関係を示したものです。ケーブル長が長い場合、使用されるデータ・レートは低く、0.25 Mbps 以下のこともあります。0.25 Mbps のデータ・レートの場合、図6 によれば、ADM3095E レシーバーは±200 mV のレシーバー入力差動電圧で安定的に動作することがわかります(この差動電圧はRS-485 通信についてTIA/EIA-485-A 規格が定める最小レベルです)。
ケーブル長 100 M での2.5 MBPS の信号品質
図 7 にノード数が2 のネットワークで動作するADM3095E について信号品質を測定した結果を示します。データ・レートは2.5Mbps で、長さ100 m のUNITRONIC® PROFIBUS ケーブルを使用しています。ADM3095E TxD 信号は送信ノードで測定し、RS-485 A およびB バス信号は長さ100 m のケーブルの終端にある受信ノードで測定します。信号測定用のオシロスコープは無限残光に設定し、A およびB のバス信号にケーブルから加えられたジッタの影響を示すようにしています。図7 から、100 m のケーブルが付加されたことによる信号ジッタと減衰は、ADM3095Eレシーバー・ノードでのRxD 信号のデータ・エラーの原因とはならないことがわかります。この標準的な試験測定では、ケーブルの効果で付加されたジッタは5 % 未満、ケーブルでの減衰によるRxD のパルス幅変動は3 % 未満です。
フェイルセーフとヒステリシス
バス・アイドル、オープン回路、短絡回路に対するフェイルセーフ
ADM3095E は真にフェイルセーフな特徴を備えており、バス・アイドル、オープン回路、短絡回路に対して、レシーバー入力のコモンモード電圧範囲±25 V 全域でレシーバーはロジック・ハイを出力します。
オープン回路フェイルセーフでは、RS-485 A ピンおよびB ピンが切断された場合、終端抵抗や他のノードの存在なしに、ADM3095E レシーバーはロジック・ハイを出力します。この特徴は全てのアナログ・デバイセズのRS-485 トランシーバーに備わっています。ADM3095E のA ピンには内部プルアップ抵抗があります。A ピンが断線するかフローティングになった場合、このプルアップ抵抗がA ピンを-30 mV より高い電位に引き上げます。ADM3095E のB ピンにはプルダウン抵抗があります。B ピンが断線するかフローティングになった場合、このプルダウン抵抗がB ピンを-200 mV より低い電位に引き下げます。この状況ではA ピンの電位はB ピンより高く、このため、バス差動電圧がハイとなり、レシーバーの出力ロジックは常にハイとなります。
短絡回路フェイルセーフでは、2 つのノードがバスを互いに反対のレベルにドライブするか、またはバスラインが互いに短絡した場合に、ADM3095E レシーバー出力がハイとなることを担保します。
バス・アイドル・フェイルセーフはより複雑で、どのノードもRS-485 バス上の信号を駆動していない場合に、ADM3095E レシーバー出力をロジック・ハイとします。このフェイルセーフには主な方法が2 つあります。1 つ目は、レシーバー閾値をTIA/EIA-485-A RS-485 規格の+200 mV ではなく-30 mV にオフセットしたフェイルセーフRS-485 トランシーバーです。アナログ・デバイセズのRS-485 トランシーバーには、バス・アイドル・フェイルセーフとともに、短絡フェイルセーフ機能も備わっています。2 つ目の方法は、プルアップ抵抗とプルダウン抵抗をバス上で使用して最小の差動電圧を確保することで、これはアクティブ終端または電源終端とも呼ばれます。必要な抵抗値は供給電圧とバスの負荷によって計算し、これには終端抵抗とレシーバー・インピーダンスが含まれます。
RS-485 トランシーバーではレシーバー素子の不安定状態や振動状態が防止されていることを、TIA/EIA-485-A RS-485 規格は推奨しています。レシーバー・ヒステリシスによってレシーバーの安定性を向上でき、ノイズ耐性のある測定が可能となります。このことは、長距離のケーブル伝送やフィールドバス環境が厳しい場合に特に重要となります。
ADM3095E データシートの仕様を見ると、標準的なレシーバー・ヒステリシス(ΔVTH)は30 mV、レシーバー差動入力閾値電圧(VTH)は、±25 V の入力コモンモード電圧範囲全域で-200mV から-30 mV であることがわかります。このVTH とは、レシーバー出力(VOC または VOH)がハイからローへ、あるいはローからハイへ変化する際の閾値のことです。
ΔVTH は実質的にハイからロー(図8 のVOL)に変化する際のVTH と、ローからハイ(図 8 のVOH)に変化する際のVTH との差です。VTH 付近の電位のノイズに起因してレシーバー出力でのロジック・ハイとロジック・ローの間の意図しない遷移が発生することを、ΔVTH によって防止できます。








