AN-1311: 複雑な電源シーケンシングの簡単な実現方法
はじめに
マイクロコントローラ、フィールド・プログラマブル・ゲート・アレイ(FPGA)、デジタル・シグナル・プロセッサ(DSP)、A/D コンバータ(ADC)、さらに複数の電圧レールで動作するその他のデバイスには、電源シーケンシングが必要です。通常これらのアプリケーションでは、デジタル入出力(I/O)電源より前にコアとアナログ・ブロックの電源を入れる必要があります。ただし、一部の設計ではそれ以外のシーケンスが必要になることがあります。パワーアップおよびパワーダウンのシーケンシングを正しく行えば、ラッチアップによって直ちに生じる損傷や、静電放電(ESD)により長期的に進行する損傷を避けることができます。さらに、電源シーケンシングを行うと、パワーアップ時の突入電流の発生タイミングをずらすことができます。これは、電流が制限された電源で動作するアプリケーションでは特に有効な手法です。
このアプリケーション・ノートでは、ディスクリート部品を使用して電源シーケンシングを行うことの利点と欠点について述べ、ADP5134 の内部高精度イネーブル・ピンを使用してシーケンシングを実現する、シンプルでかつ効果的な方法を示します。このデバイスでは、2個の1.2A 降圧レギュレータと2 個の300mA 低ドロップアウト(LDO)レギュレータが組み合わされています。このアプリケーション・ノートでは、より正確で柔軟なシーケンシングを必要とするアプリケーションに有効な、シーケンサIC についても解説します。
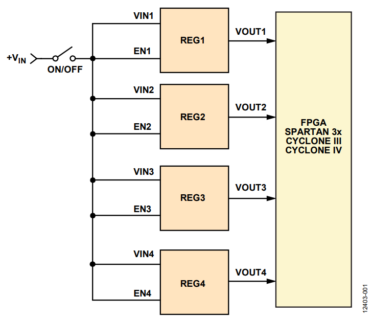
複数の電源レールを必要とするアプリケーションの一例を図1 に示します。これらのレールはコア電源(VCCINT)、I/O 電源(VCCO)、補助電源(VCCAUX)、およびシステム・メモリ電源です。

図1. プロセッサおよびFPGA の標準的な電源投入方法
たとえば、Xilinx® Spartan-3A FPGA には、デバイスがコンフィギュレーション可能な状態になる前にすべての電源が確実にその閾値に達するようにする、パワーオン・リセット回路が組み込まれています。パワーオン・リセット回路は電源シーケンスに関する厳しい要件を緩和しますが、突入電流を最小限に抑えて、FPGAに付属する回路のシーケンシング要件を満たすには、VCCINT の次にVCCAUX、さらにその次にVCCO の順番で電源レールをオンにする必要があります。一部のアプリケーションでは特定のシーケンスに従う必要があるので、該当するデータシートに記載の電源要件を必ず参照してください。
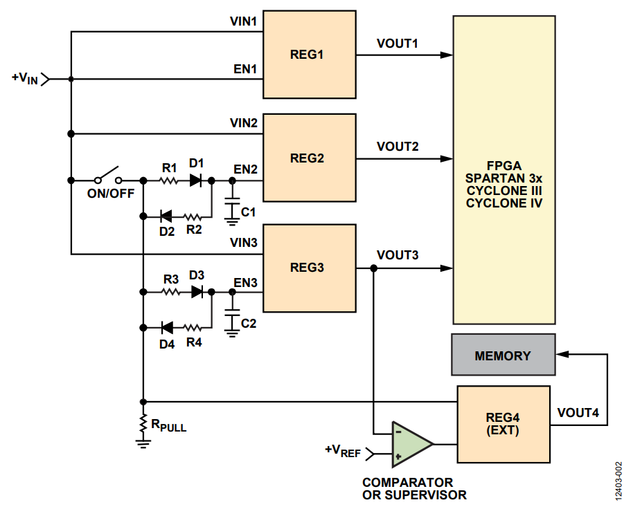
受動遅延ネットワークを使用したシンプルな電源シーケンシング
電源シーケンシングを行うシンプルな方法の1 つは、図2 に示すように抵抗、コンデンサ、ダイオードなどの受動素子を使い、レギュレータのイネーブル・ピンへ向かう信号を遅延させることです。スイッチを閉じると、D1 は導通しますがD2 は導通しません。C1 が充電され、EN2 の電圧がR1 とC1 によって決まる速度で上昇します。スイッチを開くと、C1 はR2、D2、RPULLを通してグラウンドに放電します。EN2 の電圧は、R2、RPULL、C1 によって決まる速度で低下します。R1とR2 の値を変えると充電時間と放電時間が変わるので、これによってレギュレータのターンオン時間とターンオフ時間を設定できます。

図 2. 抵抗、コンデンサ、ダイオードを使用した電源シーケンシングの例
高精度のシーケンシングを必要としないアプリケーションには、この方法が有効です。遅延信号で十分なアプリケーションに必要なのは、外付けの抵抗とコンデンサだけです。標準的なレギュレータでこの方法を使用する場合の欠点は、イネーブル・ピンのロジック閾値が電圧と温度によって大きく変わることです。さらに、電圧ランプの遅延は、抵抗とコンデンサの値と許容誤差に依存します。標準的なX5R コンデンサでは、–55~+85℃の温度範囲に対して約±15%の変動があり、DC バイアスの影響によってさらに±10%が加わります。このためタイミングの精度が下がり、場合によっては信頼性が失われることもあります。
シーケンシングを容易にする高い精度
精度の高いタイミング制御のために安定した閾値レベルを実現するには、ほとんどのレギュレータに外付けの電圧リファレンスが必要です。ADP5134 は、高精度リファレンスを内蔵することによってこの問題を解決し、コストとプリント基板(PCB)面積を大幅に削減します。レギュレータには、それぞれ独立したイネーブル入力があります。
イネーブル入力の電圧がENx ピンの上限閾値(VIH_EN[最小0.9V])を超えると、デバイスはシャットダウン状態を終了し、ハウスキーピング・ブロックがオンします。レギュレータはまだ作動しません。イネーブル入力の電圧は、高精度の内部リファレンス電圧(標準0.97V)と比較されます。イネーブル・ピンの電圧が高精度イネーブル閾値を上回るとレギュレータが動作を開始し、出力電圧が上昇し始めます。リファレンスの変化は、入力電圧コーナーおよび温度コーナーに対してわずか±3%です。この小さい変動範囲によって高精度のタイミング制御が保証され、ディスクリート部品の使用に伴う問題を解決します。
イネーブル入力の電圧がリファレンス電圧を 80mV(標準)下回ると、レギュレータが動作を停止します。すべてのイネーブル入力の電圧がENx の下限閾値(VIL_EN[最大0.35V])を下回ると、デバイスはシャットダウン・モードになります。このモードでの消費電流は1μA 未満です。図3 と図4 は、ADP5134 のBUCK1 の高精度イネーブル閾値の精度と温度の関係を示したグラフです。

図 3. 高精度イネーブル・ターンオン閾値と温度の関係、10 サンプル

図 4. 高精度イネーブル・ターンオフ閾値と温度の関係、10 サンプル
抵抗分圧器を使用したシンプルな電源シーケンシング
マルチチャンネル電源は、図5 に示すように、1 つのレギュレータの出力を減衰させた電圧を、その次に電源を入れるレギュレータのイネーブル・ピンに接続することによって、シーケンシングを行うことができます。この場合レギュレータは、BUCK1、BUCK2、LDO1、LDO2の順番でターンオンまたはターンオフされます。EN1をVIN1 に接続した後のパワーアップ・シーケンスを図6 に示します。図7 は、EN1 をVIN1 から遮断した後のシャットダウン・シーケンスです。

図 5. ADP5134 でのシンプル・シーケンシング

図 6. ADP5134 のスタートアップ・シーケンス.

図 7. ADP5134 のシャットダウン・シーケンス
シーケンサIC によるタイミング精度の改善
場合によっては、高精度のタイミングを実現するほうが、PCB 面積やコストの削減より重要なことがあります。このようなアプリケーションには、ADM1184 クワッド電圧モニタ(電圧および温度変化に対する精度±0.8%)のような電圧モニタリングおよびシーケンサICを使用することができます。もう1 つの選択肢がプログラマブル・タイミングのADM1186 クワッド電圧シーケンサおよびモニタです。このデバイスは、パワーアップおよびパワーダウン・シーケンスを、より高い精度で制御することが求められるアプリケーションに有効です。
たとえば、ADP5034 4 チャンネル・レギュレータには、2 個の3MHz 1200mA 降圧レギュレータと、2 個の300mA LDO が組み込まれています。標準的なシーケンシング機能は、ADM1184 を使用し、1 つのレギュレータの出力をモニタして、モニタしている出力電圧が一定のレベルに達した時点で、次のレギュレータのイネーブル・ピンに「ハイ」ロジック信号を送ることによって実装できます。この方法(図8)は、レギュレータに高精度のイネーブル機能がない場合に使用できます。

図 8. ADM1184 クワッド電圧モニタを使用したADP5034 4 チャンネル・レギュレータのシーケンシング
結論
ADP5134 高精度イネーブル入力を使用するシーケンシングはシンプルな上に実装が容易で、必要なのは1 チャンネルあたり2 個の外付け抵抗だけです。また、ADM1184 またはADM1186 電圧モニタを使用すれば、より高い精度のシーケンシングを実現できます。
参考資料
Xilinx DS529 Spartan-3A FPGA Family Data Sheet. Xilinx, Inc., 2010.
さらに、電源管理のウェブページと 電源管理/シーケンシングのウェブページにも詳細が示されています。