目的
今回は、負帰還システムのループ・ゲインを測定する方法を説明します。負帰還システムとしては、オペアンプで構成した反転増幅回路を例にとります。アナログ・デバイセズのアクティブ・ラーニング・モジュール「ADALM2000」のネットワーク・アナライザ機能とトランスを使用し、電圧重畳法(電圧注入法)を適用して測定を行います。
背景
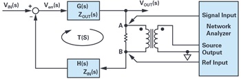
制御アプリケーションでは、負帰還システムがよく使用されます。図1に、シンプルな負帰還システムの例を示しました。

このシステムの出力電圧は、次式にように入力電圧に関連づけられます。

これはクローズドループの伝達関数です。式中のT(s)はループ・ゲインと呼ばれます。これはループ上のすべてのゲインの積であり、図1の例の場合、T(s) = G(s)×H(s)となります。
ループ・ゲインを利用し、ナイキストの安定判別法を適用すれば、ゲインと位相余裕の測定結果を基に、クローズドループ・システム全体の安定性を判定することができます。
システムのループ・ゲインは、システムの数学的モデルから導き出すことができます。ただ、そうしたモデルでは、現実のシステムで生じる寄生成分や不要な成分の影響をすべて網羅できるわけではありません。そのため、設計の過程で負帰還システムのループ・ゲインを実際に測定できれば非常に便利です。
ループ・ゲインの測定
負帰還システムのループ・ゲインを測定する方法としては、電圧重畳法が挙げられます。では、この手法を実際に適用するにはどのようにすればよいのでしょう。また、正確な結果を得るためには、どのような点に配慮すればよいのでしょうか。以下、これらについて詳しく説明します。
最初に気を配るべきことは、電圧の重畳に使用するトランスとして適切な製品を選択することです。例えば、アナログ・パーツ・キット「ADALP2000」に含まれる「HPH1-1400L」(Coilcraft製)のような製品を選択すれば、システムの帰還ループの適切な個所にテスト用の電圧を注入することが可能になります。そうすれば、ネットワーク・アナライザ(ADALM2000のネットワーク・アナライザ機能)を使って、ループの応答を適切に測定することができます。
図2に、電流重畳法を使って帰還システムのループ・ゲインを測定するためのテスト環境を示しました。ご覧のように、帰還ループにおける電圧の注入個所には、値の小さい抵抗(以下、注入抵抗)を挿入しています。この注入抵抗の両端にトランスの2次側の巻き線を接続し、テスト用の電圧を印加します。このような方法を使えば、システムのDCバイアス動作点を変動させることなく、テスト用の電圧を重畳することができます。

電圧プローブを使用し、ネットワーク・アナライザの信号入力とリファレンス入力を注入抵抗の各端に接続します。ループ・ゲインは、A点とB点の間の複素電圧を測定することによって求められます(以下参照)。

ここで、T(s)は最終的な測定結果となるループ・ゲイン、VSIG(s)とVREF(s)はネットワーク・アナライザで測定された電圧です。
最終的な測定結果となるループ・ゲインT(s)は、次の2つの条件を満たしている場合、実際のループ・ゲインとほぼ等しくなります。【条件1】
帰還ループから前方を見たインピーダンス(ブロックH(s)のZIN(s))が、注入個所から後方を見たインピーダンス(ブロックG(s)のZOUT(s))よりかなり大きい。

【条件2】
上記2つのインピーダンスと測定したループ・ゲインが以下の関係を満たす。

これらの条件を満たすように、注入個所を適切に選択することが重要です。
通常、オペアンプの出力はインピーダンスが低いため、上記の条件1を満たすことができます。また、オペアンプの入力はインピーダンスが高いので、こちらも条件1を満たす適切な個所になります。
条件2は、特にループ・ゲインの測定結果が小さい場合には、確認が難しくなります。クロスオーバー周波数より高い領域の測定結果については、かなり慎重に確認する必要があります。
注入電圧を大きな値に設定すると、飽和や非線形性などが生じて測定結果に影響が及ぶ可能性があります。したがって、注入電圧の値は、できるだけ小さく保つべきです。
注入抵抗の値は、比較的小さく抑えていれば、測定結果に直接影響が及ぶことはありません。50Ω以下が望ましい値だと言えます。
それ以外に、ループ・ゲインの測定に影響を及ぼす要因としては、トランスの周波数応答とネットワーク・アナライザのダイナミック・レンジが挙げられます。本稿では、トランスとしてHPH1-1400Lを使用します。これであれば、10kHz~5MHzの範囲で有効な周波数応答が得られるはずです。低い周波数領域のループ応答を測定するには、インダクタンスがかなり大きいトランスが必要になります。「T1-6T」(Mini-Circuits製)や「WB1010」(Coilcraft製)などのトランスは、HPH1-1400Lと同様に広い帯域に対応します。以下では、ADAPL2000に含まれる3種のオペアンプを使用し、帰還抵抗の比(H(s))によってゲインが決まる反転増幅回路を構成します。上に挙げた3種のトランス製品のうちどれを選択したとしても、それらの反転増幅回路におけるユニティ・ゲイン(0dB)付近のループ応答を問題なく測定できます。
準備するもの
- ADALM2000
- ソルダーレス・ブレッドボードとジャンパ線のキット
- 抵抗:10Ω(2個)、100Ω(1個)、1kΩ(2個)、10kΩ(1個)
- オペアンプ:OP27(1個)、OP37(1個)、OP97(1個)
- トランス:HPH1-1400L(1個)
- コンデンサ:0.1μF(2個、電源VpとVnのデカップリングに使用)
説明
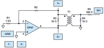
図3に示すようなテスト環境を構成します。オペアンプには忘れずに電源を供給してください(7番ピンに5V、4番ピンに-5V)。また、オペアンプの電源VpとVnには、0.1μFのデカップリング・コンデンサを接続します(図3では省略しています)。トランスT1としてHPH1-1400Lを使用する場合、1次側として6つの巻き線のうち3つを直列に接続し、2次側として残り3つの巻き線を直列に接続します(詳細については、同トランスのデータシートを参照してください)。R1として1kΩの抵抗を使用し、R2として1kΩまたは10kΩの抵抗を使用します。この条件で、3種のオペアンプを使ってループ・ゲインを測定します(図4)。分圧器を構成する抵抗R4とR5には、2つの役割があります。1つは、10ΩのR4によって、ループに挿入した抵抗R3のインピーダンスとの整合をとることです。また、ADALM2000の任意波形ジェネレータ(AWG)は、10Ωの抵抗を直接駆動することはできません。そこで、100ΩのR5によって負荷抵抗の値を高くし、AWGによって適切に駆動できるようにします。もう1つの役割は、分圧器で減衰を施すことにより、AWGからの信号の振幅を十分に大きく設定しつつ小振幅の信号をループに注入することで、低ノイズの信号を供給できるようにすることです。


ハードウェアのセットアップ
図3において、水色の四角形は、ADALM2000のAWG、オシロスコープのチャンネル、電源を接続する個所を表しています。電源を投入する前に、配線が適切であることを十分に確認してください。
電圧源制御用のウィンドウを開き、5Vと-5Vの固定電源を投入します。続いて、ネットワーク・アナライザの設定画面を開き、10kHzから5MHzまで掃引するように設定を行います。最大ゲインは1×に設定されているはずです。次に、振幅を3V、オフセットを0Vに設定します。続いて、ボーデ線図のスケールの下で、振幅の最大値を40dB、範囲を80dBに設定します。更に、位相の最大値を180°、範囲を360°に設定します。ここで、オシロスコープのチャンネルの下で、リファレンスとして使用するために「Use Channel 1」をクリックします。ステップ数は500に設定してください。
手順
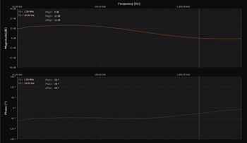
まずは、帯域幅の狭いOP97の測定から始めましょう。R1、R2の値は両方1kΩにします。電源を投入し、シングルの掃引を実行します。ループ・ゲインがユニティ(0dB)になる周波数と、その周波数における位相を記録しておいてください。「MATLAB®」や「Excel」で解析を行えるように、掃引結果のデータは、CSVファイルとしてエクスポートしておいてください。
この測定によって得られるプロットの例を図5に示しました。

次に、OP97を取り外し、帯域幅の広いOP27で置き換えます。OP97を取り外す前に、必ず電源をオフにしてください。オペアンプを置き換えたら、再度電源を投入してシングルの掃引を実行します。ループ・ゲインがユニティ(0dB)になる周波数と、その周波数における位相を記録し、OP97の測定結果と比較します。OP27のデータも、CSVファイルとしてエクスポートしておいてください。次に、R2を10kΩの抵抗に置き換えます。そして、シングルの掃引を実行します。ループ・ゲインがユニティ(0dB)になる周波数と、その周波数における位相を記録し、R2が1kΩの場合の結果と比較してください。
最後に、OP27をOP37で置き換えます。OP27を取り外す前に、必ず電源をオフにしてください。電源を投入し、シングルの掃引を実行します。ループ・ゲインがユニティ(0dB)になる周波数と、その周波数における位相を記録し、OP27の測定結果(R2は10kΩ)と比較してください。OP37のデータも、必ずCSVファイルとしてエクスポートしておいてください。
問題
図3のテスト環境において、R2とR3はそれぞれどのような目的で使用しているのでしょうか。
