目的
電圧レギュレータは、負荷に供給する電流量の変化に依存することなく、一定の出力電圧を保ちたいケースで使われます。負荷の一例としては、マイクロコントローラをベースとするシステムが挙げられます。そうしたシステムは、その動作に応じて消費電流量が変化した場合でも、一定の電源電圧を必要とするはずです。図1に、ツェナー・ダイオードを使って構成した電圧レギュレータの例を示しました。負荷抵抗RLの値が、ある値よりも常に大きいのであれば、このような非常に簡素な電圧レギュレータを使用できます。この回路では、負荷電圧VLは、ツェナー・ダイオードの降伏電圧(ツェナー電圧)と同じ値に保たれます。電圧源VINと抵抗RSは、ある種の回路のテブナン抵抗を形成します。ある種の回路とは、120VのAC主電源のような高い電圧を、レギュレーションが行われず、フィルタ処理も伴わない低電圧のDC電圧源に変換する回路です。
準備するもの
- アクティブ・ラーニング・モジュール「ADALM2000」
- ソルダーレス・ブレッドボード
- 抵抗(RS用):1kΩ(1個)
- 抵抗(RL用):1kΩ(1個)、10kΩ(1個)、100Ω(1個)
- 可変抵抗またはポテンショメータ(RL用):5kΩ(1個)
- ツェナー・ダイオード:「1N4735」またはその類似品(1個)
説明
1N4735は、降伏電圧が6.2Vのツェナー・ダイオードです。これを使用し、ソルダーレス・ブレッドボード上に図1の回路を構成します(図2)。また、アクティブ・ラーニング・モジュール「ADALM2000」が備える任意波形ジェネレータAWG1(5Vで固定)とユーザ用の電源Vn(-5V)を使って、DC電源VINを実現します。RLとしては、値の異なる固定抵抗や可変抵抗を使用します。


手順
続いて、具体的な手順を説明します。
ステップ1
ソフトウェア・パッケージ「Scopy」の電圧計機能を使用し、RLが以下の各値である場合のVLを測定して記録します。
- オープン・サーキット(図3)
- 10kΩ(図4)
- 1kΩ(図5)
- 100Ω(図6)




ステップ2
次に、負荷RLとして5kΩのポテンショメータを接続します。その値を調整し、VLが降伏電圧VZの10%以内になるRLの最小値を調べます。得られた値は記録しておいてください。その値は、RSの値とどのような関係にあるでしょうか。
追加の実習
ステップ2と同じ方法により、オシロスコープのチャンネル2を使ってRSに流れる電流を測定します。オシロスコープのXYモードにより、ツェナー・ダイオードの両端の電圧と電流をプロットすることにより、ツェナー・ダイオードの電流‐電圧特性を取得します。その際には、6.2Vの降伏電圧が含まれるように水平軸の電圧レンジとオフセットを調整します。結果が得られたら、特にツェナー・ダイオードと通常のダイオードの類似点と相違点について考察してみてください。
より多くの負荷電流を駆動する
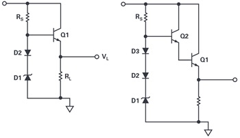
図1に示したシンプルなレギュレータでは、最大負荷電流は抵抗RSによって決まります。また、この回路は、負荷電流が少ないときには効率が非常に悪くなります。これは、負荷に電流が流れないときにツェナー・ダイオードに流れる過電流の最大値に関連する現象です。図7に示すように、エミッタ・フォロワやダーリントン接続のエミッタ・フォロワといった電流アンプを組み合わせることで、ツェナー・ダイオードをベースとするレギュレータ回路の効率を大幅に改善することができます。
追加で準備するもの
- NPNトランジスタ:「2N3904」と「TIP31」(2個)
- 小信号ダイオード:「1N914」またはその類似品(2個)

説明
引き続き、図7のD1としては、降伏電圧が6.2Vのツェナー・ダイオードである1N4735を使用します。また、パワー・トランジスタQ1としては、2N3904またはTIP31を使用します。ソルダーレス・ブレッドボードを使用し、図7に示す2つの回路のうちいずれかを構成してください。Q2としては2N3904、D2とD3としては1N914を使用するとよいでしょう。
ツェナー・ダイオードD1と直列に接続したダイオードD2は、エミッタ・フォロワQ1によって生じる電圧降下VBEをキャンセルするためのものです。同様に、図7の右に示した回路では、ダイオードD2、D3を追加することで、ダーリントン接続された2つのトランジスタのVBEをキャンセルしています。
問題
図1の回路を使用し、VLの値が降伏電圧VZの20%になる抵抗RLの値を調べてください。
答えはStudentZoneで確認できます。
