電気的グラウンド1は回路上で見ると単純そうですが、残念ながら、回路の実際の性能はPCボードのレイアウトにより決定されます。その上、グラウンド・ノード解析は、特に急速に変化する大きな電流がグラウンド・ノードを襲う「降圧」および「昇圧」回路などのDC/DCコンバータでは難しいものです。グラウンド・ノードが移動すると、システム性能が低下し、EMIが放射されます。ただし、グラウンド・ノイズの物理特性をよく理解すれば、こうした問題を抑制するための勘が働きます。
グラウンド・バウンスによって、数ボルトのトランジェントが生じることがあります。多くの場合、その原因は「磁束」の変化です。電流を流す配線ループは基本的に電磁石であり、その電界強度は電流に比例します。磁束はループ領域を通る磁場に比例して発生します。
磁束 α 磁場 × ループ面積
より正確には、
ΦB = BA cosφ
ここで、磁束ΦBはループ領域の表面Aを通り、ループ領域の単位ベクトルに対して角度φで交わる磁場Bです。
図1から、電流に伴う磁束の意味がわかります。電圧源から抵抗を通り、配線ループへ電流が流れます。この電流は、配線の周囲の磁束に関連しています。さまざまな量の関係を理解するために、この配線を自分の右手でつかんだと考えてみてください(「アンペール右手の法則」を適用)。電流が流れる方向に親指を向けると、残りの指は磁場線の方向で配線を囲むことになります。これらの磁場線がループ全体を通るため、両者を掛け合わせると、この場合はページの内側に向かって「磁束」ができます。

磁場の強度またはループ面積のいずれかが変化すると、磁束が変化します。磁束が変化すると、配線には磁束の変化率dΦB/dtに比例して電圧が誘起されます。ループ面積が変わらず電流が変化するか、あるいは電流が変わらずループ面積が変化するか、もしくは両方とも変化することによって磁束が変化します。
たとえば、図2のスイッチが突然開いたとします。電流の流れが止まると磁束が崩れ、配線上の至るところで瞬間的に大きな電圧が生じます。配線の一部がグラウンド・リターン・リードの場合は、グラウンド・レベルと想定される電圧が急激に変化(スパイク)し、結果としてグラウンド・リファレンスにこれを利用している回路に擬似信号が発生します。

一般に、PCボードのシート抵抗の電圧降下は、グラウンド・バウンスの主な原因にはなりません。1オンス銅板の抵抗は約500μΩ/スクエアであるため、電流が1A変化すると、500μV /スクエアのバウンスが生じます。これは、グラウンドが薄かったり、長かったり、デイジーチェーン構成になっている場合、あるいは精密機器の場合のみ問題になるレベルです。
寄生コンデンサの充放電は、大きな過渡電流がグラウンドに戻る経路となります。そうした電流変化のために磁束が変化することによって、グラウンド・バウンスが生じます。
スイッチングDC/DCコンバータにおいてグラウンド・バウンスを低減する一番良い方法は、ループ領域の電流ループの「面積」と「変化」の両方を最小限に抑え、磁束の変化をコントロールすることです。
場合によっては図3で示すように、電流は一定でも、スイッチングによってループ「面積」が変化するため、磁束が変化することがあります。ケース1のスイッチでは、理想的な配線によって理想的な電圧源が理想的な電流源に接続しています。電流はグラウンド・リターンを含むループ内を流れます。
ケース2では、スイッチの位置が変化すると、同じ電流が別の経路を流れます。電流源はDCであり変化しませんが、ループ面積は変化します。ループ面積が変化すると磁束が変化するため、電圧が発生します。グラウンド・リターンはその変化するループの一部になっているため、その電圧がバウンスします。

降圧コンバータのグラウンド・バウンス
説明のために、図3の単純な回路は、これを変形してできる図4の「降圧」コンバータと同じようなものとします。

高い周波数では、「降圧」入力コンデンサCVINのような大容量コンデンサはDC電圧源と同じようなものです。また、大容量の出力降圧インダクタLBUCKもDC電流源のように見えます。このような類似を考えることで洞察力が養われます。
図5には、スイッチの切り替えに伴って磁束が変化するようすを示します。

大容量のLBUCKインダクタは、出力電流をほぼ一定に保持します。同様に、CVINは電圧をほぼVINに等しくします。このため、入力リード線のインダクタンスが異なっても電圧が不変であるため、入力電流もほぼ一定となります。
入力電流と出力電流がほぼ一定でも、スイッチがポジション1からポジション2に移動すると、ループ面積全体が回路の中央で急に変化します。これにより磁束が急激に変化し、その結果、リターン配線に沿ってグラウンド・バウンスが発生します。
実際の降圧コンバータは、図6に示すように半導体スイッチのペアで構成されます。図は少しずつ複雑になりますが、磁束の変化によって誘起されるグラウンド・バウンスの解析は単純であり、一目でわかります。

磁束の変化によってグラウンド・リターンに沿ってどこにでも電圧が誘起されるということから、「真のグラウンドはどこにあるのか」という興味深い疑問が浮かんできます。グラウンド・バウンスとは、グラウンド・リターン・パターン上の電圧が「グラウンド」と呼ばれる理想的なポイントに対してバウンスしていることであるため、そのポイントを特定する必要があります。
電力調整回路では、真のグラウンドは負荷のローエンドに存在しなければなりません。要するに、DC/DCコンバータの目的は、高品質の電圧と電流を負荷に供給することです。電流リターン・パスに沿った他のすべてのポイントはグラウンドではなく、グラウンド・リターンの一部にすぎません。
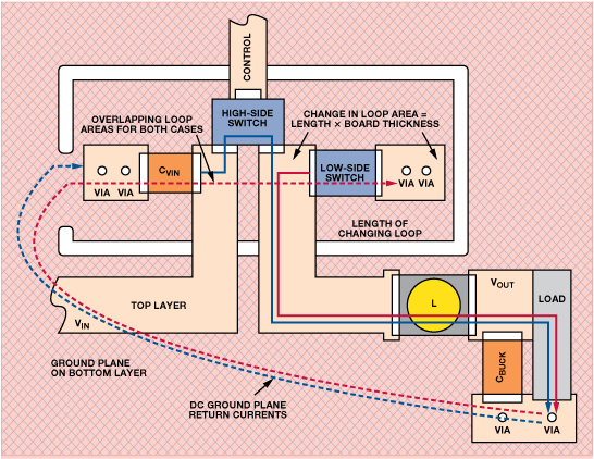
グラウンドが負荷のローエンドにあり、ループ面積の変化によってグラウンド・バウンスが発生することから、図7で示すように、CVINを適切に配置することによってループ面積の変化する部分を減少させ、グラウンド・バウンスを抑えることができます。

コンデンサCVINは、ハイサイド・スイッチの上部をバイパスしてローサイド・スイッチの下部に直接接続することで変化するループ面積を縮小し、グラウンド・リターンから分離します。VINの下部から負荷の下部まで、いずれの場合もループ面積やスイッチ電流の変化は生じません。このため、グラウンド・リターンのバウンスが生じません。

PCボードのレイアウトそのものが回路の性能を決定します。図8では、図6の降圧回路図のPCボードのレイアウトを示しています。ケース1に示すスイッチ位置では、ハイサイド・スイッチがオンになると、外側の赤いループに沿ってDC電流が流れます。ケース2に示すスイッチ位置では、ローサイド・スイッチがオンになると、青いループに沿ってDC電流が流れます。ループ面積の変化、それに従い磁束の変化があることに注意してください。これによって、電圧が誘起されてグラウンド・バウンスが生じます。
わかりやすくするため、1層のPCボードでレイアウトを行いますが、2層目のソリッドなグラウンド・プレーンを使用してもバウンスは解消されません。図9で、ソリッドなグラウンド・プレーンを使用することが必ずしも良い解決法にならないという例を示します。

ここでは、2層のPCボードを構築することで、バイパス・コンデンサを最上層の電源ラインに対して直角に接続します。図9の左側の例では、グラウンド・プレーンはソリッドでスリットが入っていません。上部配線の電流は、コンデンサからビアを通じてグラウンド・プレーンに流れます。
AC電流はインピーダンスが一番小さい経路を選ぶため、グラウンド・リターン電流はコーナーを横切ってソースに戻ります。したがって、電流の値または周波数が変化すると、電流の磁場とそれに関連してループ面積が変化し、磁束が変化します。電流は最も流れやすい経路をとる傾向があるため、ソリッドシートのグラウンド・プレーンでも、伝導率にかかわらずバウンスが発生することがあります。
図9の右側の例では、グラウンド・プレーンにうまくスリットを入れると、リターン電流を最小のループ領域に閉じ込めて、バウンスの発生を抑えることができます。スリットの入ったリターン・ラインで発生するバウンス電圧は、一般のグラウンド・プレーンから分離されます。
図10のPCボードのレイアウトは、図9で示した原理を用いてグラウンド・バウンスを低減しています。2層のPCボードは、入力コンデンサと2つのスイッチをグラウンド・プレーン内のアイランド上に配置する設計になっています。
このレイアウトは必ずしも最善のものとは言えませんが、十分に機能し、重要な原理を示しています。赤(ケース1)と青(ケース2)の電流で囲んだループ面積は大きいですが、2つのループ間の違いはわずかです。ループ面積の変化が小さいということは、磁束の変化も小さいことを意味し、ひいてはグラウンド・バウンスも少ないことになります。(ただし、一般にはループ面積も小さくしてください。この図は、AC電流パスのマッチングが重要であることを示しています)。
さらに、磁場とループ面積が変化するグラウンド・リターン・アイランドでは、スリットによってグラウンド・リターン・バウンスが閉じ込められます。
また、図7で示したように、入力コンデンサCVINがハイサイド・スイッチの上部とローサイド・スイッチの下部の間に配置されていないように見えることがありますが、よく見れば正しく配置されていることがわかります。物理的に隣接しているのも良いことですが、本当に重要なのは電気的な近接性であり、これはループの面積を最小にすることによって実現します。

昇圧コンバータのグラウンド・バウンス
「昇圧コンバータ」は、基本的には降圧コンバータを逆にしたものです。したがって図11に示すように、ループ面積の変化を最小にするには、「出力」コンデンサをハイサイド・スイッチの上部とローサイド・スイッチの下部の間に配置しなければなりません。

昇圧コンバータではCVOUTの配置が重要です。
a)悪い設計 b)良い設計
まとめ
グラウンド・バウンス電圧は、主に磁束の変化によって誘起されます。DC/DCスイッチング電源では、高速スイッチがさまざまな電流ループ領域間で電流の向きを変えるため磁束が変化します。しかし、降圧/昇圧の入出力コンデンサの適切な配置とグラウンド・プレーンへのスリットによって、バウンスを隔離できます。ただし、グラウンド・プレーンにスリットを入れる際には、回路内の他のリターン電流のループ面積が増加しないように注意する必要があります。
また、良いレイアウトでは、負荷の下部に真のグラウンドを配置し、ループ面積と電流が変化しないようにします。導電上関連する他のポイントを「グラウンド」と呼ぶこともありますが、これはリターン・パス上の1つのポイントにすぎません。
グラウンド解析に関するその他の考え方
以下の基本的な考え方を押さえていれば、グラウンド・バウンスが生じるか生じないかをうまく判断できるようになります。図12 は、直角に交差する2 つの導体が磁気的に互いに干渉しないことを示しています。

「同じ」方向に等価な電流を流す並列配線の周囲にできる磁力線は、配線間のあらゆる部分で打ち消されます。このため、蓄積されたエネルギーの総量は、1本ずつの配線の場合よりも小さくなります。このような理由から、PCボードの配線は太い方が、細い配線よりもインダクタンスは小さくなります。

「反対」の方向に等価な電流を流す並列な導体の周囲にできる磁力線は、導体の外側ではあらゆる部分で打ち消され、導体間では増加します。内側のループ領域が小さい場合は総磁束量が小さくなり、これに伴ってインダクタンスも小さくなります。このことから、ACグラウンド・プレーンのリターン電流が常に上部配線の下を流れることがわかります。

図15では、コーナー部分でインダクタンスが大きくなる理由を示しています。直線部分の導体にはその導体の磁場しかありませんが、コーナー部分では直角に交わる導体からの磁場もあります。その結果、コーナーでは蓄積される磁気エネルギーが多くなり、直線部分よりもインダクタンスが大きくなります。

図16では、電流を流す導体の下のグラウンド・プレーンに対する遮断によってリターン電流が分流し、ループ面積が増えることがあることを示しています。この場合は、ループ・サイズが大きくなり、グラウンド・バウンスが発生しやすくなります。

図17で示すように、部品の向きが重要です。

要約
グラウンド・バウンスは、常に問題となり得る現象です。モニタやテレビではノイズの多い画像となり、オーディオ機器ではバックグラウンド・ノイズが発生します。デジタル・システムでは、計算エラーやシステム・クラッシュが生じることさえあります。
寄生成分を十分に計算してから詳細なシミュレーションを実施することで、グラウンド・バウンスの大きさを正確に予測することができます。しかし、回路設計の洞察力を導くには、原因となる物理特性を理解する必要があります。
まず、負荷のローエンドが真のグラウンド・ポイントになるようにPCボードを設計します。
次に、大きなインダクタとコンデンサを電流/電圧源に置き換えることによって回路の動的特性を単純化し、個々のスイッチの組み合わせで電流ループを調べます。その後、ループを重ね合わせてください。それが不可能な場合は、開口部からDCだけが出入するように、グラウンド・リターンから小さなアイランドを適切にカット・アウトします。
通常は、このような工夫によってまずまずのグラウンド性能が得られます。十分な性能が得られない場合は、グラウンド・プレーン抵抗を検討します。さらに、全スイッチを介して寄生コンデンサに流入し、リターン・パスに入る変位電流を考慮します。
どのような回路であれ、グラウンディングの基本原則は同じです。磁束の変化を最小にするか分離する必要があります。
注
- 「グラウンド」の問題については、「Analog Dialogue」に多数の記事が掲載されています。これは、当社のウェブサイトにてご覧いただけます。下図に、Paul Brokawとこの著者との共著による記事(Vol.23 No.3(1989)7~9ページ)を縮小して示します。この記事には、グラウンディングとノイズに関するこれまでの資料の脚注があります。関連資料は、Vol.11 No.2(1977)10~15ページ、Vol.25 No.2(1991)24~25ページ、Vol.26 No.2(1992)27ページ(豊富な参照箇所の引用あり)、Vol.30 No.2(1996)11 ページ(EMC/EMI/ESDに関する参考文献一覧)、Vol.39No.3(2005)3~8ページをご覧ください。PCボードのレイアウトと設計ツールについては、セミナー・ノート『High Speed System Applications』(Walt KesterおよびHank Zumbahlen編、アナログ・デバイセズ、2006)に詳述されています(4.1~4.90ページ)。他にも「Reducing Ground Bounce in DC/DC-Converter Applications」(Jeff Barrow著、EDN、2006年7月号)も参照してください。
