MAX14895E

製造中

高度VGAポートプロテクタ

ポータブルアプリケーションのスペースを節約しコストを低減する全機能内蔵VGAポートプロテクタ

利用上の注意

本データシートの英語以外の言語への翻訳はユーザの便宜のために提供されるものであり、リビジョンが古い場合があります。最新の内容については、必ず最新の英語版をご参照ください。

なお、日本語版のデータシートは基本的に「Rev.0」(リビジョン0)で作成されています。そのため、英語版が後に改訂され、複数製品のデータシートがひとつに統一された場合、同じ「Rev.0」の日本語版のデータシートが異なる製品のデータシートとして表示されることがあります。たとえば、「ADM3307E」の場合、日本語データシートをクリックすると「ADM3311E」が表示されます。これは、英語版のデータシートが複数の製品で共有できるように1本化され、「ADM3307E/ADM3310E/ADM3311E/ADM3312E/ADM3315E」(Rev.J)と改訂されたからで、決して誤ってリンクが張られているわけではありません。和文化されたデータシートを少しでも有効に活用していただくためにこのような方法をとっておりますので、ご了解ください。

アナログ・デバイセズ社は、提供する情報が正確で信頼できるものであることを期していますが、その情報の利用に関して、あるいはその利用によって生じる第三者の特許やその他の権利の侵害に関して一切の責任を負いません。また、アナログ・デバイセズ社の特許または特許の権利の使用を明示的または暗示的に許諾するものでもありません。仕様は予告なしに変更する場合があります。本紙記載の商標および登録商標は、各社の所有に属します。

Viewing:

製品情報

  • ポータブルアプリケーションの電力を節約
    • 低自己消費電流:430µA (typ)
  • 高価な外付け部品が不要
    • 高ESD保護:SDA1、SCL1、SYNCH1、SYNCV1、RED、GRN、BLU、アクティブローEN、VS
    • ±15kVヒューマンボディモデル(HBM)
    • ±8kV IEC 61000-4-2接触放電
  • 革新的な設計によって性能につながる高いレベルの集積が可能
    • パワーオフ保護を備えた出力電流制限スイッチ
    • RGBポートの低容量(2.2pF typ)
    • SYNCH1、SYNCV1:±10mAドライブ
  • ポータブルアプリケーションのスペースを節約する全機能内蔵ソリューション
    • DDC出力はプルアップ内蔵
    • 3mm x 3mmの16ピンTQFNパッケージ

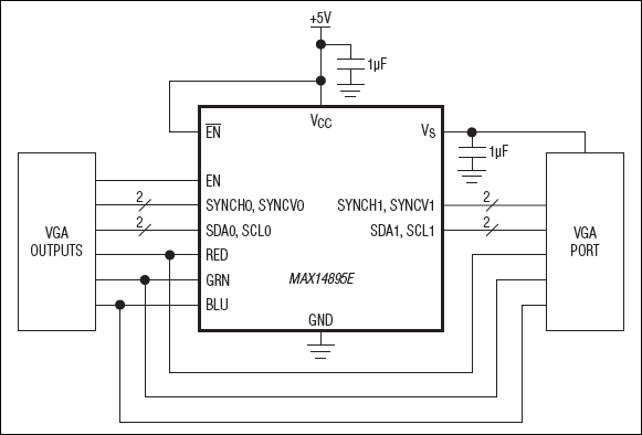
MAX14895Eは、レベル変換バッファを内蔵し、VGA信号用のRED、GRN、およびBLU (RGB)ポート保護を備えています。

このデバイスは、水平同期(SYNCH_)と垂直同期(SYNCV_)変換バッファを備えており、グラフィックスコントローラからの低レベルのCMOS入力を完全な5V、TTL対応の出力に適合するように変換します。各出力は、±10mAを駆動可能で、VESASM規格に適合します。また、このデバイスは、Direct Digital Control (DDC)信号を、グラフィックスコントローラに安全な低レベルに変換します。

このデバイスは、ENとアクティブローEN入力の両方を備えており、アクティブハイまたはアクティブローイネーブル入力を受け付けます。また、このデバイスは、5V電源をVGAコネクタまたはモニタに切り替えまたは電流制限します。

RED、GRN、およびBLU端子は、グラフィックスコントローラ出力を静電放電(ESD)イベントから保護します。全8つの出力とアクティブローENは、高レベルのESD保護を備えています。

MAX14895Eは、-40℃~+85℃の拡張温度範囲での動作が保証され、エクスポーズドパッドを備えた16ピンTQFNパッケージ(3mm x 3mm)で提供されます。

アプリケーション

  • デスクトップ
  • グラフィックスカード
  • ノートブックコンピュータ
  • サーバ

MAX14895E
高度VGAポートプロテクタ
MAX14895E:標準動作回路
myAnalogに追加

myAnalogの製品セクション(通知受け取り)、既存/新規プロジェクトに製品を追加する。

新規プロジェクトを作成
質問する
サポート

アナログ・デバイセズのサポート・ページはアナログ・デバイセズへのあらゆるご質問にお答えするワンストップ・ポータルです。


ドキュメント

データシート 1

信頼性データ 1

さらに詳しく
myAnalogに追加

myAnalogのリソース・セクション、既存/新規プロジェクトにメディアを追加する。

新規プロジェクトを作成

ソフトウェア・リソース

必要なソフトウェア/ドライバが見つかりませんか?

ドライバ/ソフトウェアをリクエスト

ハードウェア・エコシステム

製品モデル 製品ライフサイクル 詳細
レベル変換器 & バッファ 1
MAX4895E 製造中 VGAポートプロテクタ
Modal heading
myAnalogに追加

myAnalogの製品セクション(通知受け取り)、既存/新規プロジェクトに製品を追加する。

新規プロジェクトを作成

評価用キット

MAX14895EEVKIT

MAX14895Eの評価キット

機能と利点

  • 単一DC電源:5V
  • VGA入力および出力コネクタ
  • 実証済みPCBレイアウト
  • 完全実装および試験済み

製品詳細

MAX14895Eの評価キット(EVキット)は、レベル変換バッファを内蔵し、VGA信号用のRED、GRN、およびBLU (RGB)ポート保護を備えたMAX14895E ICを評価するための実証済みデザインを提供します。また、水平および垂直同期(SYNCH0、SYNCV0)入力は、レベルシフトバッファを備えており、低電圧CMOSまたは標準TTL対応のグラフィックスコントローラをサポートしています。

MAX14895EのEVキットには、MAX14895EETE+が出荷時に実装されています。

アプリケーション

  • デスクトップ
  • グラフィックスカード
  • ノートブックコンピュータ
  • サーバ

MAX14895EEVKIT
MAX14895Eの評価キット

最新のディスカッション

最近表示した製品