MAX1299A

12ビットシリアル出力温度センサー、5チャネルADC内蔵

±1℃温度センサー内蔵12ビットADC、リモート温度も測定

利用上の注意

本データシートの英語以外の言語への翻訳はユーザの便宜のために提供されるものであり、リビジョンが古い場合があります。最新の内容については、必ず最新の英語版をご参照ください。

なお、日本語版のデータシートは基本的に「Rev.0」(リビジョン0)で作成されています。そのため、英語版が後に改訂され、複数製品のデータシートがひとつに統一された場合、同じ「Rev.0」の日本語版のデータシートが異なる製品のデータシートとして表示されることがあります。たとえば、「ADM3307E」の場合、日本語データシートをクリックすると「ADM3311E」が表示されます。これは、英語版のデータシートが複数の製品で共有できるように1本化され、「ADM3307E/ADM3310E/ADM3311E/ADM3312E/ADM3315E」(Rev.J)と改訂されたからで、決して誤ってリンクが張られているわけではありません。和文化されたデータシートを少しでも有効に活用していただくためにこのような方法をとっておりますので、ご了解ください。

アナログ・デバイセズ社は、提供する情報が正確で信頼できるものであることを期していますが、その情報の利用に関して、あるいはその利用によって生じる第三者の特許やその他の権利の侵害に関して一切の責任を負いません。また、アナログ・デバイセズ社の特許または特許の権利の使用を明示的または暗示的に許諾するものでもありません。仕様は予告なしに変更する場合があります。本紙記載の商標および登録商標は、各社の所有に属します。

Viewing:

製品情報

  • ローカルおよびリモート温度検出
  • 温度および電圧入力の分解能:12ビット
  • 精度:±1℃ (-40℃~+85℃)
  • 完全差動入力
  • 単一電源動作
    • +4.75V~+5.25V (MAX1298)
    • +2.7V~+3.6V (MAX1299)
  • 3線式SPI/QSPI/MICROWIRE対応インタフェース
  • 内部高精度電圧リファレンス
    • 2.50V (MAX1298)
    • 1.20V (MAX1299)
  • 省スペース16ピンSSOPパッケージ

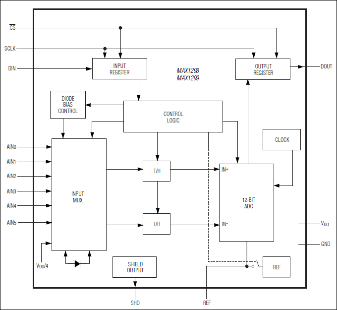
MAX1298/MAX1299は、それぞれ+5V/+3V電源を使用し、分解能12ビットでローカルおよびリモート両方の温度検出を行います。キャリブレーションを必要とせず、0~+70℃の範囲における精度が±1℃です。本デバイスはスイッチトキャパシタアリゴリズムのアナログ-デジタルコンバータ(ADC)、内部クロックとSPI、QSPI™、およびMICROWIRE®対応の3線式シリアルインタフェースを備えています。
MAX1298/MAX1299は、正入力と負入力で個別のトラックアンドホールド(T/H)を使用して分解能12ビットの完全差動電圧測定を行います。いずれのデバイスも、2対の3チャネル信号、AIN5を基準とする5つの1チャネル信号、あるいはグランドを基準とするVDD/4からなる多様な入力モードを許容します。高精度電圧測定用に外部リファレンスを使用することも可能です。
標準消費電力は僅か1.3mW (MAX1299)です。シャットダウンモードおよび2つのスタンバイモードにより、サンプリングスループットが高くないポータブルアプリケーションにおいてバッテリ寿命を延ばすために様々な方法を提供します。
MAX1298/MAX1299は16ピンSSOPパッケージで提供されています。

アプリケーション

  • ハンドヘルド機器(PDA、パームトップ)
  • 産業用プロセス制御
  • 医療用機器

MAX1299A
12ビットシリアル出力温度センサー、5チャネルADC内蔵
MAX1298、MAX1298A、MAX1298B、MAX1298C、MAX1299、MAX1299A、MAX1299B、MAX1299C:ファンクションダイアグラム
myAnalogに追加

myAnalogの製品セクション(通知受け取り)、既存/新規プロジェクトに製品を追加する。

新規プロジェクトを作成
質問する
サポート

アナログ・デバイセズのサポート・ページはアナログ・デバイセズへのあらゆるご質問にお答えするワンストップ・ポータルです。


ドキュメント

さらに詳しく
myAnalogに追加

myAnalogのリソース・セクション、既存/新規プロジェクトにメディアを追加する。

新規プロジェクトを作成

ソフトウェア・リソース

必要なソフトウェア/ドライバが見つかりませんか?

ドライバ/ソフトウェアをリクエスト

ハードウェア・エコシステム

製品モデル 製品ライフサイクル 詳細
A/Dコンバータ(ADC) 3
MAX1098 最終販売 5チャネルADC付き、10ビットシリアル出力温度センサー
MAX1099 最終販売 5チャネルADC付き、10ビットシリアル出力温度センサー
MAX111 製造中 低コスト、2チャネル、±14ビットシリアルADC
Modal heading
myAnalogに追加

myAnalogの製品セクション(通知受け取り)、既存/新規プロジェクトに製品を追加する。

新規プロジェクトを作成

最新のディスカッション

MAX1299Aに関するディスカッションはまだありません。意見を投稿しますか?

EngineerZone®でディスカッションを始める

最近表示した製品