DS1882

製造中

オーディオ用、デュアル対数デジタルポテンショメータ

デュアル電源アプリケーション用、低ノイズ、低歪みデジタル音量制御を提供

利用上の注意

本データシートの英語以外の言語への翻訳はユーザの便宜のために提供されるものであり、リビジョンが古い場合があります。最新の内容については、必ず最新の英語版をご参照ください。

なお、日本語版のデータシートは基本的に「Rev.0」(リビジョン0)で作成されています。そのため、英語版が後に改訂され、複数製品のデータシートがひとつに統一された場合、同じ「Rev.0」の日本語版のデータシートが異なる製品のデータシートとして表示されることがあります。たとえば、「ADM3307E」の場合、日本語データシートをクリックすると「ADM3311E」が表示されます。これは、英語版のデータシートが複数の製品で共有できるように1本化され、「ADM3307E/ADM3310E/ADM3311E/ADM3312E/ADM3315E」(Rev.J)と改訂されたからで、決して誤ってリンクが張られているわけではありません。和文化されたデータシートを少しでも有効に活用していただくためにこのような方法をとっておりますので、ご了解ください。

アナログ・デバイセズ社は、提供する情報が正確で信頼できるものであることを期していますが、その情報の利用に関して、あるいはその利用によって生じる第三者の特許やその他の権利の侵害に関して一切の責任を負いません。また、アナログ・デバイセズ社の特許または特許の権利の使用を明示的または暗示的に許諾するものでもありません。仕様は予告なしに変更する場合があります。本紙記載の商標および登録商標は、各社の所有に属します。

Viewing:

製品情報

  • デュアル、オーディオ対数テーパポテンショメータ
  • 小さいTHD+Nおよびクロストーク
  • ±7Vのアナログ電源(ディジタル電源とは独立)
  • 5Vのディジタル電源
  • 不揮発性または揮発性として構成可能なポテンショメータの設定
  • ゼロ交差検出器によってスイッチングノイズを排除
  • ユーザが構成可能な2つの減衰オプション
  • 構成オプション1:63ポジションで範囲が0dB~-62dBの1dB減衰ステップおよびミュート設定を提供
  • 構成オプション2:(DS1808とソフトウェア互換):以下のような33ポジションおよびミュート設定
    • ポジション0~12:1ステップ当り1dB (12ステップ)
    • ポジション13~24:1ステップ当り2dB (12ステップ)
    • ポジション25~32:1ステップ当り3dB (8ステップ)
  • I²C対応のシリアルインタフェース
  • 3個のアドレス端子によってI²Cバス上で最大8個のデバイスが可能
  • 全抵抗45kΩのポテンショメータ
  • 工業用温度範囲:-40℃~+85℃
  • 16ピンTSSOPまたはSOパッケージ

DS1882は、最大±7Vの信号レベルに対応するオーディオシステムで動作するように設計されたデュアル、不揮発性(NV)ディジタルポテンショメータです。電源がサイクルされても、ポテンショメータの設定が保存されるように、EEPROMにポテンショメータの設定を保存することができます。DS1882は、ポテンショメータ(VCC)と通信回路(VDD)用に個別の電源を備えています。クリックレス/ポップレス動作を行うために、ゼロ交差検出器によってポテンショメータの両端間の電圧がゼロのときに、ワイパ位置が変更されます。また、DS1882はクロストークを最低限に抑制するように設計され、2個のディジタルポテンショメータは0.5dBのチャネル間マッチングを提供し、チャネル間の音量差が排除されます。さらに全高調波歪み(THD)は、ワイパがハイインピーダンス負荷を駆動する場合はごくわずかです。

2つの減衰構成オプションによって、個別のアプリケーションに最適な柔軟性を提供します。構成オプション1では、63の対数テーパステップ(0dB~-62dB、1dB/ステップ)およびミュート設定を提供します。設定オプション2は32の対数ステップおよびミュート設定を備え、DS1808とのソフトウェア互換性を提供します。構成オプション2を16ピンSOパッケージと組み合わせて使用する場合は、DS1882は5VアプリケーションにおいてDS1808とソフトウェアおよびピンコンパチブルです。

アプリケーション

  • カーステレオ
  • 民生用オーディオ/ビデオ
  • ノートブックおよびPCオーディオ
  • ポータブルオーディオ機器

DS1882
オーディオ用、デュアル対数デジタルポテンショメータ
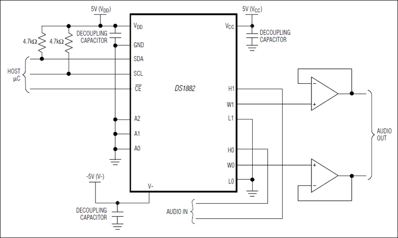
DS1882:標準動作回路
myAnalogに追加

myAnalogの製品セクション(通知受け取り)、既存/新規プロジェクトに製品を追加する。

新規プロジェクトを作成
質問する
サポート

アナログ・デバイセズのサポート・ページはアナログ・デバイセズへのあらゆるご質問にお答えするワンストップ・ポータルです。


ドキュメント

さらに詳しく
myAnalogに追加

myAnalogのリソース・セクション、既存/新規プロジェクトにメディアを追加する。

新規プロジェクトを作成

ハードウェア・エコシステム

製品モデル 製品ライフサイクル 詳細
デジタル・ポテンショメータ 1
DS1881 製造中 オーディオ用デュアルNVテーパデジタルポテンショメータ
Modal heading
myAnalogに追加

myAnalogの製品セクション(通知受け取り)、既存/新規プロジェクトに製品を追加する。

新規プロジェクトを作成

最新のディスカッション

DS1882に関するディスカッションはまだありません。意見を投稿しますか?

EngineerZone®でディスカッションを始める

最近表示した製品