hero banner background image

パワー・マネージメント・ツール

ADI Power Studioは、電源設計の全工程に対応する包括的なツール・ファミリです。ADI Power Studioは、発見、設計、シミュレーション、構成、測定を一つのエコシステムに統合し、エンジニアが効率的で信頼性の高いシステムをより迅速に、より確信を持って構築できるように支援します。

電源設計のすべての行程におけるあなたのパートナー

ADI Power Studioは、設計プロセスのあらゆる段階において、電源エンジニアの複雑さを簡素化し、設計の早期検証、効率的なアーキテクチャの最適化を支援します。これにより、開発サイクルの短縮、手戻りの削減、高密度電源システムの市場投入に対する信頼性の向上を実現します。

計画

 

設計

 

シミュレーション

 

構成

 

測定

                 

Power Studio Planner brand

ADI Power Studio Planner

システムレベルのパワー・ツリーの作成

以下もご利用いただけます:
LTpowerPlanner®

 

Power Studio Designer brand

ADI Power Studio Designer

ICレベルの電源設計

以下もご利用いただけます:

  • LTpowerCad®
  • EE-Sim®
 

LTspice brand

LTspice®

業界標準のシミュレーション

以下もご利用いただけます:
OASIS/SIMPLIS®

 

LTpowerPlay brand

LTpowerPlay®

デジタル・パワー・システム・マネージメント

以下もご利用いただけます:

  • シグナル・チェーン電源(SCP)構成ツール
  • ADI Power Studio Systemizer
 

LTpowerAnalyzer brand

LTpowerAnalyzer™

評価および電源特性評価

Viewing:

計画

電圧レール、負荷電流、供給経路を計算し最適化するパワー・ツリー図を用いたシステムレベルのアーキテクチャをご覧ください。このアーキテクチャは、検証済みのソリューションを加速させる早期の知見を提供します。

ADI Power Studio Planner interface on the Solutions tab, showing a searchable table with vendor, device, and solution name.
Power Solution Planning Power Studio Planner

Discover proven power-tree solutions to accelerate development, then refine the search with key parameters to match specific voltage rails, loads, and design requirements for the system.

ADI Power Studio Planner interface showing a DC power source connected to LDO regulators, a converter, and capacitors in a hierarchical layout.
Power Tree Creation Power Studio Planner

Build power-trees with interactive block diagrams defining voltage rails, load currents, and supply paths. Define key parameters, compare architectures with selected components, and use real-time calculations.

Power Studio Planner interface showing power components, summary report with efficiency at 90%, and a power management design layout.
System-Level Optimization Power Studio Planner

Finalize design with a clear view of voltage rails, load currents, and supply paths to quickly optimize system-level metrics like efficiency, power loss, and board area.


Design

Once the architecture is defined, explore into IC-level designs with tools to speed component selection while maintaining key performance parameters.

ADI Power Studio Designer interface on the Library, Solutions tab, showing an intelligent searchable table with vin, vout filters and part names.
Intelligent Solution Search Power Studio Designer

Search through filtered solutions customized for design needs, with smart recommendations optimized for design trade-offs and component selection.

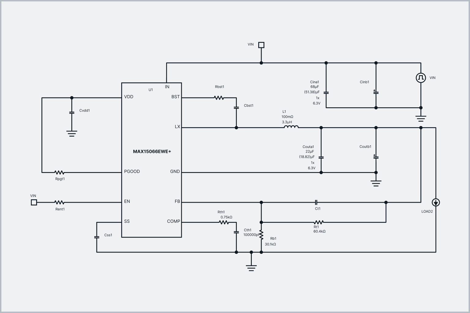
ADI Power Studio Designer displaying a circuit schematic diagram configuration featuring the MAX part lower management IC with resistors, capacitors, and inductors connected for a power distribution system.
Design Display and Configuration Power Studio Designer

Visualize and fine-tune the power schematic, update operating conditions and select components with instant voltage, current, and performance feedback.

ADI Power Studio Designer displaying efficiency at max load as 94% and power loss at max load as 0.318W, with a breakdown of losses by components.
Design Optimization and Analysis Power Studio Designer

Refine and validate design with built-in efficiency and power loss analysis to finalize a high performance solution design.


Simulate

Simulating design performance plays a pivotal role in streamlining development and speeding time to market. With these intuitive tools, validate proof of concept, and move forward with greater confidence and clarity.

Interface of LTspice showing LT1930A demo circuit schematic for a step-up DC/DC converter with input and output specifications.
Extensive Device Libraries LTspice

Ships with Analog Devices models for op amps, power ICs, regulators, converters, etc. Supports generic SPICE models and user-created device models. Also provided is a library of devices for general circuit simulation.

LTspice interface showing a simulation graph of current and circuit diagram.
Accurate Models, Smarter Design LTspice

Simulate with confidence using LTspice’s extensive library of Analog Devices power, amplifier, and converter models. Explore real-world performance before building—reducing prototyping costs and time.


Configure

Once an initial design configuration has been established, the process of executing diagnostics, resolving system-level issues, and refining performance parameters begins in earnest.

Signal Chain Power Configurator interface with power tree configuration, flexible hardware setup, and system state control.
Configure and Refine Your Power Tree Signal Chain Power

Set and adjust voltages, currents, and component choices in software, then validate with modular SCP building blocks for hardware evaluation.

LTpowerPlay interface showing configuration settings for power management ICs, including voltage, fault responses, and system hierarchy
Flexible Hardware and Offline Configuration LTpowerPlay

Build, save, and test complete power system setups in LTpowerPlay, whether connected to evaluation hardware or operating in offline simulation mode.

ADI Power Studio interface showing the System Rails Wizard tab with a table of power supply configurations, including supply order, names, nominal voltage, and monitoring options.
Intuitive Sequencing and System State Control ADI Power Studio Systemizer

Define, test, and adjust multirail power-up and power-down sequencing logic to ensure reliable startup, safe shutdown, and consistent system operation.


Measure

With a hardware power design in hand, it’s time to take real-world bench measurements to confirm performance requirements are achieved.

LTpowerAnalyzer interface showing multiple waveform analysis, transient response, sine wave input range, and Bode plot for power circuit evaluation.
Multifunction Power Supply Test System LTpowerAnalyzer

The LTpowerAnalyzer allows the ability to capture and analyze different power supply parameters using only a single hardware setup.

ADALM2000 Active Learning Module alongside various power management circuit boards, connectors, and components.
Low Cost and Compact Solution LTpowerAnalyzer

A specialized power lab is not always found a few steps away. The LTpowerAnalyzer is a helpful tool when the use of expensive and bulky bench equipment is not practical or feasible.

Collage showcasing a power management tool:  a waveform analysis interface, ADALM2000 Active Learning Module with circuit boards, and connected hardware setup for testing.
Designed for Ease of Use LTpowerAnalyzer

The LTpowerAnalyzer kit includes ribbon cables, sockets, and multiple interface boards to make the hardware setup as convenient for the user as possible.


Power Studio, The ADI Power Journey

Introducing the new Power Studio Designer and Power Studio Planner tools. Learn more about how these tool enable engineers to seamlessly transition from high level power architecture planning to detailed IC-level circuit design.

Learn More 


Design, Analyze, and Validate Your ADI Power Solutions

ADI’s suite of design tools can help customers achieve their power supply performance goals, while giving engineers the platform to optimize boards from the start. This demo will highlight a typical example of ADI’s power portfolio.

Learn More