目的
今回は、MOSトランジスタを使用して構成したソース接地回路について検討します。
背景
一般に、1段構成のアンプを使用した回路は、3種のトポロジのうちいずれかに当てはまります。今回は、そのうちの1つであるソース接地回路を取り上げます。MOSトランジスタを使用して構成したソース接地回路は、反転アンプとして機能します。その場合、MOSトランジスタのゲートが入力、ドレインが出力となります。入力と出力に対し、ソースが共通である(グラウンドまたは電源に接続)ことから、共通ソース・アンプと呼ばれることもあります。
準備するもの
- アクティブ・ラーニング・モジュール「ADALM2000」
- ソルダーレス・ブレッドボード
- 抵抗:5個
- 可変抵抗(ポテンショメータ):50kΩ(1個)
- 小信号NMOSトランジスタ:「ZVN2110A」(1個)
説明
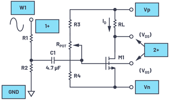
図1に、基本形となるソース接地回路を示しました。ご覧のように、M1としてはNMOSトランジスタを使用しています。出力負荷抵抗RLは、ドレイン電流IDによってVDSに現れる電圧が正の電源電圧VP(5V)と負の電源電圧VN(-5V)のほぼ中央値になるように選択します。また、可変抵抗RPOTを使ってM1のバイアス動作点(VGS)を設定することにより、IDが所望の値になるように調整します。分圧回路として使用する抵抗R1、R2の値は、ADALM2000の任意波形ジェネレータ(AWGのW1)からの入力信号が十分に減衰され、その振幅がVDSで観測される信号の振幅とほぼ同じになるように選択します。このような構成にするのは、トランジスタのゲートに現れる信号(VGS)がやや小さくなるので、それを観測しやすくするためです。減衰されたW1の信号は、4.7μFのコンデンサC1を介して、M1のゲートにAC結合されます。それにより、DCバイアスに影響を及ぼさないようにします。

ハードウェアの設定
AWGのW1は、ピークtoピークの振幅が3V、オフセットが0V、周波数が1kHzの正弦波を生成するように設定します。オシロスコープのチャンネル1(1+)は、W1の出力を表示するように接続します。チャンネル2(2+)は、M1のゲートとドレインにおける波形を交互に測定するために使用します。

手順
MOSトランジスタのドレインとソースに接続したVP(5V)とVN(-5V)をオンにします。図3に示すように、数周期分の入力信号(橙色)と出力信号(紫色)が表示されるようにオシロスコープを設定します。

ソース接地回路の電圧ゲインAは、小信号等価モデルにおけるソース抵抗rsと負荷抵抗RLの比で表されます。トランジスタのトランスコンダクタンスgmは、ドレイン電流IDと、ゲートのオーバードライブ電圧であるVGS-Vthの関数になります(以下参照)。
ここで、Vthは閾値電圧です。ソース抵抗rsは1/gmで、ソースと直列に存在すると見なすことができます。つまり、信号をゲートに印加すると、rsとRLには同じ値の電流が流れます。したがって、ゲインAは以下の式で表せます。
ソース・ディジェネレーションの追加
ソース接地回路を使えば、非常にゲインが高い反転出力回路を構成できます。但し、使用するトランジスタによっては、かなりのばらつきが生じる可能性があります。ゲインは、温度とバイアス電流に大きく依存します。そのため、実際のゲインを正確に予測するのは困難です。また、現実の回路では、意図せぬ正帰還が形成されている可能性があります。したがって、ゲインの高い回路においては、安定性の問題も浮上します。図1の回路に伴うその他の問題としては、小信号を扱うことが前提になっている点が挙げられます。入力ダイナミック・レンジが狭いので、その制約を超えると、大きな歪みが生じてしまうのです。言い換えると、トランジスタが小信号等価モデルのとおりには動作しなくなります。こうした問題の多くは、負帰還を追加することで軽減されます。図1のようなシンプルなアンプ段に帰還を追加する方法はいくつか存在します。なかでも、値の小さい抵抗(RS)をソースに追加するのが最も簡単で最も確実な方法です。これは、直列帰還あるいはソース・ディジェネレーション(source degeneration)と呼ばれます。その帰還量は、抵抗RSの両端で低下する相対的な信号レベルに依存します。
ソース・ディジェネレーションを適用した場合のゲインは、次の式で求められます。
追加で準備するもの
ソース・ディジェネレーションを施した回路を構成するために、追加の部品を使用します。
- 可変抵抗(ポテンショメータ):5kΩ(1個)
説明
図4に示すように、M1のソースをグラウンドから切り離し、5kΩの可変抵抗(図中のRS)を挿入します。この回路のゲインは、RSの値を変更することによって調整できます。M1のドレインに出力信号が現れるのを確認しつつ、RSの値を調整します。

ハードウェアの設定
AWGのW1は、ピークtoピークの振幅が3V、オフセットが0V、周波数が1kHzの正弦波を生成するように設定します。オシロスコープのチャンネル1(1+)は、W1の出力を表示するように接続します。チャンネル2(2+)は、M1のゲートとドレインにおける波形を交互に測定するために使用します。

手順
ドレインに接続されている電源VP(5V)をオンにします。図6に示すように、数周期分の入力信号(橙色)と出力信号(紫色)が表示されるようにオシロスコープを設定します。

ソース・ディジェネレーションによるACゲインの変化
ソース・ディジェネレーション用の抵抗を追加すると、DC動作点の安定性が高まります。その代わりに、アンプ回路としてのゲインが低下します。この問題に対応するためには、図7に示すようにコンデンサC2をRSと並列に追加します。そうすることで、AC信号に対するゲインをいくらか高めることができます。

ハードウェアの設定
AWGのW1は、ピークtoピークの振幅が3V、オフセットが0V、周波数が1kHzの正弦波を生成するように設定します。オシロスコープのチャンネル1(1+)は、W1の出力を表示するように接続します。チャンネル2(2+)は、M1のゲートとドレインにおける波形を交互に測定するために使用します。

手順
ドレインに接続されている電源VP(5V)をオンにします。図9に示すように、数周期分の入力信号(橙色)と出力信号(紫色)が表示されるようにオシロスコープを設定します。

問題
- 負帰還を追加すると、どのような効果によってDC動作点が安定化するのでしょうか。
- ソース・ディジェネレーションを施した回路において、RSの値を大きくすると、電圧ゲインA にはどのような影響が及びますか。
答えはStudentZoneで確認できます。
