NPNトランジスタのダイオード接続
目的
今回は、ダイオードとして機能するように構成(ダイオード接続)したバイポーラ・トランジスタ(BJT:Bipolar JunctionTransistor)を取り上げます。ダイオード接続したBJTにおいて、電圧に対する順方向/逆方向の電流特性を測定します。.
準備するもの
- アクティブ・ラーニング・モジュール「ADALM2000」
- ソルダーレス・ブレッドボード
- 抵抗:1kΩ、またはそれに近い値のもの(1個)
- 小信号用のNPNトランジスタ:「2N3904」(1個)
説明
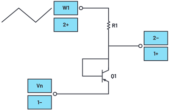
最初に、NPNトランジスタを例にとり、エミッタ‐ベース接合の電流‐電圧特性を測定します。それにはアクティブ・ラーニング・モジュールADALM2000を使用し、図1のような回路を構成します。まず、ブレッドボード上で抵抗R1の一端に任意波形ジェネレータの出力W1を接続します。また、ここにはオシロスコープの入力2+も接続します。そして、図に示すように、NPNトランジスタQ1のベースとコレクタをR1のもう一端に接続します。残るエミッタはグラウンドに接続します。更に、オシロスコープの入力2-とオシロスコープの入力1+も、Q1のベース/コレクタのノードに接続します。オシロスコープの入力1-は、グラウンドに接続すればよいでしょう。

ハードウェアの設定
任意波形ジェネレータは、ピークtoピークの振幅が6V、オフセットが0V、周波数が100Hzの三角波を出力するように設定します。オシロスコープの差動チャンネル2(2+、2-)により、抵抗R1(とトランジスタQ1)に流れる電流を測定します。オシロスコープのチャンネル1(1+)は、Q1の両端の電圧を測定するために使用します。Q1を流れる電流の値は、2+と2-の電位差をR1の値(1kΩ)で割ることで求められます。

手順
得られたデータを表計算ソフトウェアにエクスポートし、電流値を計算します。また、Q1の両端の電圧(VBE)と電流の関係をプロットします。なお、電流は逆方向には流れません。順方向の導通領域では、電圧と電流は対数の関係になります。そのため、電流値を対数目盛上にプロットすると、直線が得られるはずです。図3と図4に、測定結果を示しました。


逆降伏特性
目的
続いて、ダイオード接続したBJTにおけるエミッタ‐ベース接合の逆降伏特性(降伏電圧)を確認します。
準備するもの
- 抵抗:100Ω(1個)
- 小信号用のPNPトランジスタ:「2N3906」(1個)
説明
図5に示すように、ブレッドボード上で100Ωの抵抗R1の一端に、任意波形ジェネレータの出力W1を接続します。また、R1のもう一端には、PNPトランジスタQ1のベースとコレクタを接続します。Q1のエミッタは、-5Vの固定電源に接続します。オシロスコープの入力1+はベース/コレクタのノード、入力1-はエミッタのノードに接続します。オシロスコープのチャンネル2(2+、2-)を使ってR1の両端の電圧を測定し、その結果を基にQ1に流れる電流の値を算出します。PNPトランジスタのエミッタ‐ベース間に生じる降伏電圧は、ADALM2000を使って生成できる最大電圧である+10Vより小さくなります。NPNトランジスタでは、降伏電圧が10V以上になる可能性があるので、ここではNPNトランジスタ(2N3904)ではなく、PNPトランジスタ(2N3906)を使用しています。

ハードウェアの設定
任意波形ジェネレータにより、ピークtoピークの振幅が10V、オフセットが0V、周波数が100Hzの三角波を出力します。Q1の両端の電圧を、オシロスコープのチャンネル1を使用して測定します。オシロスコープのチャンネル2は、R1の両端に接続されています。いずれのチャンネルも、1V/divに設定するとよいでしょう。Q1を流れる電流の値は、2+と2-で測定した電位差をR1の値(100Ω)で割ることにより求められます。

手順
ADALM2000では、最大給電電圧が10Vに制限されています。多くのトランジスタは、エミッタ‐ベース間の降伏電圧がこれよりも大きな値になります。図5に示す構成では、0V~10V(W1のピークtoピーク振幅)の電圧を測定できます。図7に信号波形の例を示しました。

オシロスコープで波形を取得し、それを表計算ソフトにエクスポートします。この例で使用しているPNPトランジスタの場合、エミッタとベースの接合部における降伏電圧は約8.5Vとなります。
ダイオードの有効な順方向電圧を低下させる
目的
続いて、ダイオード接続したBJTよりも順方向電圧が小さくなる回路を構成し、その特性を確認します。
準備するもの
- 抵抗:1kΩ(1個)、150kΩ(1個。100kΩと47kΩの抵抗を直列接続しても可)
- 小信号用のNPNトランジスタ:2N3904(1個)
- 小信号用のPNPトランジスタ:2N3906(1個)
説明
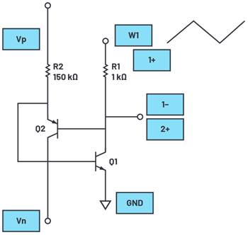
ブレッドボード上で、抵抗R1、抵抗R2、NPNトランジスタQ1、PNPトランジスタQ2を図8に示すように接続します。R1の一端には、任意波形ジェネレータの出力W1を接続します。Q1のエミッタはグラウンドに接続し、Q2のコレクタはVn(-5V)に接続します。抵抗R2の一端はVp(5V)に接続し、もう一端はQ1のベースとQ2のエミッタに接続します。オシロスコープのシングルエンド入力であるチャンネル2(2+)をQ1のコレクタに接続します。

ハードウェアの設定
任意波形ジェネレータは、ピークtoピークの振幅が8V、オフセットが2V、周波数が100Hzの三角波を出力するように設定します。オシロスコープのチャンネル2(2+)を使って、Q1の両端の電圧を測定します。Q1を流れる電流値は、オシロスコープの入力1+と1-で測定した電位差をR1の値(1kΩ)で割ることによって求められます。

手順
最初の例では、BJTをシンプルにダイオード接続していました。その場合、ダイオードがターンオンする電圧は650mVでした。それに対し、図8の回路では、ターンオンする電圧が約100mVに低下します。任意波形ジェネレータの出力W1を掃引し、Q1のVBEをプロットしてください。図10に測定した波形を示しました.

VBE乗算器
目的
上記の例により、VBEを下げる方法がわかりました。続いては、VBEを高める方法を確認します。順方向電圧を高めた場合の特性を、ダイオード接続したBJTの特性と比較しましょう。
準備するもの
- 抵抗:2.2kΩ(2個)、1kΩ(1個)
- 可変抵抗(ポテンショメータ):5kΩ(1個)
- 小信号用のNPNトランジスタ:2N3904(1個)
説明
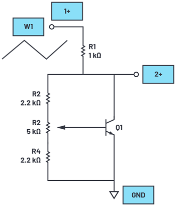
ブレッドボード上に、図11に示すような回路を構成します。抵抗R1の一端には、任意波形ジェネレータの出力W1を接続します。トランジスタQ1のエミッタはグラウンドに接続します。抵抗R2、R3、R4によって抵抗分圧器を構成します。Q1のベースには、ワイパを備えるポテンショメータであるR3を接続します。Q1のコレクタは、R1の一端と抵抗分圧器の最上部となるR2の一端に接続します。オシロスコープのチャンネル2(2+)は、Q1のコレクタに接続します。

ハードウェアの設定
任意波形ジェネレータにより、ピークtoピークの振幅が4V、オフセットが2V、周波数が100Hzの三角波を生成します。オシロスコープのシングルエンド入力2+を使って、Q1の両端の電圧を測定します。オシロスコープのチャンネル1はW1の出力を表示するために使用し、チャンネル2はQ1のコレクタ電圧を表示するために使用します。Q1を流れる電流の値は、オシロスコープの入力1+で測定したW1とオシロスコープの入力2+の電位差をR1の値(1kΩ)で割った値を使って求めることができます。

手順
まずポテンショメータR3を、設定可能範囲の中心値に設定します。すると、Q1のコレクタの電圧はVBEの約2倍になります。R3の値を最小に設定すると、コレクタの電圧はVBEの9/2(4.5)倍になります。R3の値を最大に設定すると、コレクタの電圧はVBEの9/7倍になります。

問題
- 最後のVBE乗算器の電圧‐電流特性は、ダイオード接続したシンプルなトランジスタ回路の電圧‐電流特性と比べてどのようになりますか。
答えはStudentZoneで確認できます。
