Increasing the Common-Mode Rejection Ratio of Differential Amplifiers Through Precisely Matched Resistor Networks
Increasing the Common-Mode Rejection Ratio of Differential Amplifiers Through Precisely Matched Resistor Networks
by
Thomas Brand
Nov 13 2018
Differential amplifier circuits, such as the one illustrated in Figure 1, are required in analog technology for a wide variety of applications. One example is measurement technology in which, depending on the application, an extremely high level of measurement accuracy may be required. To achieve this accuracy, it is important to minimize typical sources of error such as offset and gain errors, as well as noise, tolerances, and drift. For this purpose, high precision operational amplifiers are used. Also important are the external components of the amplifier circuit, especially the resistors, which should have matching rations and not arbitrarily chosen ones.

Figure 1. Conventional differential amplifier circuit.
Ideally, the resistors in differential amplifier circuits should be selected in such a way that their ratios are identical (R2/R1 = R4/R3). Any deviation from these ratios will lead to an undesired common-mode error. The ability of a differential amplifier to reject this common-mode error is given in terms of the common-mode rejection ratio (CMRR). It indicates how the output voltage changes with identical input voltages (common-mode voltages). In the best case, the output voltage should not change because it only depends on the difference between the two input voltages (max CMRR); however, the situation differs in practice. The CMRR is an important characteristic of differential amplifier circuits and is usually given in dB
For differential amplifier circuits such as the one shown in Figure 1, the CMRR is determined by the amplifier itself, as well as by the externally connected resistors. The latter, resistor-dependent CMRR is denoted by the index “R” in the remainder of the article and is calculated using the following equation:

For example, a desired gain of G = 1 and the use of resistors with a tolerance of 1% matched to 2% in the amplifier circuit yields a common-mode rejection ratio of

or in dB

At 34 dB, the CMRRR is relatively low. In this case, even if the amplifier has a very good CMRR, a high accuracy cannot be achieved as the chain is always only as strong as its weakest link. Accordingly, for precise measuring circuits, the selected resistors must also be extremely precise.
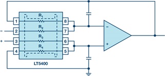
Conventional resistors do not have constant values in practice. They are subjected to mechanical loads and the effects of temperature. Depending on the requirement, resistors with different tolerances or matched resistor pairs or networks, which for the most part are manufactured using thin film technology and offer precise ratiometric stability, may be used. With these matched resistor networks (for example, the LT5400 quad matched resistor network) the overall CMRR of the amplifier circuit can be dramatically improved. The LT5400 resistor network guarantees a CMRR that is up to two times better compared to discrete resistors due to its outstanding matching over the entire temperature range, especially when used in combination with differential amplifier circuits.

Figure 2. Differential amplifier circuit with LT5400.
Thus, the LT5400 offers 0.005% matching, which results in a CMRRR of 86 dB.
However, the total common-mode rejection ratio of amplifier circuits (CMRRTotal) is formed by the combination of the resistor CMRRR and the common-mode rejection ratio of the op amp (CMRROP). For differential amplifiers, this is calculated using Equation 3:

For a typical CMRROP of 112 dB, as offered, for example, by the LT1468, and a gain of G = 1 with the LT5400, a value of 85.6 dB is yielded for CMRRTotal.
Alternatively, integrated differential amplifiers such as the LTC6363 can be used. This type of amplifier already contains the actual amplifier and optimally matched resistors in a chip. It eliminates nearly all of the problems mentioned above and likewise offers maximum accuracy at CMRR values of over 90 dB.
Conclusion
The external resistor circuit must be selected carefully based on the requirements for accuracy of the differential amplifier circuit so that a high system performance can be achieved.
Alternatively, integrated differential amplifiers such as the LTC6363 with integrated matched resistors on the chip can be used.
About the Authors
Thomas Brand began his career at Analog Devices in Munich in October 2015 as part of his master’s thesis. From May 2016 to January 2017, he was part of a trainee program for field application engineers at Analog Devices. A...