Single Cell Step-Up DC/DC Converter Features 400mA Switch Current in an SC70 Package
Single Cell Step-Up DC/DC Converter Features 400mA Switch Current in an SC70 Package
Dec 1 2005
Introduction
The LTC3525 raises the bar for boost converter performance and power capability in an SC70 package. It is an inductor-based synchronous step-up (boost) DC/DC converter that operates from input voltages as low as 1V, boosting them to 3.3V or 5V. Its powerful internal 400mA switch allows the LTC3525 to deliver up to 150mA of load current with efficiency up to 94%. To further save space, it requires only three external components (two small ceramic capacitors and a small inductor), so a complete solution fits into spaces previously reserved only for charge pump designs.
The LTC3525-3.3 and LTC3525-5 are both packaged in the 2mm × 2mm × 1mm SC70 package, and operate over an input range of 0.8V to 4.5V. This flexibility makes them suitable for compact applications powered by 1 to 3 alkaline/NiMH cells, or a single Li-ion battery. The 3.3V version can even maintain regulation with input voltages exceeding the output voltage.

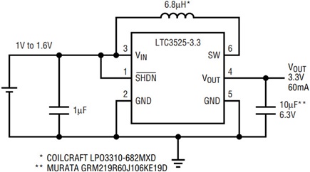
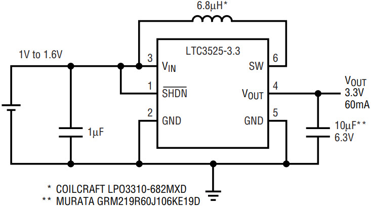
Figure 1. Typical application using the LTC3525-3.3/-5.
Small But Full-Featured Solution
Despite its diminutive SC70 package, the LTC3525 includes many sophisticated features, such as: output disconnect, inrush current limiting, low output voltage ripple, synchronous rectification, single cell capability, anti-ring control and less than 1µA shutdown current. It also features overcurrent protection and thermal shutdown, enabling it to sustain an indefinite short circuit without damage.
External component selection is easy, since most applications require just a 1µF ceramic input capacitor for local decoupling, a 10µF ceramic output filter capacitor and a 10µH inductor (although any value from 4.7 to 15µH can be used). Be sure to use only X5R or X7R style capacitors, keeping them close to the pins of the IC.
The LTC3525 is enabled by pulling the SHDN pin up to any voltage between 1V and 5V, regardless of input or output voltage.
High Efficiency Over a Wide Range of Input Voltages & Load Currents
The LTC3525 uses a proprietary, patent pending technique of adaptively adjusting peak inductor current as a function of load and input voltage. This technique provides optimum efficiency at light to medium loads, while enabling it to supply heavier load currents that are beyond the capability of other solutions of this size.
The LTC3525’s low quiescent current of only 7µA on VOUT allows it to maintain impressive efficiency down to extremely light loads, as shown in Figure 2, and over a broad range of input voltages. By comparison, the efficiency of a charge pump design varies widely as the battery voltage changes, as illustrated in the graph in Figure 3. Note that the charge pump design requires an input voltage of at least 1.7V to generate a regulated 3.3V output. Comparable inductor-based solutions require larger packages and more external components, making them unsuitable to applications where board space is at a premium, or too expensive for cost sensitive applications.

Figure 2. Efficiency versus load for the LTC3525-3.3.

Figure 3. Comparison of efficiency versus input voltage for LTC3525-3.3 and and an equivalent charge pump based boost circuit.
Single Cell to 3.3V Converter with 1mm Profile
A single alkaline or nickel cell to 3.3V converter, using the LTC3525-3.3, is shown in Figure 4. This application uses an inductor and output capacitor chosen to achieve a 1mm profile. It delivers 60mA of load current from a single cell, and 140mA from two cells, while fitting into a 5mm × 7mm footprint. The ability of the converter to operate with input voltages below 1V allows it to use all the available energy in the battery, and also prevents the converter from shutting off in the event that a load transient causes a momentary drop in input voltage.

Figure 4. Single cell to 3.3V converter delivers 60mA of load current in a 1mm profile.
Li-ion/3-Cell to 5V Converter Delivers Over 175mA with Low Output Ripple
The LTC3525 has been designed for very low output ripple with minimal output capacitance. In most applications, a 10µF ceramic capacitor will yield less than 1% peak-to-peak output ripple. By using a 22µF capacitor, the output ripple can be reduced to less than 0.5% of VOUT, making it suitable for many noise sensitive applications that previously required a larger, more expensive fixed frequency converter.
The circuit in Figure 5, which occupies a space of just 6mm × 6mm, supplies 5V at 175mA or more from a Li-ion battery (or three alkaline or nickel cells). With a 22µF output capacitor, the output ripple is only 22mVP-P at light load, and less than 50mVP-P at full load, as shown in Figure 6. The efficiency peaks at 93% and remains above 85% over three decades of load current, as shown in Figure 7. This solution could also be used to provide 5V at 200mA in a 3.3V powered system. The entire solution fits in a 1.8mm profile.

Figure 5. Li-ion to 5V converter delivers 175mA of load current with <0.5% ripple.

Figure 6. Output voltage ripple of the 5V converter at min and max load.

Figure 7. Efficiency versus load for the Li-ion to 5V converter.
Conclusion
Many of today’s battery powered portable devices, such as MP3 players, medical instruments and digital cameras can benefit from the small size, simplicity and extended battery life offered by the LTC3525. Its tiny, low profile SC70 package and minimal external part count make it a viable, high performance alternative to less efficient charge pump designs. Its 400mA switch current and low output ripple allow it to replace more expensive fixed frequency converters in cost-sensitive applications.
About the Authors
David Salerno was a Design Section Leader for the Power by Linear group of Analog Device (former Linear Technology) for nearly 20 years. His main focus was the DC/DC Converter design on boost applications. David hold an B...