High Efficiency PolyPhase Power Supply Delivers 30A per Phase with Ultralow Inductor DCR Sensing and Fast Transient Response
High Efficiency PolyPhase Power Supply Delivers 30A per Phase with Ultralow Inductor DCR Sensing and Fast Transient Response
Jan 1 2014
The LTC3875 is a feature-rich dual-output synchronous buck controller that meets the power density demands of modern high speed, high capacity data processing systems, telecom systems, industrial equipment and DC power distribution systems.
The LTC3875’s features include:
- 4.5V to 38V input range and 0.6V to 3.5V output range
- Proprietary current mode architecture enhances the signal-to-noise ratio of the current sensing signal, allowing the use of ultralow DCR power inductors to maximize efficiency and reduce switching jitter.
- Fast transient response, facilitating high density design with less output capacitance.
- Remote output voltage sensing and ±0.5% reference (0.6V) window for accurate regulation.
- On-chip drivers in a 6mm × 6mm QFN package to satisfy demanding space requirements.
- Easy parallel multiphase operation for high current applications.
Dual-Output Converter (1.0V at 30A and 1.5V at 30A)
Figure 1 shows a typical 4.5V~14V input, dual-output solution. The LTC3875’s two channels run relative to each other with a 180° phase shift, reducing the input RMS current ripple and capacitor size. Each phase has one top MOSFET and one bottom MOSFET to provide up to 30A of output current.

Figure 1. A dual-output converter (1.0V at 30A and 1.5V at 30A) featuring the LTC3875.
Similar to LTC3866, the LTC3875 employs a unique current sensing architecture to enhance its signal-to-noise ratio, enabling current mode control via a small sense signal of a very low inductor DCR, 1mΩ or less. As a result, the efficiency is greatly improved and the jitter is reduced. The current mode control yields fast cycle-by-cycle current limit, current sharing and simplified feedback compensation.
The LTC3875 can sense a DCR value as low as 0.2mΩ with careful PCB layout. The LTC3875 uses two positive sense pins SNSD+ and SNSA+ to acquire signals. The filter time constant of the SNSD+ should match the L/DCR of the output inductor, while the filter at SNSA+ should have a bandwidth five times larger than that of SNSD+. Moreover, an additional temperature compensation circuit can be used to guarantee the accurate current limit over a wide temperature range.
Efficiency can be optimized with ultralow DCR inductor. As shown in Figure 2, the total solution efficiency in forced continuous mode (CCM) is 87.3% at 1.0V/30A output, and 89.8% at 1.5V/30A. The hot spot (bottom MOSFET) temperature rise is 57°C without any airflow as shown in Figure 3, where the ambient temperature is about 23°C.

Figure 2. Efficiency comparison of the two channels.

Figure 3. Thermal test results.
The LTC3875 features fast transient response and minimizes undershoot through a proprietary solution. Peak current mode control is widely adopted in switching converters due to its cycle-by-cycle peak current limit and easy compensation. However, the inherent switching cycle delay of peak current mode control results in large undershoot of the output voltage when there is a load step-up. The LTC3875 overcomes undershoot by using a dynamic switching frequency adjustment scheme. The internal transient detector can detect a large voltage undershoot, leading the LTC3875 to run the power stage at twice the preset switching frequency for about 20 cycles.
Figure 4 shows that switching cycle delay is reduced from 2.18μs to 1.2μs and voltage undershoot is reduced from 95mV to 67.5mV (29% reduction) at 15A load up after the fast transient is enabled. In other words, with fast transient enabled, the LTC3875 can achieve the same transient performance as without, but with 20% less output capacitance, increasing power density and reducing total cost. Compared to other nonlinear control methods, the response scheme used by the LTC3875 is linear, simplifying overall design.

(a) Fast transient disabled.

(b) Fast transient enabled.
Figure 4. Transient comparison.
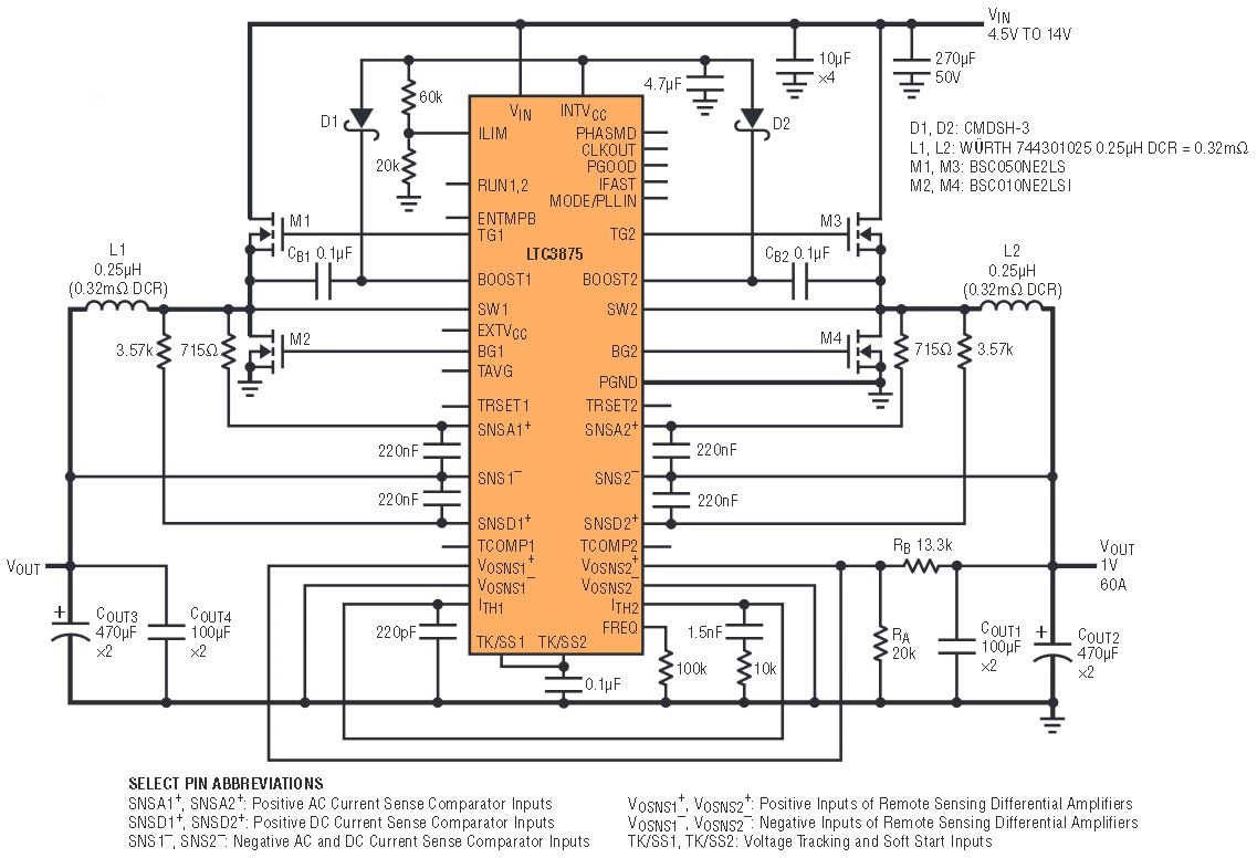
Single Output, Dual Phase, High Current Converter (12V to 1V at 6A)
The LTC3875 can be easily configured as a dual-phase single-output converter for higher current solutions. Figure 5 shows a buck converter that produces a 1V, 60A output from a 12V input. Multiple ICs can be paralleled and phase-interleaved for even higher current if required.

Figure 5. Converter uses two channels of the LTC3875 for a single 1V output with a 60A rating.
The DC current sharing between the two channels is shown in Figure 6. The difference at full load is around 1.6A with 0.32mΩ DCR inductor. Thanks to the peak current mode control architecture, the dynamic current sharing is also very good, as shown in Figure 7.

Figure 6. DC current sharing of 60A solution shown in Figure 5.

Figure 7. Dynamic current sharing of 60A solution shown in Figure 5.
Conclusion
The LTC3875 delivers high efficiency with reliable current mode control, ultralow DCR sensing and strong integrated drivers in a 6mm × 6mm 40-pin QFN. It supports temperature-compensated DCR sensing for high reliability. Its fast transient response can help improve the transient response with minimum output capacitance. Tracking, multichip operation, and external sync capability fill out its menu of features. The LTC3875 is ideal for high current applications, such as telecom and datacom systems, industrial and computer systems applications.
About the Authors
Jian Li received his M. S. degree in Control Theory and Control Engineering from Tsinghua University, China, in 2004, and the Ph. D. degree in Power Electronics, Virginia Tech, Unite States, in 2009. At present, he is an ...