Class D Amplifiers: Fundamentals of Operation and Recent Developments
Abstract
A Class D amplifier's high efficiency makes it ideal for portable and compact high-power applications. Traditional Class D amplifiers require an external lowpass filter to extract the audio signal from the pulse-width-modulated (PWM) output waveform. Many modern Class D amplifiers, however, utilize advanced modulation techniques that, in various applications, both eliminate the need for external filtering and reduce electromagnetic interference (EMI). Eliminating external filters not only reduces board-space requirements, but can also significantly reduce the cost of many portable/compact systems.
Introduction
Most audio system design engineers are well aware of the power-efficiency advantages of Class D amplifiers over linear audio-amplifier classes such as Class A, B, and AB. In linear amplifiers such as Class AB, significant amounts of power are lost due to biasing elements and the linear operation of the output transistors. Because the transistors of a Class D amplifier are simply used as switches to steer current through the load, minimal power is lost due to the output stage. Any power losses associated with a Class D amplifier are primarily attributed to output transistor on-resistances, switching losses, and quiescent current overhead. Most power lost in an amplifier is dissipated as heat. Because heatsink requirements can be greatly reduced or eliminated in Class D amplifiers, they are ideal for compact high-power applications.
In the past, the power-efficiency advantage of classical PWM-based Class D amplifiers has been overshadowed by external filter component cost, EMI/EMC compliance, and poor THD+N performance when compared to linear amplifiers. However, most current-generation Class D amplifiers utilize advanced modulation and feedback techniques to mitigate these issues.
The Basics of Class D Amplifiers
While there are a variety of modulator topologies used in modern Class D amplifiers, the most basic topology utilizes pulse-width modulation (PWM) with a triangle-wave (or sawtooth) oscillator. Figure 1 shows a simplified block diagram of a PWM-based, half-bridge Class D amplifier. It consists of a pulse-width modulator, two output MOSFETs, and an external lowpass filter (LF and CF) to recover the amplified audio signal. As shown in the figure, the p-channel and n-channel MOSFETs operate as current-steering switches by alternately connecting the output node to VDD and ground. Because the output transistors switch the output to either VDD or ground, the resulting output of a Class D amplifier is a high-frequency square wave. The switching frequency (fSW) for most Class D amplifiers is typically between 250kHz to 1.5MHz. The output square wave is pulse-width modulated by the input audio signal. PWM is accomplished by comparing the input audio signal to an internally generated triangle-wave (or sawtooth) oscillator. This type of modulation is also often referred to as "natural sampling" where the triangle-wave oscillator acts as the sampling clock. The resulting duty cycle of the square wave is proportional to the level of the input signal. When no input signal is present, the duty cycle of the output waveform is equal to 50%. Figure 2 illustrates the resulting PWM output waveform due to the varying input-signal level.
Figure 1. This simplified functional block diagram illustrates a basic half-bridge Class D amplifier.
Figure 2. The output-signal pulse widths vary proportionally with the input-signal magnitude.
In order to extract the amplified audio signal from this PWM waveform, the output of the Class D amplifier is fed to a lowpass filter. The LC lowpass filter shown in Figure 1 acts as a passive integrator (assuming the cutoff frequency of the filter is at least an order of magnitude lower than the switching frequency of the output stage) whose output is equal to the average value of the square wave. Additionally, the lowpass filter prevents high-frequency switching energy from being dissipated in the resistive load. Assume that the filtered output voltage (VO_AVG) and current (IAVG) remain constant during a single switching period. This assumption is fairly accurate because fSW is much greater than the highest input audio frequency. Therefore, the relationship between the duty cycle and resulting filtered output voltage can be derived using a simple time-domain analysis of the inductor voltage and current.
The instantaneous current flowing through the inductor is:

where VL(t) is the instantaneous voltage across the inductor using the sign convention shown in Figure 1.
Because the average current (IAVG) flowing into the load is assumed constant over one switching period, the inductor current at the beginning of the switching period (TSW) must be equal to the inductor current at the end of the switching period, as shown in Figure 3.
In mathematical terms, this means that:

Figure 3. Filter inductor current and voltage waveforms are shown for a basic half-bridge Class D amplifier.
Equation 2 shows that the integral of the inductor voltage over one switching period must be equal to 0. Using equation 2 and examining the VL(t) waveform shown in Figure 3, it is clear that the absolute values of the areas (AON and AOFF) must be equal to each other in order for equation 2 to be true. With this information, we can now derive an expression for the filtered output voltage in terms of the duty ratio of the switching waveform:

Substituting equations 4 and 5 into equation 3 gives the new equation:

Finally, solving for VO gives:

where D is the duty ratio of the output-switching waveform.
Using Feedback to Improve Performance
Many Class D amplifiers utilize negative feedback from the PWM output back to the input of the device. A closed-loop approach not only improves the linearity of the device, but also allows the device to have power-supply rejection. This contrasts with an open-loop amplifier, which inherently has minimal (if any) supply rejection. Because the output waveform is sensed and fed back to the input of the amplifier in a closed-loop topology, deviations in the supply rail are detected at the output and corrected by the control loop. The advantages of a closed-loop design come at the price of possible stability issues, as is the case with all systems utilizing feedback. Therefore, the control loop must be carefully designed and compensated to ensure stability under all operating conditions.
Typical Class D amplifiers operate with a noise-shaping type of feedback loop, which greatly reduces in-band noise due to the nonlinearities of the pulse-width modulator, output stage, and supply-voltage deviations. This topology is similar to the noise shaping used in sigma-delta modulators. To illustrate this noise-shaping function, Figure 4 shows a simplified block diagram of a 1st-order noise shaper. The feedback network typically consists of a resistive-divider network but, for simplicity, the example shown in Figure 4 uses a feedback ratio of 1. Also, the transfer function for the integrator has been simplified to equal 1/s because the gain of an ideal integrator is inversely proportional to frequency. It is also assumed that the PWM block has a unity-gain and zero-phase-shift contribution to the control loop. Using basic control-block analysis, the following expression can be derived for the output:

Figure 4. A control loop with 1st-order noise shaping for a Class D amplifier pushes most noise out of band.
Equation 8 shows that the noise term, En(s), is multiplied by a highpass filter function (noise-transfer function) while the input term, VIN(s), is multiplied by a lowpass filter function (signal-transfer function). The noise-transfer function's highpass filter response shapes the noise of the Class D amplifier. If the cutoff frequency of the output filter is selected properly, most of the noise is pushed out of band (Figure 4). While the preceding example dealt with a 1st-order noise shaper, many modern Class D amplifiers utilize multi-order noise-shaping topologies to further optimize linearity and power-supply rejection.
Class-D Topologies—Half Bridge vs. Full Bridge
Many Class D amplifiers are also implemented using a full-bridge output stage. A full bridge uses two half-bridge stages to drive the load differentially. This type of load connection is often referred to as a bridge-tied load (BTL). As shown in Figure 5, the full-bridge configuration operates by alternating the conduction path through the load. This allows bidirectional current to flow through the load without the need of a negative supply or a DC-blocking capacitor.
Figure 5. A traditional full-bridge Class D output stage uses two half-bridge stages to drive the load differentially.
Figure 6 illustrates the output waveforms of traditional BTL, PWM-based, Class D amplifiers. In Figure 6, the output waveforms are complements of each other, which produce a differential PWM signal across the load. As with the half-bridge topology, an external LC filter is needed at the output to extract the low-frequency audio signals and prevent high-frequency energy from being dissipated in the load.
Figure 6. Traditional full-bridge Class D output waveforms complement each other, thus creating a differential PWM signal across the load.
A full-bridge Class D amplifier shares the same advantages of a Class AB BTL amplifier, but adds high power efficiency. The first advantage of BTL amplifiers is that they do not require DC-blocking capacitors on the outputs when operating from a single supply. The same is not true for a half-bridge amplifier as its output swings between VDD and ground and idles at 50% duty cycle. This means that its output has a DC offset equal to VDD/2. With a full-bridge amplifier, this offset appears on each side of the load, which means that zero DC current flows at the output. The second advantage they share is that they can achieve twice the output signal swing when compared to a half-bridge amplifier with the same supply voltage because the load is driven differentially. This results in a theoretical 4x increase in maximum output power over a half-bridge amplifier operating from the same supply.
A full-bridge Class D amplifier, however, requires twice as many MOSFET switches as a half-bridge topology. Some consider this to be a disadvantage, because more switches typically mean more conduction and switching losses. However, this generally is only true with high-output power amplifiers (> 10W) due to the higher output currents and supply voltages involved. For this reason, half-bridge amplifiers are typically used for high-power applications for their slight efficiency advantage. Most high-power full-bridge amplifiers exhibit power efficiencies in the range of 80% to 88% with 8Ω loads. However, half-bridge amplifiers like the MAX9742 achieve power efficiencies greater than 90% while delivering more than 14W per channel into 8Ω.
Eliminating the Output Filter—Filterless Modulation
One of the major drawbacks of traditional Class D amplifiers has been the need for an external LC filter. This need not only increases a solution's cost and board space requirements, but also introduces the possibility of additional distortion due to filter component nonlinearities. Fortunately, many modern Class D amplifiers utilize advanced "filterless" modulation schemes to eliminate, or at least minimize, external filter requirements.
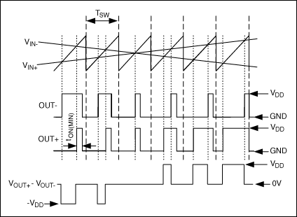
Figure 7 shows a simplified functional diagram of the MAX9700 filterless modulator topology. Unlike the traditional PWM BTL amplifier, each half bridge has its own dedicated comparator, which allows each output to be controlled independently. The modulator is driven with a differential audio signal and a high-frequency sawtooth waveform. When both comparator outputs are low, each output of the Class D amplifier is high. At the same time, the output of the NOR gate goes high, but is delayed by the RC circuit formed by RON and CON. Once the delayed output of the NOR gate exceeds a specified threshold, switches SW1 and SW2 close. This causes OUT+ and OUT- to go low and remain as such until the next sampling period begins. This scheme causes both outputs to be on for a minimum amount of time (tON(MIN)), which is set by the values of RON and CON. As shown in Figure 8, with zero input, the outputs are in phase with pulse widths equal to tON(MIN). As the audio input signals increase or decrease, one comparator trips before the other. This behavior, along with the minimum on-time circuitry, causes one output to vary its pulse width while the other output pulse width remains at tON(MIN) (Figure 8). This means that the average value of each output contains a half-wave rectified version of the output audio signal. Taking the difference of the average values of the outputs yields the complete output audio waveform.
Figure 7. This simplified functional diagram shows the MAX9700's filterless Class D modulator topography.
Figure 8. The input and output waveforms are shown for the MAX9700's filterless modulator topography.
Because the MAX9700's outputs idle with in-phase signals, there is no differential voltage applied across the load, thereby minimizing quiescent power consumption without the need for an external filter. Rather than depend on an external LC filter to extract the audio signal from the output, Maxim's filterless Class D amplifiers rely on the inherent inductance of the speaker load and the human ear to recover the audio signal. The speaker resistance (RE) and inductance (LE) form a 1st-order lowpass filter which has a cutoff frequency equal to:

With most speakers, this 1st-order rolloff is enough to recover the audio signal and prevent excessive amounts of high-frequency switching energy from being dissipated in the speaker resistance. Even if residual switching energy results in speaker movement, these frequencies are inaudible to the human ear and will not adversely affect the listening experience. When using filterless Class D amplifiers, the speaker load should remain inductive at the amplifier's switching frequency to achieve maximum output-power capabilities.
Minimizing EMI with Spread-Spectrum Modulation
One disadvantage of filterless operation is the possibility of radiated EMI from the speaker cables. Because the Class D amplifier output waveforms are high-frequency square waves with fast-moving transition edges, the output spectrum contains a large amount of spectral energy at the switching frequency and integer multiples of the switching frequency. Without an external output filter located within close proximity of the device, this high-frequency energy can be radiated by the speaker cables. Maxim's filterless Class D amplifiers help mitigate possible EMI problems through a modulation scheme known as spread-spectrum modulation.
Spread-spectrum modulation is accomplished by dithering or randomizing the switching frequency of the Class D amplifier. The switching frequency is typically varied up to ±10% of the nominal switching frequency. While the period of the switching waveform is varied randomly cycle-to-cycle, the duty cycle is not affected, thereby preserving the audio content of the switching waveform. Figures 9a and 9b show the wideband output spectrum of the MAX9700 to illustrate the effects of spread-spectrum modulation. Rather than having the spectral energy concentrated at the switching frequency and its harmonics, spread-spectrum modulation effectively spreads out the spectral energy of the output signal. In other words, the total amount of energy present in the output spectrum remains the same, but the total energy is redistributed over a wider bandwidth. This reduces the high-frequency energy peaks at the outputs, therefore minimizing the chances of EMI being radiated from the speaker cables. While it is possible that some spectral noise may redistribute into the audio band with spread-spectrum modulation, this noise is suppressed by the noise-shaping function of the feedback loop.
Figure 9a. The wideband output spectrum is shown for the MAX9700 using a fixed switching frequency.
Figure 9b. Spread-spectrum modulation redistributes the spectral energy of the MAX9700 over a wider bandwidth.
Many of Maxim's filterless Class D amplifiers also allow the switching frequency to be synchronized to an external clock signal. This allows the user to manually set the switching frequency of the amplifier to a less-sensitive frequency range.
While spread-spectrum modulation significantly improves EMI performance of filterless Class D amplifiers, there is typically a practical limit on the length of the speaker cables that can be used before the device begins to fail FCC or CE radiated-emissions regulations. If a device fails radiated-emissions tests due to long speaker cables, an external output filter may be needed to provide additional attenuation of the high-frequency components of the output waveform. In many applications with moderate speaker cable lengths, ferrite bead/capacitor filters on the outputs will suffice. EMI performance is also very layout sensitive, so proper PCB-layout guidelines should be strictly followed to guarantee compliance with applicable FCC and CE regulations.
Conclusion
Recent advancements in Class D modulation techniques have allowed Class D amplifiers to flourish in applications where linear amplifiers once dominated. Modern Class D amplifiers include all of the advantages of Class AB amplifiers (i.e., good linearity and minimal board-space requirements) with the added bonus of high power efficiency. Currently, there are a wide variety of Class D amplifiers available, thus making them suitable for numerous applications. These applications range from low-power portable applications (e.g., cell phones, notebooks) in which battery life, board-space requirements, and EMI compliance are of utmost importance, to high-power applications (e.g., automotive sound systems or flat-panel displays) where minimizing heatsinking requirements and heat generation is vital. Having a fundamental understanding of Class D amplifiers and their recent technological advances will aid designers in selecting the correct amplifier for their application and allow them to successfully weigh the advantages and disadvantages of specific features.
Related to this Article
Products
Obsolete
3.3W Mono Class DG Multilevel Audio Amplifier
PRODUCTION
PDM Input Class D Audio Power Amplifier
PRODUCTION
Single-/Dual-Supply, Stereo 16W, Class D Amplifier with Differential Inputs
2.8W, Low-EMI, Stereo, Filterless Class D Audio Amplifier
10W Stereo/15W Mono, Filterless, Spread-Spectrum, Class D Amplifiers
20W Stereo Class D Speaker Amplifier with Volume Control
2 x 1.5W, Stereo Class D Audio Subsystem with DirectDrive Headphone Amplifier
25W/50W, Filterless, Spread-Spectrum, Stereo/Mono, Class D Amplifier
1.3W, Filterless, Stereo Class D Audio Power Amplifier
Windows Vista-Compliant, Stereo Class AB Speaker Amplifiers and DirectDrive Headphone Amplifiers
2 x 1.5W, Stereo Class D Audio Subsystem with DirectDrive Headphone Amplifier
20W/40W, Filterless, Spread-Spectrum, Mono/Stereo, Class D Amplifier
1.2W, Low-EMI, Filterless, Class D Audio Amplifier
6W, Filterless, Spread-Spectrum Mono/Stereo Class D Amplifiers
12W+12W, Low-EMI, Spread-Spectrum, Stereo, Class D Amplifier
10W Stereo/15W Mono, Filterless, Spread-Spectrum, Class D Amplifiers
6W, Filterless, Spread-Spectrum Mono/Stereo Class D Amplifiers