Dual Regulators Offer Flexibility with Independent Shutdown Control and Adjustable Start-Up Timing
Dual Regulators Offer Flexibility with Independent Shutdown Control and Adjustable Start-Up Timing
by
Todd Owen
May 1 2004
Introduction
Desktop computers to digital cameras demand more from their power supplies than ever before. Some devices require more than seven supplies, often complicated further by a unique set of vital conditions and specifications for power supply start-up timing, tracking and voltage differentials. In many cases, the power supplies must start up in specific order, and track each other in concert, to avoid the risk of damage to critical components that run from the multiple supply rails.
To help meet these conditions, Analog Devices introduces the LT3023 and LT3024. Both parts are dual low dropout, low noise, micropower regulators based on the LT1761 and LT1763, single regulators delivering 100mA and 500mA respectively. The LT3023 combines a pair of 100mA regulators while the LT3024 combines a 500mA regulator with a 100mA regulator. Both regulators operate over an input voltage range of 1.8V to 20V with a dropout of 300mV at full load current. Quiescent current is less than 30µA for each regulator, dropping to less than 0.1µA in shutdown. Individual shutdown controls for each regulator allow for flexibility in power management. Both devices are available as adjustable parts with a 1.22V reference.
The small size of these regulators simplifies system design. The LT3023 is packaged in the 3mm × 3mm 10-lead DFN, maintaining the same footprint as a SOT-23. The LT3023 is also available in the thermally enhanced 10-lead MSOP package. The LT3024 is offered in the 4mm × 3mm 12-lead DFN, with a footprint only 33% larger than a SOT-23, and also in the thermally enhanced 16-lead TSSOP. These regulators also help minimize external component size. The 100mA regulators are stable with output capacitors as low as 1µF; the 500mA regulator in the LT3024 requires a minimum of 3.3µF. Small ceramic capacitors can be used without the series resistance required by other regulators.
Tracking Supplies
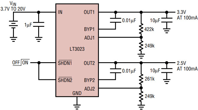
Adding external 0.01µF bypass capacitors to the LT3023 or LT3024 devices drops output voltage noise for each regulator to 20µVRMS over a 10Hz to 100kHz bandwidth. This capacitor improves transient performance of the regulators and also slows startup of the regulator. Figure 1 shows an application that takes advantage of this slowed start-up in a soft-start circuit.

Figure 1. Noise bypassing slows start-up, allows outputs to track.
In this circuit, two different supply rails are generated by an LT3023. Both the SHDN1 and SHDN2 pins are tied together, driving the regulators simultaneously. As the two regulators are brought out of shutdown, their output voltages rise at the same rates. The rate at which the output voltages rise is independent of load current—the regulators can deliver up to the full rated output current at the intermediate voltages. The size of the output capacitor also drops out of the equation when its charging current added to the load current is less than the regulator current limit. Figure 2 shows the output voltages and currents of the regulators as they are brought out of shutdown.

Figure 2. Output voltages track independent of load.
Figure 3 shows the time for the regulators to start as the value of the noise bypass capacitor varies. Minimum time for start-up is 150µs with no bypass capacitor. Start-up time is roughly proportional to the size of the noise bypass capacitor, with 0.01µF of capacitance giving a time of 15ms. Two more supply rails are provided by an LT3024: a 1.5V rail at 500mA, and a 1.8V rail at 100mA. As shown in Figure 4, start-up times are consistent between the two regulators.

Figure 3. Start-up time.

Figure 4. Multiple parts provide consistent start-up.
Flexibility is an important feature of this circuit. The regulators can be operated with differing sizes of noise capacitor to slew one regulator on faster and the SHDN1 and SHDN2 pins can also be separated as needed for independent shutdown control. Since these regulators are based on the LT1761/LT1763, the same design techniques and characteristics apply to those parts. Supply rails can be generated in any number, not just even multiples.
Start-Up Sequencing
Figure 5 shows an LT3024 being used to sequence the start-up of the regulators. In this circuit, the 500mA regulator is turned on and begins to rise at the rate determined by the noise bypass capacitor. As the output lifts, it begins to pull up the SHDN2 pin to turn on the 100mA side. The 0.47µF capacitor slows the rise of this pin, keeping it from turning on until several milliseconds after the 500mA side begins turning on (see Figure 6).

Figure 5. Start-up sequencing.

Figure 6. Turn-on waveforms.
When the circuit is turned off, the Schottky diode between SHDN1 and SHDN2 allows both outputs to be shutdown simultaneously. This is a precaution to prevent voltage differences between OUT1 and OUT2 that may cause application problems or damage. Figure 7 shows both outputs turning off together. The resistor divider between OUT1 and SHDN2 is designed to account for the threshold voltage of the SHDN2 pin and the current of this pin as well (typically 1µA at 0.8V, maximum 3µA at 1.4V).

Figure 7. Turn-off waveforms.
Conclusion
The LT3023 and LT3024 are dual high performance regulators available in tiny packages. Both offer independent channel shutdown control and adjustable start-up timing. These features offer a high degree of flexibility that makes it easy to meet demanding system requirements.
About the Authors
Related to this Article
Products
RECOMMENDED FOR NEW DESIGNS
100mA, Low Noise, LDO Micropower Regulators in TSOT-23
RECOMMENDED FOR NEW DESIGNS
500mA, Low Noise, LDO Micropower Regulators
RECOMMENDED FOR NEW DESIGNS
Dual 100mA, Low Dropout, Low Noise, Micropower Regulator