Dual Output µModule DC/DC Regulator Produces High Efficiency 4A Outputs from a 4.5V to 26.5V Input
Dual Output µModule DC/DC Regulator Produces High Efficiency 4A Outputs from a 4.5V to 26.5V Input
by
Alan Chern
Dec 1 2009
Dual System-in-a-Package Regulator
Systems and PC boards that use FPGAs and ASICs are often very densely populated with components and ICs. This dense real estate (especially the supporting circuitry for FPGAs, such as DC/DC regulators) puts a burden on system designers who aim to simplify layout, improve performance and reduce component count. A new family of DC/DC µModule regulator systems with multiple outputs is designed to dramatically reduce the number of components and their associated costs. These regulators are designed to eliminate layout errors and to offer a ready-made complete solution. Only a few external components are needed since the switching controllers, power MOSFETs, inductors, compensation and other support components are all integrated within the compact surface mount 15mm × 15mm × 2.82mm LGA package. Such easy layout saves board space and design time by implementing high density point-of-load regulators.

Figure 1. The LTM4619 LGA package is only 15mm × 15mm × 2.82mm, yet it houses dual DC/DC switching circuitry, inductors, MOSFETs and support components.
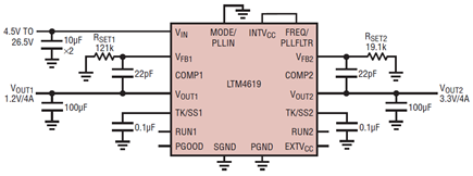
The LTM4619 switching DC/DC µModule converter regulates two 4A outputs from a single wide 4.5V to 26.5V input voltage range. Each output can be set between 0.8V and 5V with a single resistor. In fact, only a few components are needed to build a complete circuit (see Figure 2).

Figure 2. µModule regulator converts a 4.5V to 26.5V input to dual 3.3V and 1.2V outputs, each with 4A maximum output current.
Figure 2 shows the LTM4619 µModule regulator in an application with 3.3V and 1.2V outputs. The output voltages can be adjusted with a value change in RSET1 and RSET2. Thus, the final design requires nothing more than a few resistors and capacitors. Flexibility is achieved by pairing outputs, allowing the regulator to form different combinations such as single input/dual independent outputs or single input/parallel single output for higher maximum current output.
The efficiency of the system design for Figure 2 is shown in Figure 3 and power loss is shown in Figure 4, both at various input voltages. Efficiency at light load operation can be improved with selective pulse-skipping mode or Burst Mode® operation by tying the mode pin high or leaving it floating.

Figure 3. Efficiency of the circuit in Figure 2 at different input voltage ranges for 3.3V and 1.2V outputs.

Figure 4. Power loss of the circuit in Figure 2 at different input voltages for 3.3V and 1.2V outputs.
Multiphase Operation
For a 4-phase, 4-rail output voltage system, use two LTM4619s and drive their MODE_PLLIN pins with a LTC6908-2 oscillator, such that the two µModule devices are synchronized 90° out of phase. Reference Figure 21 in the LTM4619 data sheet. Synchronization also lowers voltage ripple, reducing the need for high voltage capacitors whose bulk size consumes board space. The design delivers four different output voltage rails (5V, 3.3V, 2.5V and 1.8V) all with 4A maximum load.
Thermal Performance
Exceptional thermal performance is shown in Figure 5 where the unit is operating in parallel output mode; single 12VIN to a single 1.5VOUT at 8A. Both outputs tied together create a combined output current of 8A with both channels running at full load (4A each). Heat dissipation is even and minimal, yielding good thermal results. If additional cooling is needed, add a heat sink on top of the part or use a metal chassis to draw heat away.

Figure 5. Exceptional thermal performance of a paralleled output LTM4619 µModule regulator (12VIN with two channels paralleled to 1.5VOUT at 8A load)
Conclusion
The LTM4619 dual output µModule regulator makes it easy to convert a wide input voltage range (4.5V to 26.5V) to two or more 4A output voltage rails (0.8V to 5V) with high efficiency and good thermal dissipation. Simplicity and performance are achieved through dual output voltage regulation from a single package, making the LTM4619 an easy choice for system designs needing multiple voltage rails.
About the Authors
Alan Chern is a former associate design engineer at Linear Technology (now part of Analog Devices). He was responsible for supporting uModule® Power products in design, testing, demo board production, and product evaluatio...