1.2A Buck Converters Draw Only 2.8µA When Regulating Zero Load, Accept 38VIN or 55VIN
1.2A Buck Converters Draw Only 2.8µA When Regulating Zero Load, Accept 38VIN or 55VIN
by
John Gardner
Dec 1 2009
Introduction
In modern battery-powered systems, extending battery life and intelligently managing power is paramount. To conserve power, these systems actively switch between idle and active states. The voltage regulators in these systems should be able to do the same. A regulator must also maintain a well-regulated output voltage during low current idle states so it can quickly and automatically adjust to changing load conditions and provide voltage for keep-alive functions.
For example, remote monitoring systems spend most of their time in a low power idle state, but require bursts of high power for transmitting data. Microcontrollers and memory require a regulated voltage, even when idling, to hold state. These types of applications require minimal current consumption in the idle state to maximize battery life, and a seamless transition to active mode when called on to supply several watts of power.
The LT3971 and LT3991 are ultralow quiescent current monolithic, step-down regulators that maintain high performance at both heavy and light loads. They draw only 1.7µA of quiescent current when in light load situations, but can also source up to 1.2A and include many features of a high performance 1.2A buck regulator, including programmable fixed frequency operation, the ability to be synchronized to an external clock, soft-start, and a shutdown/enable pin. The wide input voltage ranges of these parts—4.3V–38V for the LT3971 and 4.3V–55V for the LT3991—satisfy the requirements of automotive, industrial, and distributed supplies.
Ultralow 1.7µA Quiescent Current in Light Load
When the output load is low, the LT3971 and LT3991 decrease the switching frequency to deliver power to the output only when needed. Between current pulses, most of the part’s internal circuitry is turned off, to reduce the quiescent current to only 1.7µA. Even with no load current, the feedback resistors and the leakage of the Schottky catch diode act as a load current of a few µA, increasing the quiescent current of the application circuit. By using a few MΩ of feedback divider resistance and a Schottky catch diode with low leakage, only 2.8µA of input current is consumed when regulating a 3.3V output with no load from a 12V input. The application in Figure 1 achieves low input current over the entire input voltage range when regulating a 3.3V output with no load.

Figure 1. The LT3971 can achieve ultralow input current while regulating a 3.3V output with no load.
One way to demonstrate the low current performance of the LT3971 is to drive the part from a charged bulk input capacitor. Using a 1000µF, 35V electrolytic capacitor, with leakage less than 1µA, charged to 16V, the LT3971 can regulate a 3.3V output with no load for over an hour. The 1000µF capacitor drains at a rate of about 1V every five minutes until the part drops out at an input voltage of 4V. This type of performance shows the LT3971’s potential in energy harvesting systems and back-up systems.
Hook It Up and Forget About It
The quiescent current of the LT3971 is exceptionally low even when compared to the self-discharge of a battery. Rechargeable batteries have significant self-discharge. Nickel cadmium (NiCd) batteries lose about 15% to 20% of their charge in a month and nickel metal hydride (NiMH) batteries are even worse. There are several types of low self-discharge NiMH batteries available, such as the SANYO Eneloop, which lose about 15% to 30% of its charge per year. Lead acid batteries discharge several percent of their charge a month and lithium secondary batteries discharge about half as fast.
These discharge rates correspond to over 100µA of self-discharge in the worst case and tens of µA in the best case. Primary batteries have much lower self-discharge rates. Alkaline and lithium primaries can take up to five to fifteen years to lose 20% of their charge. This corresponds to only a few micro-amps of self-discharge current.
Compared to these numbers, the LT3971’s quiescent current is over an order of magnitude less than the self-discharge of rechargeable batteries, so the LT3971’s impact on battery life is so small, you can hook it up and forget about it. Primary batteries have self-discharge comparable to the LT3971’s quiescent current, so the battery only drains about twice as fast as it would if it was just sitting on a shelf.
Less Than 15mV of Output Voltage Ripple
The output voltage ripple of the LT3971 is less than 15mV across the full load range. During light load situations, the regulator enters Burst Mode® operation where single current pulses are used to recharge the output capacitor when the part detects the output voltage has drooped below the regulation value. Single pulse operation is critical to controlling output voltage ripple, because multiple pulses would quickly charge the output capacitor excessively. The peak of each current pulse is set to about 330mA, generating consistent ripple performance across the Burst Mode operation load range. The switching waveforms in Figure 2 show the ripple performance for a 10mA load.

Figure 2. During light loads, the output voltage ripple is controlled by single pulse burst mode. For a 12VIN to 3.3VOUT application with 10mA of load, the output voltage ripple is below 15mV with a 22µF output capacitor.
In typical hysteretic Burst Mode implementations, the peak-to-peak voltage of the output ripple is a fixed value. In contrast, with the single pulse Burst Mode implementation used in the LT3971, the output ripple voltage can be adjusted by changing the output capacitance. The peak current of the pulses is independent of the output capacitor size because a single, 330mA pulse is always delivered. The total charge delivered with each switching pulse is constant, so the output voltage ripple in Burst Mode operation can be reduced by increasing the output capacitance. Figure 3 shows how the output ripple in Burst Mode operation decreases proportionally to increases in the output capacitance. The peak current in each switching pulse was set so as to yield less than 15mV of ripple even with a 22µF output capacitor.

Figure 3. Output voltage ripple decreases with increasing capacitor size in burst mode. The output ripple is about 6mVP–P with a 22µF, 4mVP–P with a 47µF, and 2mVP–P with a 100µF output capacitor. A 0.5 inch lead to a 1µF capacitor is used to help filter the ESL spike on the output and care is taken to measure the ripple directly across the capacitor.
Uncompromised Fast Transient Response and Full Feature Set
No compromises were made to achieve the LT3971’s low quiescent current. The part has good transient performance and a full feature set. The peak current mode control scheme with internal compensation maintains good stability across load and temperature; the user just has to include a 10pF phase lead capacitor between the output and the FB pin. The response to a 0.5A load step starting from both a 0.5A load and a 25mA load are shown in Figure 4. The regulator displays smooth transitions between Burst Mode operation and full switching frequency.

Figure 4. Transient responses for a 25mA to 525mA load step and a 0.5A to 1A load step. The transition between burst mode and full frequency operation is smooth.
The LT3971 switching frequency can be programmed between 200kHz and 2MHz with an external resistor. By connecting an external clock to the SYNC pin, the switching frequency can be synchronized as fast as 2MHz. A soft-start feature limits the inrush current of the part by throttling the switch current limit during start-up. The SS pin is actively pulled down when the EN pin is low. Then a 1µA current source into an external capacitor connected to the SS pin sets the soft-start ramp rate when the part starts-up. The LT3971 comes in a 10-pin MSOP package or a 10-pin 3mm × 3mm DFN package. Both package types have an exposed pad that provides lower thermal resistance and a ground connection.
Accurate Enable Pin
The quiescent current of the LT3971 is so low that in shutdown mode the internal bandgap reference can still operate, consuming only 700nA of input current. This allows an accurate 1V enable pin threshold when VIN is above 4.3V. When the enable pin is above 1V, the part is enabled and can switch, and when the enable pin is below 1V, the part is shutdown and cannot switch.
The accurate enable pin threshold can be used to program an input voltage enable threshold (VIN(EN)) by connecting a simple resistor divider between VIN and EN. When the input voltage is greater than the VIN(EN) threshold the LT3971 regulates the output voltage, and when the input voltage is below the VIN(EN) threshold the part stops regulating the output voltage.
High Impedance Input Source
A programmable input voltage enable threshold is very useful when driving the LT3971 with a high impedance input source. These types of sources could be distributed supplies, lines used for both power and signaling, or types of energy harvesting devices. A buck regulator draws constant power from the input, thus appearing to the input as a negative impedance. When the converter starts to draw current from a high impedance source, the voltage at the input pin starts to drop, and the converter then draws even more current. If the regulator draws more power than the input supply can provide, for example during start-up when the output capacitor is being charged, than the converter can collapse the input supply. An input voltage enable threshold solves this problem by shutting the part down when the input voltage collapses to the VIN(EN) threshold. Figure 5 shows an application where the LT3971 is being driven by a 24V source with a 1kΩ series resistance. The 1MΩ and 11MΩ resistor divider sets a 12V VIN(EN) threshold on the input. As the output capacitor charges to its regulation value of 4V, the VIN(EN) threshold prevents the input voltage from collapsing below 12V, as seen in Figure 6.

Figure 5. A LT3971 application circuit where the 1MΩ and 11MΩ resistor divider sets a 12V input voltage enable threshold to prevent the 24V, 1kΩ impedance source from collapsing.

Figure 6. As the output charges to 4V on startup, the 12V VIN(EN) threshold temporarily shuts down the part to prevent the high impedance input source from collapsing.
The output cannot, on average, draw more power than the input can supply with its high impedance. However, the LT3971 can source up to the 1.2A maximum output current for a brief time, as long as the energy is supplied by the input capacitance. Figure 7 shows 1.2A of output current being supplied for 2ms from the 100µF bulk input capacitance. The ability of the LT3971 to supply this type of pulsed load is very important for satisfying low duty cycle sensor applications and energy harvesting applications, which take advantage of both the low quiescent current performance and 1.2A maximum load of the LT3971.

Figure 7. Even though the high impedance source can not provide the power to supply 1.2A to the output, energy from the bulk input capacitance can supply brief high current output pulses.
LT3991 48V to 3.3V 300kHz Application
The LT3991 has the same low quiescent current performance and 1.2A maximum output current as the LT3971, but can operate with input voltages up to 55V. It also includes soft-start and external clock synchronization features, and comes in a 10-pin MSOP or 3mm × 3mm DFN package, both with an exposed ground pad.
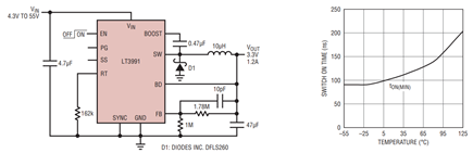
The LT3991 has a typical minimum switch on time of 110ns at room and 150ns at 85°C, which allow higher switching frequencies for large step-down ratios when compared to other parts with similar high input voltage ratings. Figure 8 shows a 48V input to a 3.3V output application with a switching frequency of 300kHz. The 10µH inductor and 47µF output capacitor yield a small overall solution size. The output capacitor can be a small ceramic capacitor, as opposed to a tantalum capacitor, because the LT3991 does not need any output capacitor ESR for stability.

Figure 8. The low minimum switch on time of the LT3991 allows the high step-down ratio, 48VIN to 3.3VOUT, at 300kHz switching frequency. This yields a small solution size with a 10µH inductor and a 47µF ceramic output capacitor.
Conclusion
The LT3971 and LT3991 are ultralow quiescent current regulators that can regulate a 12V input to a 3.3V output during no load conditions with only 2.8µA of input current. Light load operation with single current pulses keeps the output voltage ripple to less than 15mV. These buck regulators can also provide up to 1.2A of output current. The LT3971 and LT3991 are well suited for keep-alive and remote monitoring systems with low duty cycle, high current, pulsed outputs. The wide input range from 4.3V up to 38V for the LT3971, and 55V for the LT3991, along with the programmable input voltage enable threshold feature, allow these converters to be driven from a wide range of input sources. The ultralow quiescent current performance of the LT3971 and LT3991 make them great choices for battery-operated systems where power conservation is critical.