Overview
Product Details
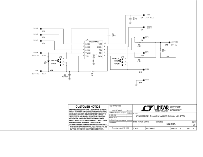
DC994A: Demo Board for the LT3003 3-Channel LED Ballaster with PWM.
Applicable Parts
Documentation & Resources
-
DC994A - Schematic9/24/2009PDF26K
-
DC994A - Demo Manual9/24/2009PDF618K
-
DC994A - Design File9/24/2009ZIP504K
