Overview
Product Details
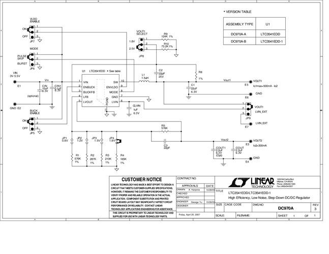
Demonstration circuit DC970A-A and DC970A-B feature the LTC3541 and LTC3541-1 respectfully, and provide a high efficiency, synchronous buck plus VLDO linear regulator. For the LTC3541, the buck regulator powers up before the linear regular, and for the LTC3541-1, the linear regulator powers up first.
The DC970A has an input voltage range of 3.0V to 5.5V. The jumper selectable (2.5V or 1.8V) buck regulator output is capable of delivering up to 500mA of output current; the jumper selectable (0.8V, 1.2V, 1.5V or 1.8V) linear regulator output is capable of delivering up to 300mA of current.
Applicable Parts
Documentation & Resources
-
DC970A - Schematic9/24/2009PDF28K
-
DC970A - Demo Manual9/24/2009PDF330K
-
DC970A - Design File9/24/2009ZIP694K
