Overview
Product Details
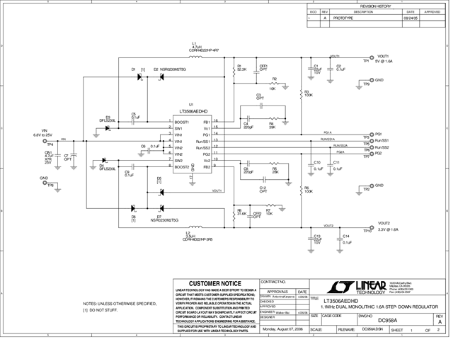
Demonstration circuit 958 is a Dual Monolithic 1.6A Step-Down Switching Regulator featuring the LT3506A and LT3506. The top half of the board features the LT3506A circuit and the bottom half of the board features the LT3506 circuit. These two devices are nearly identical except for the switching frequency, and the two circuits are totally independent on the demo board. The LT3506A circuit switches at 1.1MHz and takes a 6.8V to 25V input voltage and generates a 5V and a 3.3V output, both at 1.6A. The LT3506 circuit switches at 575kHz and takes a 3.6V to 21V input and generates a 1.8V and a 1.2V output, both at 1.6A.
Applicable Parts
Documentation & Resources
- 
                                                                
                                                                    
                                                                                                                                            DC958A - Schematic9/24/2009PDF43K
 
- 
                                                                
                                                                    
                                                                                                                                            DC958A - Demo Manual9/24/2009PDF704K
 
- 
                                                                
                                                                    
                                                                                                                                            DC958A - Design File9/24/2009ZIP1M
 
                                                