Overview
Product Details
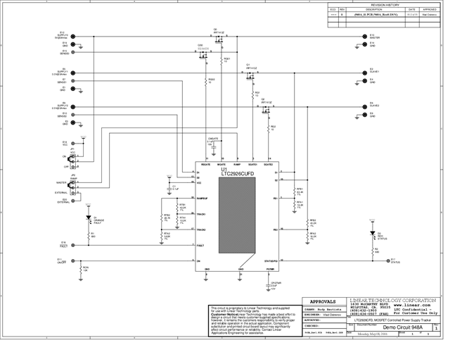
DC948A: Demo Board for the LTC2926 MOSFET-Controlled Power Supply Tracker.
Applicable Parts
Documentation & Resources
- 
                                                                
                                                                    
                                                                                                                                            DC948A - Schematic9/24/2009PDF343K
- 
                                                                
                                                                    
                                                                                                                                            DC948A - Demo Manual9/24/2009PDF328K
- 
                                                                
                                                                    
                                                                                                                                            DC948A - Design File9/24/2009ZIP450K
 
                             
                         
                         
                                                