Overview
Product Details
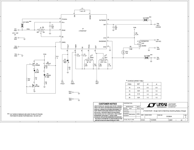
DC930A: Demo Board for the LTC4001 2A Synchronous Buck Li-Ion Charger.
Applicable Parts
Documentation & Resources
-
DC930A - Schematic9/24/2009PDF32K
-
DC930A - Demo Manual9/24/2009PDF449K
-
DC930A - Design File9/24/2009ZIP554K
