Overview
Product Details
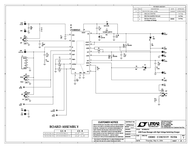
DC929A-A: Demo Board for the LTC4089 USB Power Manager with High Voltage Switching Charger.
Applicable Parts
Documentation & Resources
-
DC929A - Schematic9/24/2009PDF335K
-
DC929A - Demo Manual9/24/2009PDF378K
-
DC929A - Design File9/24/2009ZIP607K
