Overview
Product Details
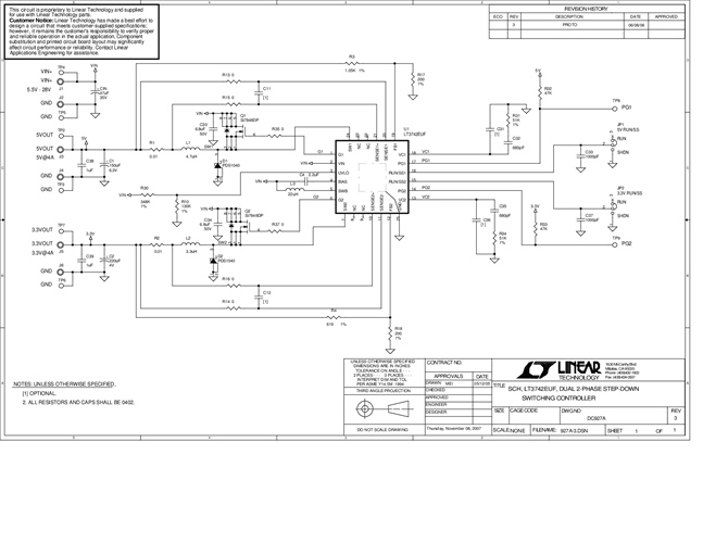
Demonstration circuit 927 is a dual output step-down converter featuring the LT3742, a two-phase nonsynchronous buck controller. The demo board operates with a 5.5V to 28V input suppy and provides outputs of 5V@4A and 3.3V@4A.
Applicable Parts
Documentation & Resources
-
DC927A - Schematic9/24/2009PDF34K
-
DC927A - Demo Manual9/24/2009PDF202K
-
DC927A - Design File9/24/2009ZIP1M
