Overview
Product Details
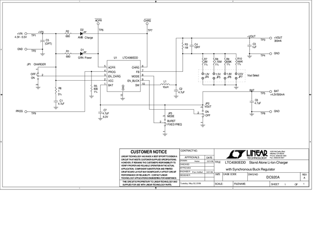
DC920A: Demo Board for the LTC4080 500mA Standalone Li-Ion Charger with Integrated 300mA Synchronous Buck.
Applicable Parts
Documentation & Resources
-
DC920A - Schematic9/24/2009PDF30K
-
DC920A - Demo Manual9/24/2009PDF130K
-
DC920A - Design File9/24/2009ZIP591K
