Overview
Product Details
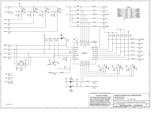
DC906A: Demo Board for the LTC4306 4-Channel, 2-Wire Bus Multiplexer with Capacitance Buffering.
Applicable Parts
Documentation & Resources
-
DC906A - Schematic9/24/2009PDF27K
-
DC906A - Demo Manual9/24/2009PDF555K
-
DC906A - Design File9/24/2009ZIP888K
