Overview
Product Details
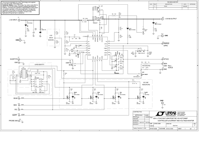
DC874A: Demo Board for the LTC4215 Hot Swap Controller with I2C Compatible Monitoring.
Applicable Parts
Documentation & Resources
-
Hot Swap Controllers8/2/2023PDF0 M
-
DC874A - Schematic9/24/2009PDF40K
-
DC874A - Demo Manual9/24/2009PDF512K
-
DC874A - Design File9/24/2009ZIP759K
