Overview
Product Details
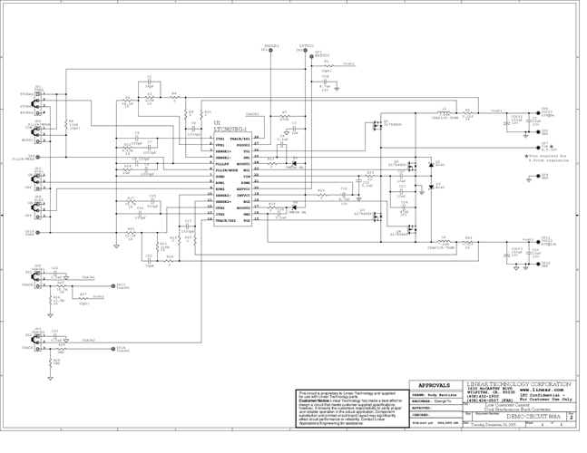
DC868A: Demo Board for the LTC3827-1 Low IQ, Dual, 2-Phase Synchronous Step-Down Controller.
Applicable Parts
Documentation & Resources
-
DC868A - Schematic9/24/2009PDF449K
-
DC868A - Demo Manual9/24/2009PDF387K
-
DC868A - Design File9/24/2009ZIP414K
