Overview
Product Details
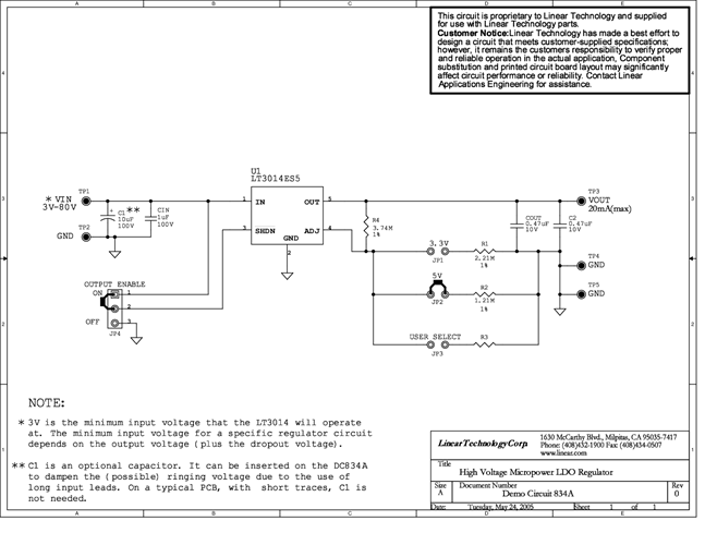
Demonstration circuit DC834 is a high voltage micropower voltage regulator using the LT3014 20mA output low dropout linear regulator, which comes in a tiny SOT-23 package. The DC834 has an input voltage range from 3V to 80V. The demo board's jumper-selectable output voltage can be set to 3.3V, 5V or a user-defined value between 1.22V and 60V. The quiescent is typically only 6uA in operation, and less than 1µA in shutdown.
Markets and Technologies
Applicable Parts
Documentation & Resources
-
DC834A - Schematic9/24/2009PDF128K
-
DC834A - Demo Manual9/24/2009PDF125K
-
DC834A - Design File9/24/2009ZIP576K
