Overview
Product Details
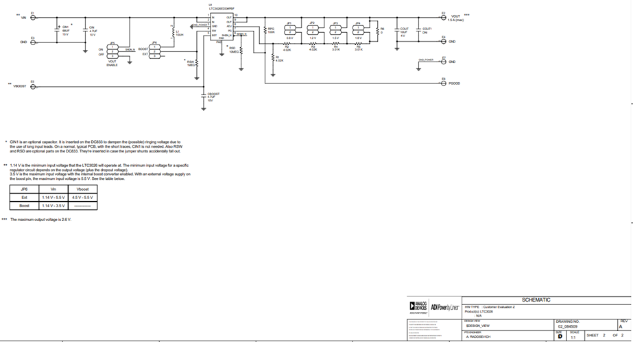
Demonstration circuit 833 is an ultralow dropout voltage supply using the 1.5A output current LTC3026 linear regulator in a small 3mm × 3mm 10-Pin DFN package. The DC833 has an input voltage range from 1.14V to 3.5V when the internal boost converter is enabled, and a maximum input voltage of 5.5V when an external source is supplied. The output voltage jumper-selectable and can be set to 0.8V, 1.2V, 1.5V, 1.5V, 1.8V or a user-defined value between 0.4V and 2.6V. The 0.4V reference of the LTC3026 allows the DC833 to supply power to very low voltage applications. The DC833 is also an excellent choice for post regulation of step-down switching regulators, creating a high efficiency low-noise supply. The DC833 comes assembled with small ceramic capacitors, showing the LTC3026's ability to maintain stability with ceramic output capacitors.
Applicable Parts
Documentation & Resources
-
DC833A - Schematic6/3/2025PDF25K
-
DC833A - Demo Manual9/24/2009PDF427 K
-
DC833A - Design File6/3/2025ZIP6 M
