Overview
Product Details
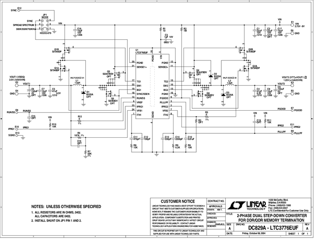
DC829A: Demo Board for the LTC3776 - Dual 2-Phase, No RSENSE Synchronous Controller for DDR/QDR Memory Termination.
Applicable Parts
Documentation & Resources
- 
                                                                
                                                                    
                                                                                                                                            DC829A - Schematic9/24/2009PDF39K
- 
                                                                
                                                                    
                                                                                                                                            DC829A - Demo Manual9/24/2009PDF1M
- 
                                                                
                                                                    
                                                                                                                                            DC829A - Design File9/24/2009ZIP966K
 
                             
                         
                         
                                                