Overview
Product Details
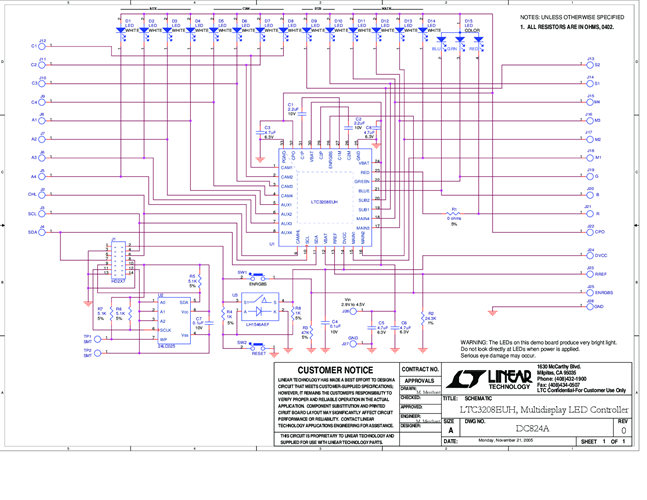
DC824A: Demo Board for the LTC3208 High Current Software Configurable Multidisplay LED Controller.
Applicable Parts
Documentation & Resources
-
DC824A - Schematic9/24/2009PDF53K
-
DC824A - Demo Manual9/24/2009PDF650K
-
DC824A - Design File9/24/2009ZIP1M
