Overview
Product Details
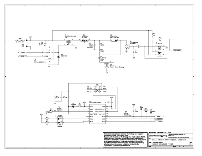
DC796A: Demo Board for the LT3468 Photoflash Capacitor Chargers in ThinSOT.
Applicable Parts
Documentation & Resources
-
DC796A - Schematic9/24/2009PDF134K
-
DC796A - Demo Manual9/24/2009PDF151K
-
DC796A - Design File9/24/2009ZIP522K
