Overview
Product Details
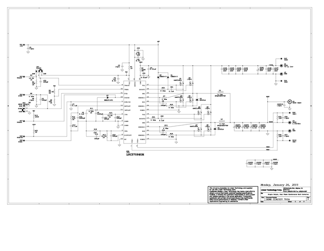
DC793A: Demo Board for the LTC3709 Fast 2-Phase, No RSENSE Synchronous DC/DC Controller with Tracking/Sequencing.
Applicable Parts
Documentation & Resources
-
DC793A - Schematic9/24/2009PDF295K
-
DC793A - Demo Manual9/24/2009PDF196K
-
DC793A - Design File9/24/2009ZIP1M
