Overview
Product Details
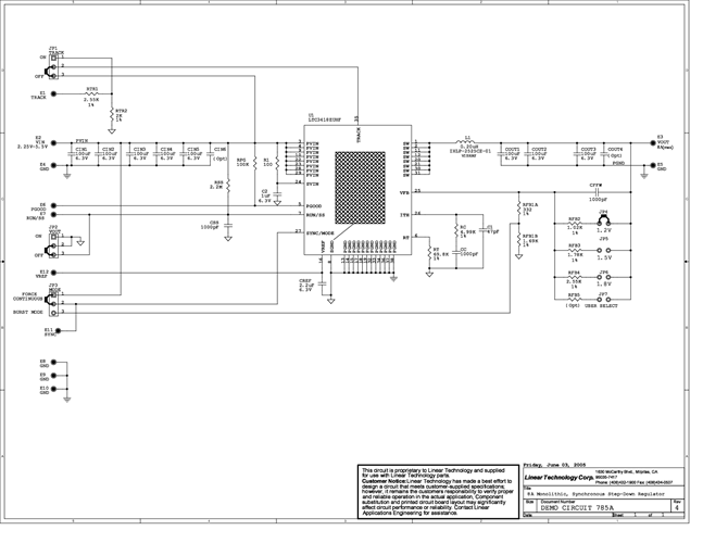
DC785 is an 8A high efficiency, high frequency buck converter, incorporating the LTC3418 monolithic synchronous regulator. The DC785 has an input voltage range of 2.25V to 5.5V and the jumper-selectable output voltage can be set to 1.2V, 1.5V, 1.8V or a user-determined value up to 5V.
Applicable Parts
Documentation & Resources
-
DC785A - Schematic9/24/2009PDF119K
-
DC785A - Demo Manual9/24/2009PDF162K
-
DC785A - Design File9/24/2009ZIP892K
