Overview
Product Details
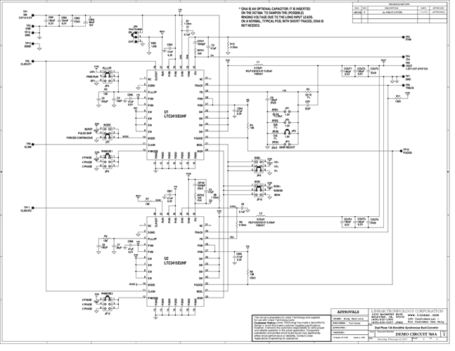
Demonstration Circuit 768 is a 15A high efficiency, phase lockable constant frequency buck converter, incorporating two LTC3415 polyphase monolithic synchronous regulators. The DC768 has an input voltage range of 2.5V to 5.5V and an output voltage range from 0.6V to 5V. The output voltage of the DC768 can be set to 1.2V, 1.5V or 1.8V using the appropriate jumper connection, or it can be set to an adjustable value down to 0.6V, the reference voltage of the LTC3415.
Since the parallel LTC3415s operate out-of-phase, the amount of input and output capacitance required will be minimal.
Applicable Parts
Documentation & Resources
-
DC768A - Schematic9/24/2009PDF82K
-
DC768A - Demo Manual9/24/2009PDF1M
-
DC768A - Design File9/24/2009ZIP2M
