Overview
Product Details
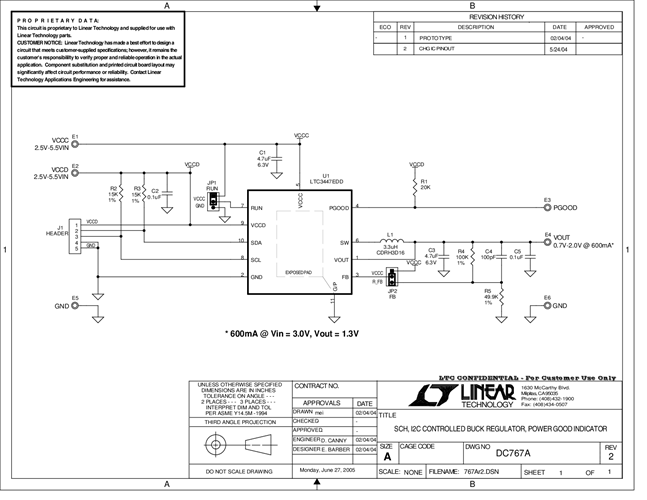
Demonstration Circuit 767 is an I2C-controlled high efficiency synchronous current mode buck regulator featuring the 600mA output LTC3447. The demo board input voltage range is 2.5V to 5.5V. The buck regulator has a programmable output range of 0.7V to 2.00V which is set with an internal 6-bit DAC via the I2C interface. The initial start-up voltage is set to 1.35V but can be change by changing feedback resistors R4 and R5.
Applicable Parts
Documentation & Resources
-
DC767A - Schematic9/24/2009PDF40K
-
DC767A - Demo Manual9/24/2009PDF191K
-
DC767A - Design File9/24/2009ZIP734K
