Overview
Product Details
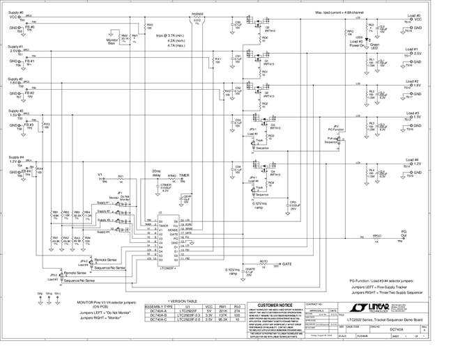
DC740A-C: Demo Board for the LTC2922 Power Supply Tracker with Input Monitors.
Applicable Parts
Documentation & Resources
-
DC740A - Schematic9/24/2009PDF41K
-
DC740A - Demo Manual9/24/2009PDF185K
-
DC740A - Design File9/24/2009ZIP628K
