Overview
Product Details
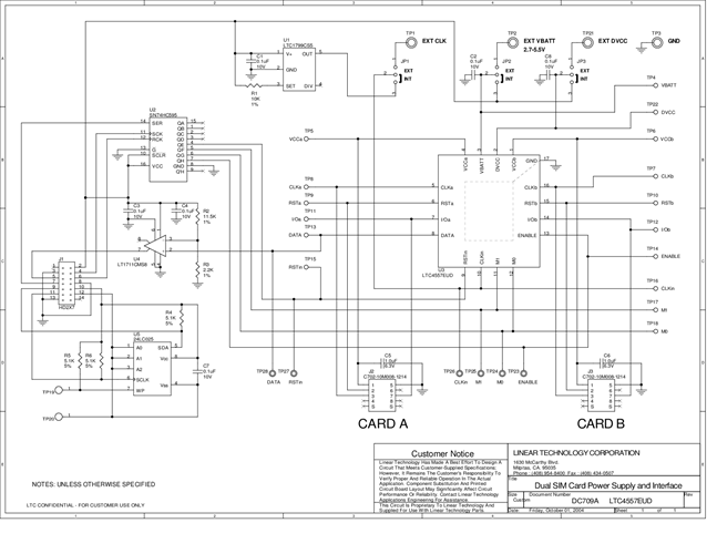
DC709A: Demo Board for the LTC4557 Dual SIM/Smart Card Power Supply and Interface.
Applicable Parts
Documentation & Resources
-
DC709A - Schematic9/24/2009PDF28K
-
DC709A - Demo Manual9/24/2009PDF676K
-
DC709A - Design File9/24/2009ZIP526K
