Overview
Product Details
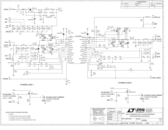
Demonstration circuit 653A is a dual 15A step-down DC/DC converter featuring the LTC3802EGN. The LTC3802EGN itself is a synchronous voltage mode controller. Output #1 of demonstration circuit 653A is a 3.3V / 15A rail and output #2 is a 2.5V / 15A rail. The input voltage range is 7V to 24V.The nominal switching frequency of the LTC3802 is 550kHz and its phase lockable synchronization range is 330kHz to 750kHz.
Applicable Parts
Documentation & Resources
-
DC653A - Schematic9/24/2009PDF53K
-
DC653A - Demo Manual9/24/2009PDF469K
-
DC653A - Design File9/24/2009ZIP0M
