Overview
Product Details
This evaluation board is obsolete and no longer recommended.Applicable Parts
Documentation & Resources
-
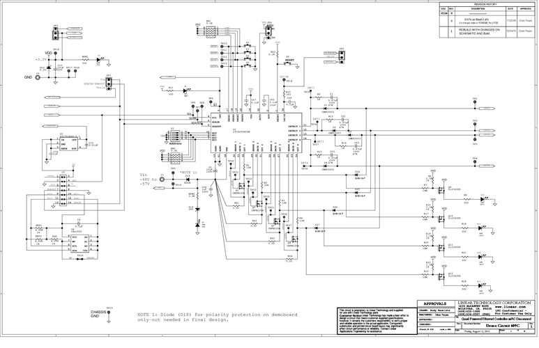
DC609C - Schematic1/13/2011PDF173K
-
DC609C - Demo Manual1/13/2011PDF359K
-
DC609C - Design Files1/13/2011ZIP2M
