Overview
Product Details
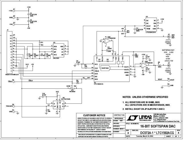
DC572A: Demo Board for the LTC1592 16-Bit SoftSpan DACs with Programmable Output Range.
Applicable Parts
Documentation & Resources
-
DC572A - Schematic9/24/2009PDF78K
-
DC572A - Demo Manual9/24/2009PDF405K
-
DC572A - Design File9/24/2009ZIP594K





