Overview
Product Details
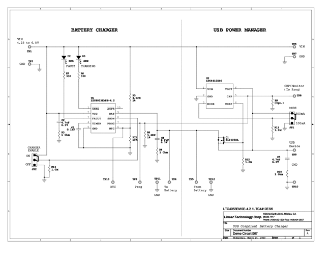
DC567A: Demo Board for the LTC4053-4.2 USB Compatible Lithium-Ion Battery Charger with Thermal Regulation.
Applicable Parts
Documentation & Resources
-
DC567A - Schematic9/24/2009PDF89K
-
DC567A - Demo Manual9/24/2009PDF234K
-
DC567A - Design File9/24/2009ZIP763K
